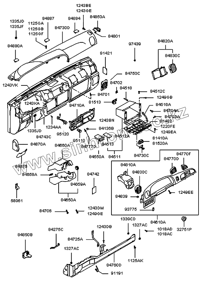
Каталог запасных частей к технике: Hyundai H100 Porter. Накладка панели приборов
1018AC
1018AD
1125AK
1125GA
1125GB
1125GF
1220FE
1234AA
1243BE
1243BN
1243DB
1243DM
1243GE
1243KA
1243VK
1249EA
1249EE
1249GB
1249GE
1327AC
1327AC
1335JD
1335JD
1335JF
1339CD
32751P
58961
81410A
81432
81513
81520A
84136B
84275C
84511
84512A
84512C
84513
84516A
84518
84550A
84610A
84650A
84658A
84659A
84660A
84701
84702
84703A
84704A
84706
84710A
84725A
84730C
84730D
84742
84743C
84750C
84760D
84770D
84770F
84777D
84801
84810A
84820A
84830C
84830C
84839
84850A
84850B
84870A
84875
84880A
84884
84887
91191
91421
93775
95110
95120
97439
| Позиция на иллюстрации | Заводской номер детали | Название детали | |
|---|---|---|---|
| 1018AC | 10188-05143 | Винт | |
| 1018AD | 10188-05163 | Винт | |
| 1125AK | 11250-08201 | Болт | |
| 1125GA | 11253-06161 | Болт в сборе с шайбой | |
| 1125GB | 11253-06201 | Болт в сборе с шайбой | |
| 1125GF | 11253-08251 | Болт | |
| 1220FE | 12203-04123 | Винт М3 | |
| 1234AA | 12342-06163 | Винт М3 | |
| 1243BE | 12431-04121 | Винт | |
| 1243BN | 12431-04161 | Винт | |
| 1243DB | 12431-05123 | Винт | |
| 1243DM | 12431-05161 | Винт | |
| 1243GE | 12431-88143 | Болт | |
| 1243KA | 12433-05163 | Винт | |
| 1243VK | 12438-05163 | Винт | |
| 1249EA | 12492-04103 | Винт | |
| 1249EE | 12492-04163 | Винт | |
| 1249GB | 12492-05123 | Винт | |
| 1249GE | 12492-05163 | Винт | |
| 1327AC | 13270-08001 | Гайка | |
| 1335JD | 13357-05036 | Гайка-пружина | |
| 1335JF | 13357-88036 | Гайка-пружина | |
| 1339CD | 13395-08001 | Гайка-фланец | |
| 32751P | 32751-43651AQ | Заглушка, int;aq | |
| 58961 | 58961-44000 | Зажим | |
| 81410A | 81410-43800AQ | Замок перчаточного ящика, металл, int;aq | |
| 81432 | 81430-43800AQ | Крышка перчаточного ящика, int;aq | |
| 81513 | 81438-43001 | Язычок замка перчаточного ящика | |
| 81520A | 84520-43500AQ | Замок перчаточного ящика, металл, int;aq | |
| 84136B | 84714-43000AQ | Заглушка, int;aq | |
| 84275C | 84725-43800 | Кронштейн | |
| 84511 | 84511-43500AQ | Перчаточный ящик, int;aq | |
| 84512A | 84512-43500AQ | Накладка перчаточного ящика, int;aq | |
| 84512C | 84512-43000 | Винт | |
| 84513 | 84513-43800 | Петля | |
| 84516A | 81439-43800 | Направляющая | |
| 84518 | 84518-2D000 | Дампфер пепельницы салона | |
| 84550A | 84550-43801 | Пепельница | |
| 84610A | 84610-43300AQ | Крышка измерителя, int;aq | |
| 84650A | 84650-43303AQ | Кожух, int;aq | |
| 84658A | 84658-43000 | Гайка-пружина | |
| 84659A | 84659-43000 | Уплотняющее кольцо | |
| 84660A | 84601-4B000AQ | Накладка, int;aq | |
| 84701 | 84701-43000 | Винт | |
| 84702 | 84702-43000 | Гайка-скорост. | |
| 84703A | 84703-43000 | Винт | |
| 84704A | 84704-43000 | Винт | |
| 84706 | 84706-43000 | Винт | |
| 84710A | 84710-4B100 | Панель | |
| 84725A | 84725-4B001 | Кронштейн | |
| 84730C | 84530-43500 | Петля корпуса перчаточного ящика | |
| 84730D | 84730-43000AQ | Накладка панели приборов | |
| 84742 | 84742-4B000 | Прокладка | |
| 84743C | 84741-43800AQ | Панель инструментов, int;aq | |
| 84750C | 84750-43000AQ | Панель громкоговорителя | |
| 84760D | 84760-43900 | Рама | |
| 84770D | 84770-43800AQ | Решетка "B" | |
| 84770F | 84790-43800 | Решетка "С" | |
| 84777D | 84777-22000 | Винт | |
| 84801 | 84801-43000 | Винт | |
| 84810A | 84810-43300 | Воздуховод "A" | |
| 84820A | 84820-43300 | Воздуховод "D" | |
| 84830C | 84830-43300 | Решетка "D" | |
| 84839 | 84743-34000 | Зажим-пружина | |
| 84850A | 84850-43000AQ | Решетка "A" | |
| 84850B | 84855-43000AQ | Решетка "D" | |
| 84870A | 84870-43300AQ | Крышка | |
| 84875 | 84875-43000 | Защитная пластина | |
| 84880A | 84880-43000AQ | Заглушка панели приборов лев. | |
| 84884 | 84884-43000AQ | Заглушка панели приборов прав. | |
| 84887 | 84887-43000AQ | Заглушка панели приборов | |
| 91191 | 91191-71000 | Протектор проводки | |
| 91421 | 91421-21000 | Подкладка | |
| 93775 | 93375-43800 | Накладка выключателя | |
| 95110 | 95110-24000 | Прикуриватель | |
| 95120 | 95120-22000 | Гнездо прикуривателя | |
| 97439 | 97439-28000 | Шайба |
Содержащиеся в справочниках-каталогах запасные части и детали не предлагаются к продаже, а носят исключительно информационный характер