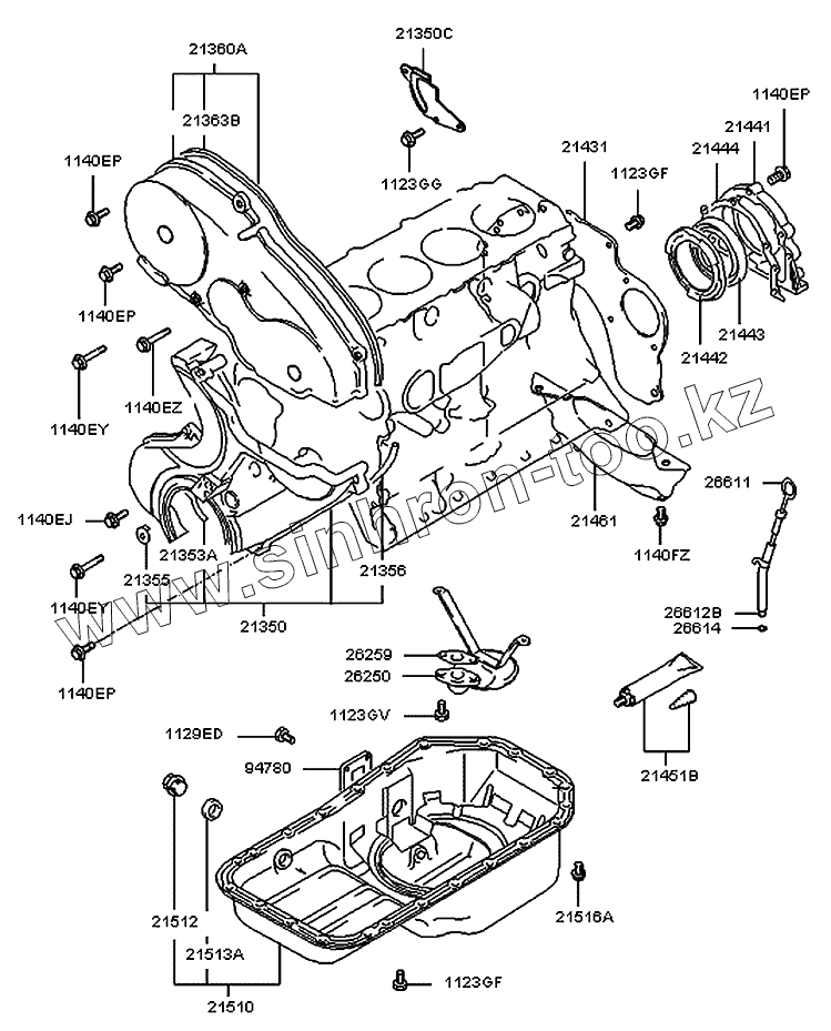
Каталог запасных частей к технике: Hyundai H100 Porter. Крышка ременного привода и масляный картер
1123GF
1123GF
1123GG
1123GV
1129ED
1140EJ
1140EP
1140EP
1140EP
1140EP
1140EY
1140EY
1140EZ
1140FZ
21350
21350C
21353A
21355
21356
21360A
21363B
21431
21441
21442
21443
21444
21451B
21461
21510
21512
21513A
21516A
26250
26259
26611
26612B
26614
94780
| Позиция на иллюстрации | Заводской номер детали | Название детали | |
|---|---|---|---|
| 1123GF | 11233-06121 | Болт | |
| 1123GG | 11233-06141 | Болт | |
| 1123GV | 11233-08203 | Болт | |
| 1129ED | 11293-06141 | Болт | |
| 1140EJ | 11403-06121 | Болт | |
| 1140EP | 11403-06221 | Болт фланцевый | |
| 1140EY | 11403-06501 | Болт фланцевый | |
| 1140EZ | 11403-06601 | Болт фланцевый | |
| 1140FZ | 11403-06103 | Болт фланцевый | |
| 21350 | 21350-42500 | Крышка в сборе-ремень привода ГРМ, нижн. | |
| 21350C | 21371-42500 | Задняя крышка ремня ГРМ | |
| 21353A | 21353-42500 | Прокл. крышки ремня ГРМ | |
| 21355 | 21355-42000 | Накладка | |
| 21356 | 21352-42500 | Кронштейн | |
| 21360A | 21360-42500 | Крышка в сборе-ремень привода ГРМ, лев. | |
| 21363B | 21362-42500 | Прокл. верх. крышки ремня ГРМ | |
| 21431 | 21431-42000 | Зад. крышка блока цилинлров | |
| 21441 | 21441-42000 | Корпус сальника | |
| 21442 | 21442-42000 | Кольцо маслоотделителя | |
| 21443 | 21321-42041 | Сальник | |
| 21444 | 21444-42060 | Прокладка масляного насоса | |
| 21451B | 21451-33A02 | Прокладочное кольцо-жидк. | |
| 21461 | 21450-42000 | Крышка-колоколообр. картер | |
| 21510 | 21510-42161 | Чашка в сборе-масл. | |
| 21512 | 21512-21010 | Пробка масляного картера | |
| 21513A | 21513-21000 | Прокладочное кольцо-пробка смаз. | |
| 21516A | 21516-35000 | Болт | |
| 26250 | 26250-42110 | Маслозаборник | |
| 26259 | 26259-32030 | Прокладочное кольцо-масляный фильтр | |
| 26611 | 26611-42010 | Масляный щуп | |
| 26612B | 26621-42030 | Направл. в сборе-масломер | |
| 26614 | 26614-35000 | О-кольцо | |
| 94780 | 94780-42000 | Датчик уровня масла |
Содержащиеся в справочниках-каталогах запасные части и детали не предлагаются к продаже, а носят исключительно информационный характер