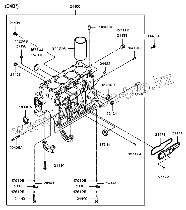
Каталог запасных частей к технике: Hyundai H100 Porter. Блок цилиндров в сборе
1123AB
1140EP
1430JC
1433CA
1433CH
1571TA
1571TC
1573GD
1573GJ
1573JF
1751DB
1751DB
1751DB
1751DB
21100
21114
21123
21124
21131
21131A
21132
21133
21140
21140
21150
21160
21171
21172
21173
21190
22121
22125A
24141
24141
37341
| Позиция на иллюстрации | Заводской номер детали | Название детали | |
|---|---|---|---|
| 1123AB | 11230-06101 | Болт | |
| 1140EP | 11400-06121 | Болт фланцевый | |
| 1430JC | 14303-06140 | Установочный штифт | |
| 1433CA | 14331-08090 | Втулка | |
| 1433CH | 14331-12130 | Втулка | |
| 1571TA | 15717-10081 | Заглушка | |
| 1571TC | 15717-17121 | Заглушка | |
| 1573GD | 15732-28003 | Колпачок-уплотнение | |
| 1573GJ | 15732-50003 | Колпачок-уплотнение | |
| 1573JF | 15733-50000 | Колпачок | |
| 1751DB | 17511-12000 | Прокладочное кольцо | |
| 21100 | 21100-42200 | Блок в сборе-цилиндр | |
| 21114 | 21114-42000 | Болт | |
| 21123 | 21123-11000 | Заглушка | |
| 21124 | 21124-21000 | Втулка-ударн. | |
| 21131 | 28323-32500 | Заглушка | |
| 21131A | 21131-42000 | Гильза-цилиндр, std | |
| 21132 | 21176-42001 | Заглушка | |
| 21133 | 21133-32000 | Заглушка | |
| 21140 | 21140-42001 | Клапан | |
| 21150 | 21150-42000 | Форсунка-масл. | |
| 21160 | 21160-42000 | Форсунка-масл. | |
| 21171 | 21171-42000 | Заглушка гайки | |
| 21172 | 21172-42000 | О-кольцо | |
| 21173 | 21173-42000 | Прокладка блока цилиндров | |
| 21190 | 21190-42000 | Болт | |
| 22121 | 22121-11000 | Колпачок-уплотнение | |
| 22125A | 21121-42000 | Шпилька | |
| 24141 | 21155-42000 | Установочный штифт | |
| 37341 | 21252-42000 | Подшипник |
Содержащиеся в справочниках-каталогах запасные части и детали не предлагаются к продаже, а носят исключительно информационный характер