Вернуться на главную
Поиск
Каталоги запчастей к технике
Грузовые автомобили и прицепы
HOWO
Sinotruck (полный)
WD618 VALVE DISTRIBUTING MECHANISM (A2-6)
Каталог запасных частей к технике: HOWO Sinotruck (полный). WD618 VALVE DISTRIBUTING MECHANISM (A2-6)
zoom-in
zoom-out
enlarge
shrink
circle-right
circle-left
file-text2
info
cart
Тип техники
Не выбрано
Легковые автомобили
Грузовые автомобили и прицепы
Автобусы
Сельхозтехника
Спецтехника
Двигатели
Мототехника
Марка
Не выбрано
BAW
DAF
DongFeng
FAW
Foton
HOWO
Hyundai
IVECO
JAC Motors
LGMG
MAN
Shaanxi
SITRAK
Studebaker
Tata
Volvo
Автокомпонент Плюс
БелАЗ
Брянский Арсенал
ГАЗ
ЗИЛ
КАЗ
Камский автозавод
КрАЗ
Мадара
МАЗ
МЗКТ
МоАЗ
Нефтекамский автозавод
Ставропольский Завод АвтоПрицепов
ТАТРА
Тонар
УралАЗ
ЧМЗАП
Модель
Не выбрано
Howo
Howo A7 8x4
Howo cnhtc-huaxin (2010)
Sinotruck (полный)
Sinotruk 4x2 Tractor (371)
Sinotruk 6x4 Tipper (290)
Sinotruk 6x4 Tipper (336)
Sinotruk 6x4 Tipper (371)
Sinotruk 6x4 Tractor (371)
Sinotruk 6x6 Tipper (336)
Sinotruk 8x4 Tipper (336)
Sinotruk 8x4 Tipper (371)
ZZ3327N3647C-N2WA
Схема
>
Не выбрано
DRIVER'S CAB (B12-1)
CAB BODY SHELL (B12-2)
MUDGUARD FOR SW CAB (B12-3)
MUDGUARD FOR S CAB (B12-4)
"A" POLE GARNISH FOR CAB (B12-5)
PRONT COVER FOR CAB (B12-6)
REAR GRIP FOR CAB (B12-7)
STEP FOR S CAB (B12-8)
GLASS AND ROOF FLAP (B12-9)
DOOR, GLASS AND VENT WINDOW (B12-10)
DOOR LOCK AND FITTINGS (B12-11)
DRIVER'S CAB SUPPORT FRONT (B12-12)
INTERNAL LINING (B12-13)
LINING FOR ENGINE HOOD (B12-14)
LINING (B12-15)
DASHBOARD FOR DRIVE LEFT (B12-16)
DASHBOARD FOR DRIVE RIGHT (B12-17)
SHELF, SUN VISOR OF STANDARD DRIVER'S CAB (B12-18)
SHELF FOR CAB "B/E" (B12-19)
HIGH ROOF FOR CAB "C/F" (B12-20)
RADIO (B12-21)
FIXATION FOR JACK, TOOL BOX (B12-22)
SLEEPER FOR STANDART, MED.- ROOF CAB (B12-23)
SLEEPER FOR HIGH ROOF CAB (B12-24)
SEATS, SAFETY BELT FOR DRIVER (B12-25)
SEATS, SAFETY BELT FOR CO-DRIVER (B12-26)
WINDSCREEN WASHING EQUIPMENT (B12-27)
SUN VISOR FOR CAB (B12-28)
WIND SCREEN WIPER (B12-29)
TILTING EQUPMENT (B12-30)
HYDRAULIC SYSTEM FOR TILTING EQUPMENT (B12-31)
DRIVER'S CAB SUPPORT REAR (B12-32)
DRIVER'S CAB HEATING (B12-33)
MIRROR FOR CAB WITH STANDARD, MED. ROOF (B12-34)
MIRROR FOR CAB WITH HIGH ROOF (B12-35)
WINDWARD WING FOR STANDARD CAB (B12-36)
WINDWARD WING FOR MED. ROOF CAB (B12-37)
AIR CONDITIONER FOR DRIVE LEFT (B12-38)
AIR DONDITIONER FOR DRIVE RIGHT (B12-39)
DRIVER'S CAB (C12-1)
CAB BODY SHELL (C12-2)
DASHBOARD (C12-3)
SOUND PROOF FOR LONG, HIGH-ROOF CAB (C12-4)
SOUNDPROOF FOR STANDARD CAB (C12-5)
ENGINE HOOD, FLOOR LINING FOR LONG, HIGH-ROOF CAB (C12-6)
ENGINE HOOD, FLOOR LINING FOR LONG,HIGH. ROOF CAB (C12-7)
SOUNDPROOF ON BOTTOM OF CAB (C12-8)
INTERNAL LINING ON ROOF (C12-9)
INTERNAL LINING ON WALL (C12-10)
SLEEPER FOR LONG CAB (C12-11)
SLEEPER FOR HIGH-ROOF CAB (C12-12)
ROOF FLAP (C12-13)
SEATS, SAFETY BELT (C12-14)
SUN VISOR, SHELF FOR STANDARD, LONG CAB (C12-15)
WINDOW GLASS (C12-16)
DOOR, GLASS AND FITTINGS (C12-17)
DOOR LOCK (C12-18)
FRONT COVER (C12-19)
SIDE COVER, "A" POLE GARNISH (C12-20)
MUDGUARD (C12-21)
BUMPER (C12-22)
GRILLE OF BUMPER (C12-23)
REAR VIEW MIRROW (C12-24)
DOWN VIEW MIRROR, SIDE MIRROR (C12-25)
SUN VISOR (C12-26)
FRONT SUSPENSION OF DRIVER'S CAB (C12-27)
REAR SUSPENSION OF DRIVER'S CAB (C12-28)
DRIVER'S CAB HEATlNG (C12-29)
AIR CONDITIONER (C12-30)
WINDSCREEN WASHING EQUIPMENT (C12-31)
WINDSCREEN WIPER (C12-32)
TILTING EQUIPMENT (C12-33)
WING, WIND SHEET (C12-34)
RADIO (C12-35)
TOOL BOX FOR LONG AND HIGH-ROOF CAB (C12-36)
CARGO BODY (C14-1)
WD615 CRANK CASE (A1-1)
WD615 GEAR CASE, FLYWHEEL HOUSING (A1-2)
WD615 OIL FILLING PIPE (A1-3)
WD615 OIL SEPARATOR (A1-4)
WD615 CRANK SHAFT, FLYWHEEL (A1-5)
WD615 CONNECTING ROD, PISTON (A1-6)
WD615 CYLINDER HEAD (A1-7)
WD615 VALVE DISTRIBUTING MECHANISM (A1-8)
WD615 WATER PUMP, VENTILATOR (A1-9)
WD615 612600060260, 61500060229 WATER PUMP C (A1-10)
WD615 61400060161, 61560060069 ROLL WHEEL C (A1-11)
WD615 OIL PUMP, OIL FILTER I (A1-12)
WD615 OIL PUMP, OIL FILTER II (A1-13)
WD615 INJECTION PUMP, INJECTION LINES (A1-14)
WD615 FUEL LINE (A1-15)
WD615 INJECTION PUMP COUPLING (A1-16)
WD615 ELECTRICAL IMPLEMENT (A1-17)
WD615 FLAME STARTTING SYSTEM (A1-18)
WD615 EXHAUST MANIFOLD (A1-19)
WD615 AIR INTAKE MANIFOLD (A1-20)
WD615 AIR COMPRESSOR (A1-21)
WD615 OIL PAN (A1-22)
WD618 CRANK CASE (A2-1)
WD618 GEAR CASE, FLYWHEEL HOUSING (A2-2)
WD618 CRANK SHAFT, FLYWHEEL (A2-3)
WD618 CONNECTING ROD, PISTON (A2-4)
WD618 CYLINDER HEAD (A2-5)
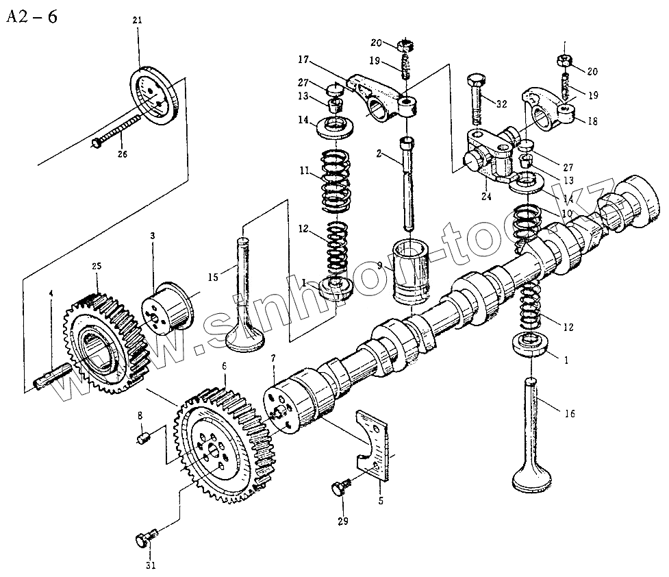
WD618 VALVE DISTRIBUTING MECHANISM (A2-6)
WD618 COOLING SYSTEM (A2-7)
WD618 OIL PUMP AND OIL FILTER (A2-8)
WD618 INJECTION PUMP, INJECTION LINES (A2-9)
WD618 FUEL LINE (A2-10)
WD618 ELECTRICAL IMPLEMENTS (A2-11)
WD618 FLAME STARTING SYSTEM (A2-12)
WD618 EXHAUST MANIFOLD (A2-13)
WD618 AIR INTAKE MANIFOLD (A2-14)
WD618 AIR COMPRESSOR (A2-15)
WD618 OIL PAN (A2-16)
OPEREATING LEVER (B1-1)
OPERATING LEVER FOR DRIVE RIGHT (B1-2)
ACCELERATOR LINKAGE (B1-3)
200L FUEL TANK (B1-4)
8x4 230L FUEL TANK (B1-5)
380L FUEL TANK (B1-6)
400L FUEL TANK (B1-7)
380L FUEL TANK FROM AL (B1-8)
EXHAUST PIPING FOR FRAME HEIGHT 243MM (B1-9)
4x2,6x4 EXHAUST PIPING FOR FRAME HEIGHT 300MM (B1-10)
8x4 EXHAUST PIPING (B1-11)
COOLING SYSTEM FOR WD615.62/87(EXPANSION TANK ON THE ENGINE) (B1-12)
COOLING SYSTEM FOR WD615.62/87(EXPANSION TANK REAR) (B1-13)
COOLING SYSTEM FOR WD615.69/47 (B1-14)
AIR FILTER FOR STANDARD CAB (B1-15)
AIR FILTER FOR CAB WITH MED, HIGH ROOF (B1-16)
AIR FILTER FOR DESERT (B1-17)
SUSPENSION FOR ENGINE (B1-18)
WD168 EXHAUST PIPING (B2-1)
WD618 COOLING SYSTEM (B2-2)
WD618 AIR FILTER FOR CAB WITH MED.AND HIGH-ROOF (B2-3)
SUSPENSION FOR WD618 ENGINE (B2-4)
OPERATION DEVICE (C1-1)
350L, 380L FUEL AL-TANK (C1-2)
200L FUEL AL-TANK (C1-3)
COOLING SYSTEM (C1-4)
EXHAUST PIPING (C1-5)
AIR FILTER (C1-6)
SUSPENSION FOR ENGINE (C1-7)
SPECIAL PARTS OF WD615 FOR HOWO (C1-8)
Ф420mm CLUTCH (A3-1)
Ф430mm CLUTCH (A3-2)
THE OPERATION SYSTEM OF Ф420MM CLUTCH (B3-1)
THE OPERATION SYSTEM OF Ф430MM CLUTCH (B3-2)
CLUTCH MECHANISM FOR DRIVE RIGHT (OPTION) (B3-3)
CLUTCH OPERATION SYSTEM (C2-1)
Ф430 CLUTCH HOUSING FOR FAST RT-11509C (C2-2)
Fuller GEARBOX (A4-1)
Fuller CLUTCH HOUSING, GEARBOX HOUSING (A4-2)
Fuller LAY SHAFT, WHEELS (A4-3)
Fuller MAIN SHAFT AND WHEELS (A4-4)
Fuller REVERSE GEAR (A4-5)
Fuller CLUTCH SHAFT (A4-6)
Fuller SWITCH GEAR (A4-7)
Fuller DOUBLE H OPERATION C (A4-8)
Fuller aux. Gearbox DRIVE GEAR (A4-9)
Fuller aux. Gearbox OUTPUT SHAFT (A4-10)
Fuller SYNCHRONISATION (A4-11)
Fuller Aux.gearbox LAYSHAFT (A4-12)
Fuller REAR COVER (A4-13)
Fuller SHIFTING CYLINDER ASSEMBLY (A4-14)
Fuller CLUTCH BRAKE (A4-15)
Fuller PNEUM. SHIFTING (A4-16)
Fuller AIR REGULATOR VALVE (A4-17)
Fuller SHIFT AIR LINE (A4-18)
Fuller SHIFTING TO CLUTCH BRAKE (A4-19)
Fuller AIR LINE FOR CLUTCH BRAKE (A4-20)
Fuller DOUBLE LEVER DOUBLE H OPERATION C(Option) (A4-21)
S6-120 GEAR BOX HOUSING ASSY. (A5-1)
S6-120 INPUT SHAT, LAYSHAFT AND GEAR (A5-2)
S6-120 MAIN SHAFT, SYNCHRONIZATION (A5-3)
S6-120 REAR COVER (A5-4)
S6-120 SHIFTING GEAR FORK (A5-5)
S6-120 GEARSHAFT COVER AND ROTRY SELECTOR MECHANISM (A5-6)
5S-111GP, 5S-150GP, 4S-130GP GEARBOX HOUSING (A6-1)
CLUTCH HOUSING FOR ZF GEARBOX (A6-2)
5S-111GP, 5S-150GP, 4S-130GP INPUTSHAFT, LAYSHAFF AND WHEELS (A6-3)
5S-111GP, 5S-150GP, 4S-130GP MAIN SHAFT AND WHEELS (A6-4)
5S-111GP, 5S-150GP, 4S-130GP SHIFTING FORK (A6-5)
5S-111GP, 5S-150GP, 4S-130GP SHIFTING COVER (A6-6)
5S-111GP, 5S-150GP, 4S-130GP SHIFTING DEVICE (A6-7)
5S-111GP, 5S-150GP, 4S-130GP PNEUM. SHIFTING FOR RANGE CHANGE GROUP (A6-8)
5S-111GP, 5S-150GP, 4S-130GP HOUSING FOR RANGE CHANGE GROUP (A6-9)
5S-111GP, 5S-150GP, 4S-130GP WHEELS FOR RANGE CHANGE GROUP (A6-10)
5S-111GP, 5S-150GP, 4S-130GP SHIFTING FOR RANGE CHANGE GROUP (A6-11)
5S-111GP, 5S-150GP, 4S-130GP REAR COVER (A6-12)
FULLER GEARBOX SUSPENSION (B4-1)
FULLER GEAR-CHANGE SYSTEM (B4-2)
ZF GEAR-CHANGE SYSTEM (B4-3)
GEAR-CHANGE SYSTEM FOR DRIVE RIGHT (B4-4)
ZF GEAR CHANGE SYSTEM BY CABLE FOR DRIVE RIGHT (B4-5)
GEARBOX GEAR CHANGE SYSTEM (C3-1)
GEARBOX SUSPENSION (C3-2)
9JS150T GEARBOX HOUSING (C4-1)
9JS150T MAIN SHAFT (C4-2)
9JS150T LAY SHAFT (C4-3)
9JS150T CLUTCH SHAFT (C4-4)
9JS150T REVERSE SHAFT (C4-5)
9JS150T SWITCH GEAR (C4-6)
9JS150T DOUBLE H OPERATION (C4-7)
AIR REGULATOR VALVE (C4-8)
9JS150T AUX. GEARBOX DRIVE GEAR (C4-9)
9JS150T AUX. GEARBOX OUTPUTSHAFT (C4-10)
9JS150T AUX. GEARBOX LAY SHAFT (C4-11)
9JS150T REAR COVER (C4-12)
9JS150T SHIFTING CYLINDER (C4-13)
ASSISTOR FOR SHIFTING GEAR (C4-14)
HOUSING FOR VG1200 TRANSFER CASE WITHOUT DIFF.LOCK (A7-1)
HOUSING FOR VG1200 TRANSFER CASE WITH DIFF.LOCK (A7-2)
COVER FOR VG1200 TRANSFER CASE WITHOUT DIFF. LOCK (A7-3)
COVER FOR VG1200 TRANSFER CASE WITH DIFF. LOCK (A7-4)
WHEELS FOR VG1200 TRANSFER CASE WITHOUT DIFF.LOCK (A7-5)
WHEELS FOR VG1200 TRANSFER CASE WITH DIFF. LOCK (A7-6)
SUSPENSION FOR VG1200 TRANSFER CASE (A7-7)
GEAR SHIFTING OF VG1200 TRANSFER CASE (A7-8)
PNEUTRONIC GEAR SHIFTING FOR VG1200 TRANSFER CASE (A7-9)
4x2, 6x2 PROPELLER SHAFTS 266/290/N56/4x2 (planar flange) (B5-1-1)
4x2, 6x2 PROPELLER SHAFTS 266/290/046/4x2 (planar flange) (B5-1-2)
4x2, 6x2 PROPELLER SHAFTS 266, 290, 336/S35/4x2 (B5-1-3)
4x2, 6x2 PROPELLER SHAFTS 266, 290, 336/S35/4x2 (Ф165 toothed flange) (B5-1-4)
4x2, 6x2 PROPELLER SHAFTS 371/S35/4x2 (Ф180 toothed flange) (B5-1-5)
4x2, 6x2 PROPELLER SHAFTS 420/S35/4x2 (Ф180 toothed flange) (B5-1-6)
4x2, 6x2 PROPELLER SHAFTS 266/O43/4x2 (Planar flange) (B5-1-7)
4x2, 6x2 PROPELLER SHAFTS 266/F50/4x2 (B5-1-8)
4x2, 6x2 PROPELLER SHAFTS 371/S32/6x2 (Ф180 toothed flange) (B5-1-9)
4x2, 6x2 PROPELLER SHAFTS 290/336/S32/6x2 (Ф165 toothed flange) (B5-1-10)
6x4, 8x4 PROPELLER SHAFTS 290/336/K30/8x4(Plane flange) (B5-2-1)
6x4, 8x4 PROPELLER SHAFTS 290/336/K28/8x4(Plane flange) (B5-2-2)
6x4, 8x4 PROPELLER SHAFTS 290/336/K25/8x4(Plane flange) (B5-2-3)
6x4, 8x4 PROPELLER SHAFTS 371/B30/8x4(Ф180 Plane flange) (B5-2-4)
6x4, 8x4 PROPELLER SHAFTS 371/S25/8x4(With 12.00 R24) (B5-2-5)
6x4, 8x4 PROPELLER SHAFTS 290/336/043/6x4(Ф165 Plane flange) (B5-2-6)
6x4, 8x4 PROPELLER SHAFTS 371/043/6x4(Ф180 Plane flange) (B5-2-7)
6x4, 8x4 PROPELLER SHAFTS 266/290/O46/6x4 (Ф165 Planar flange) (B5-2-8)
6x4, 8x4 PROPELLER SHAFTS 290/336/K29/6x4 (Ф165 Planar flange) (B5-2-9)
6x4, 8x4 PROPELLER SHAFTS 290/336/O46/6x4(Ф165 Toothed flange) (B5-2-10)
6x4, 8x4 PROPELLER SHAFTS 371/S29/6x4(For Fuller RT11509C With 9JS180 housing) (B5-2-11)
6x4, 8x4 PROPELLER SHAFTS 420/S29/6x4(Fuller 9JS180) (B5-2-12)
6x4, 8x4 PROPELLER SHAFTS 266/290/K36/6x4(Ф165 Planar flange) (B5-2-13)
6x4, 8x4 PROPELLER SHAFTS 266/290/K38/6x4(Ф165 Planar flange) (B5-2-14)
6x4, 8x4 PROPELLER SHAFTS 290/336/B38/6x4(Ф165 Planar flange) (B5-2-15)
6x4, 8x4 PROPELLER SHAFTS 266/290/K32/6x4(Fuller gearbox) (B5-2-16)
6x4, 8x4 PROPELLER SHAFTS 336/S32/6x4(Fuller gearbox) (B5-2-17)
6x4, 8x4 PROPELLER SHAFTS 290/336/B32/6x4(Fuller gearbox) (B5-2-18)
6x4, 8x4 PROPELLER SHAFTS 371/S34/6x4(With 12.00R24) (B5-2-19)
6x4, 8x4 PROPELLER SHAFTS 336/K36/6x4(With 12.00R24) (B5-2-20)
4x2 PROPELLER SHAFTS FOR LONG WHEEL BASE 266, 290/N56/4x2 (B5-3-1)
4x2 PROPELLER SHAFTS FOR LONG WHEEL BASE 266, 290/N60/4x2 (Fuller gearbox) (B5-3-2)
6x4, 8x4 PROPELLER SHAFTS FOR LONG WHEEL BASE 266, 290, 336/O46/8x4 (Fuller gearbox) (B5-4-1)
6x4, 8x4 PROPELLER SHAFTS FOR LONG WHEEL BASE 371/044/8x4 (Fuller RT11509C With 9JS180 housing) (B5-4-2)
6x4, 8x4 PROPELLER SHAFTS FOR LONG WHEEL BASE 336/O38/8x4 (Fuller gearbox) (B5-4-3)
6x4, 8x4 PROPELLER SHAFTS FOR LONG WHEEL BASE 290, 336/K52/6x4 (Fuller gearbox) (B5-4-4)
6x4, 8x4 PROPELLER SHAFTS FOR LONG WHEEL BASE 266, 290, 336/N56/6x4 (Fuller gearbox) (B5-4-5)
4x4, 6x6 PROPELLER SHAFTS 266/O42/4x4 (B5-5-1)
4x4, 6x6 PROPELLER SHAFTS 266/O44/4x4 (B5-5-2)
4x4, 6x6 PROPELLER SHAFTS 290/336/O38/6x6 (B5-5-3)
4x4, 6x6 PROPELLER SHAFTS 290/336/S34/6x6 (B5-5-4)
4x4, 6x6 PROPELLER SHAFTS 290/336/O34/6x6 (B5-5-5)
4x4, 6x6 PROPELLER SHAFTS 290/336/S43/6x6 (B5-5-6)
4x4, 6x6 PROPELLER SHAFTS 290/336/O46/6x6 (Fuller gearbox) (B5-5-7)
INTERMEDIATE SHAFTS Intermediate Shaft with Spider D.Ф52 (B5-6-1)
INTERMEDIATE SHAFTS Intermediate Shaft with spider D.Ф57 (B5-6-2)
PROPELLER SHAFTS Propeller Shaft with spider D.Ф52 (B5-7-1)
PROPELLER SHAFTS Propeller Shaft with Spider D.Ф57 (B5-7-2)
PROPELLER SHAFTS Propeller Shaft with Spider D.Ф62 (B5-7-3)
4x2, 6x2 PROPELLER SHAFTS (C5-1)
6x4, 8x4 PROPELLER SHAFTS (C5-2)
PROPELLER SHAFTS Ф52 Propeller shaft with spider (C5-3-1)
PROPELLER SHAFTS Ф57 Propeller shaft with spider (C5-3-2)
PROPELLER SHAFTS Ф62 Propeller shaft with spider (C5-3-3)
INTERMEDIATE SHAFTS Ф52 Inter mediate shaft wath spider (C5-4-1)
INTERMEDIATE SHAFTS Ф57 Inter mediate shaft wath spider (C5-4-2)
FRONT AXLE BRACKET OF FRONT DRIVE AXLE (A10-1)
FRONT WHEEL DRIVE OF FRONT DRIVE AXLE (A10-2)
PLANETARY DRIVE OF FRONT DRIVE AXLE (A10-3)
FRONT AXLE FORK OF FRONT DRIVE AXLE (A10-4)
BRAKE FOR FRONT WHEEL DRIVE AXLE (A10-5)
INTEGRATED BREATHER (A10-6)
4x4, 6x6 TIE ROD (A10-7)
REAR DRIVE AXLE (A11-1)
STEYR REAR AXLE HOUSING (A11-2)
FIRST REAR AXLE HOUSING (A11-3)
REAR AXLE DRIVE (A11-4)
FIRST REAR AXLE DRIVE (A11-5)
PLANETARY DRIVE (A11-6)
REAR BRAKE (A11-7)
HOWO REAR DRIVE AXLE (C6-1)
REAR AXLE HOUSING (C6-2)
FIRST REAR AXLE HOUSING (C6-3)
REAR AXLE DRIVE (C6-4)
FIRST REAR AXLE DRIVE (C6-5)
REAR BRAKE (C6-6)
CHASSIS FRAME FOR 4x2 TIPPER TRUCK (B7-1)
CHASSIS FRAME FOR 4x2 TRACTOR TRUCK (B7-2)
CHASSIS FRAME FOR 4x2 CARGO TRUCK (B7-3)
CHASSIS FRAME FOR 6x4 TIPPER TRUCK (B7-4)
CHASSIS FRAME FOR 6x4 TRACTOR TRUCK (B7-5)
CHASSIS FRAME FOR 6x4 CARGO TRUCK (B7-6)
CHASSIS FRAME FOR 6x4 GARGO TRUCK VITH LONG WHEEL BASE (B7-7)
CHASSIS FRAME FOR 8x4 TIPPER TRUCK (B7-8)
CHASSIS FRAME FOR 8x4 TRACTOR TRUCK (B7-9)
CHASSIS FRAME FOR 8x4 CARGO TRUCK (B7-10)
CHASSIS FRAME FOR B30/8x4/1330 (B7-11)
BRACKET OF HIGH BUMPER WITH FIXED TOWING HOOK (B7-12)
BRACKET OF HIGH BUMPER WITH REMOABLE TOWING HOOK (B7-13)
LOW BUMPER WITH REMOVABLE TOWING HOOK (B7-14)
REMOVABLE TOWING HOOK (B7-15)
BUMPER FOR SW CAB (B7-16)
BUMPER FOR S CAB (B7-17)
BUMPER FOR S CAB (B7-17-1)
TAIL LIGHTS AND NUMBER PLATE CARRIER (B7-18)
BOTTOM PROTECTION, TRAILER COUPLING (B7-19)
REAR MADGUARD FOR TRACTOR (B7-20)
CHASSIS FRAME FOR 4x2 TIPPER TRUCK (C7-1)
CHASSIS FRAME FOR 4x2 TRACTOR TRUCK (C7-2)
CHASSIS FRAME FOR 4x2 CARGO TRUCK (C7-3)
CHASSIS FRAME FOR 6x4 TIPPER TRUCK (C7-4)
CHASSIS FRAME FOR 6x4 TRACTOR TRUCK (C7-5)
CHASSIS FRAME FOR 6x4 CARGO TRUCK (C7-6)
CHASSIS FRAME FOR 6x4 GARGO TRUCK WITH LONG WHEEL BASE (C7-7)
CHASSIS FRAME FOR 8x4 TIPPER TRUCK (C7-8)
CHASSIS FRAME FOR 8x4 CARGO TRUCK (C7-9)
CHASSIS FRAME FOR B32/8x4 (C7-10)
BRACKET FOR BUMPER, TOWING HOOK FRONT (C7-11)
TAIL LIGHTS AND NUMBER PLATE CARRIER (C7-12)
BOTTOM PROTECTION, TRAILER COUPLING (C7-13)
REAR MUDGUARD FOR TRACTOR (C7-14)
4x2, 4x4, 6x4, 6x6 FRONT SPRING (B8-1)
8x4 FRONT SPRING (B8-2)
4x2, 4x4 REAR SPRING (B8-3)
6x4, 6x6, 8x4 SWIVEL SPRING AND SUSPENSION (B8-4)
4x2, 6x4 STABLIZER, SHOCK ABSORBER FRONT (B8-5)
4x4, 6x6 SHOCK ABSORBER FRONT (B8-6)
8x4 STABLIZER, SHOCK ABSORBER FRONT (B8-7)
4x2, 4x4 SHOCK ABSORBER (B8-8)
4x2, 4x4 STABLIZER REAR (B8-9)
4x2, 6x2, 6x4 FRONT SPRING (C8-1)
8x4 FRONT SPRING (C8-2)
4x2 REAR SPRING (C8-3)
6x4, 8x4 SWIVEL SPRING AND SUSPENSION (C8-4)
6x4, 8x4 SWIVEL SPRING AND SUSPENSION (C8-4-1)
4x2, 6x4 STABLIZER, SHOCK ABSORBER FRONT (C8-5)
8x4 STABLIZER, SHOCK ABSORBER FRONT (C8-6)
4x2 SHOCK ABSORBER (C8-7)
4x2 STABLIZER REAR (C8-8)
FRONT AXLE (A9-1)
8X4 FRONT AXLE (A9-2)
FRONT WHEEL BRAKE (A9-3)
TIE ROD (A9-4)
DISC WHEEL AND TIRE (A13-1)
4x2 FIFTH WHEEL ASSEMBLY (A14-1)
6x4, 6x6, 8x4 FIFTH WHEEL ASSEMBLY (A14-2)
SPARE WHEEL CARRIER (C15-1)
HYDRAULIC DEVICE FOR 6x2 TRAILING AXLE (B13-1)
6x2 REAR SPRING (B13-2)
REAR TRAILING AXLE (B13-3)
HYDRAULIC DEVICE FOR 6x2 TRAILING AXLE (C13-1)
6x2 REAR SPRING (C13-2)
REAR TRAILING AXLE (C13-3)
WHEEL HUB OF TRAILING AXLE (C13-4)
BRAKE OF TRAILING AXLE (C13-5)
TRAILING AXLE WITH AIR SUSPENSION, SELF STEERING, PNEUMATIC LIFTING DEVICE (C16-1)
4x2, 6x2, 6x4 STEERING LINKAGE (B6-1)
8x4 STEERING LINKAGE (B6-2)
4x4, 6x6 STEERING LINK (B6-3)
STEERING DEVICE (B9-1)
STEERING DEVICE FOR DRIVE RIGHT (B9-2)
4x2, 4x4, 6x4, 6x6 HYDRAULIC STEERING SYSTEM (B9-3)
6x2 HYDRAULIC STEERING SYSTEM (B9-4)
8x4 HYDRAULIC STEERING SYSTEM (B9-5)
STEERING DEVICE (C9-1)
4x2, 6x4 HYDRAULIC STEERING SYSTEM (C9-2)
6x2 HYDRAULIC STEERING SYSTEM (C9-3)
8x4 HYDRAULIC STEERING SYSTEM (C9-4)
4x2, 6x2, 6x4 STEERING LINKAGE (C9-5)
8x4 STEERING LINKAGE (C9-6)
BRAKE MECHANISM (B10-1)
BRAKE MECHANISM FOR RIGHT-HAND DRIVE (B10-2)
TWO CIRCUIT BRAKE SYSTEM FOR 4x2, 4x4 CARGO TRUCK (B10-3)
TWO CIRCUIT BRAKE SYSTEM FOR 4x2 TRACTOR TRUCK (B10-4)
TWO CIRCUIT BRAKE SYSTEM FOR 6x4, 6x6 CARGO TRUCK (B10-5)
TWO CIRCUIT BRAKE SYSTEM FOR 6x4, 6x6 TRACTOR TRUCK (B10-6)
TWO CIRCUIT BRAKE SYSTEM FOR 6x2 CARGO TRUCK (B10-7)
TWO CIRCUIT BRAKE SYSTEM FOR 8x4 CARGO TRUCK (B10-8)
VALVE, SPECIAL HOSE (B10-10)
PARTS FOR BRAKE (B10-11)
BRACKET FOR BRAKES (B10-12)
CONNECTOR FOR LINE A (B10-13-1)
CONNECTOR FOR LINE B (B10-13-2)
PIPE SCREWINGS Ф15 LINE (B10-14-1)
PIPE SCREWINGS Ф12 LINE (B10-14-2)
PIPE SCREWINGS Ф8 LINE (B10-14-3)
PIPE SCREWINGS Ф6 LINE (B10-14-4)
REPAIR KIT (B10-15)
AIR RESERVOIR FIXATION (B10-16)
4x2 PNEUMATIC DIFFERENTIAL LOCK (B10-17)
AXLE PNEU. DIFF. LOCK (B10-18)
6x4, 8x4 WHEEL PNEU. DIFF. LOCK (B10-19)
PENUMATIC HORN (B10-20)
PUSHBUTTON VALVE (B10-21)
DRAIN VALVE (B10-22)
CHECK VALVE (B10-23)
DIAPHRAGM CYLINDER (B10-24)
SPRING BRAKE ACTUATOR (B10-25)
AIR DRYER (B10-26)
BRAKE MECHANISM IN CAB (C10-1)
BRAKE PARTS IN FRONT SECT OF CHASSIS (C10-2)
BRAKE PARTS IN REAR SECT OF CHASSIS (C10-3)
CONNECTOR FOR LINE A (C10-4-1)
CONNECTOR FOR LINE B (C10-4-2)
BRACKET FOR BRAKE (C10-5)
RARTS FOR BRAKE (C10-6)
AIR LINR FOR AXLE PNEU. DIFF. LOCK (C10-7)
6x4, 8x4 WHEEL PNEU. DIFF. LOCK FOR STEYR AXLE (C10-8)
4x2 PNEUMATIC DIFFER ENTIAL LOCK FOR STEYR AXLE (C10-9)
DOUBIE VOICE PNEUMATIC HORN (C10-10)
LOW VOICE PNEUMATIC HORN ON ROOF (C10-11)
AIR LINE FOR CLUTCH BRAKE (C10-12)
AIR RESERVOIR FIXATION FOR TRACTOR TRUCK I (C10-13)
AIR RESERVOIR FIXATION FOR CARGO TRUCK I (C10-14)
AIR RESERVOIR FIXATION FOR TRACTOR TRUCK II (C10-15)
20L AIR RESERVOIR FIXATION (C10-16)
AIR RESERVOIR FIXATION FOR TRACTOR TRUCK III (C10-17)
CENTRAL CONTROL ELECTRICAL DASHBOARD I (B11-1)
CENTRAL CONTROL ELECTRICAL DASHBOARD II (B11-2)
IMPLEMENT CARRIER I FOR CENTRAL CONTROL ELECTRICAL SYSTEM (B11-3)
IMPLEMENT CARRIER II FOR CENTERAL CONTROL ELECTRICAL SYSTEM (B11-4)
SWITCHS FOR CENTRAL CONTROL ELECTRICAL SYSTEM (B11-5)
ELECTRICAL LINES FOR CENTRAL CONTROL ELECTRICAL SYSTEM (B11-6)
CAN MAIN CIRCUIT ELECTRICAL DASHBOARD I (B11-7)
CAN MAIN CIRCUIT ELECTRICAL DASHBOARD II (B11-8)
CAN MAIN CIRCUIT ELECTRICAL DRIVING BOARD AND CHASSIS ELECTRICAL DEVICE (B11-9)
SWITCHS FOR CAN SYSTEM (B11-10)
ELECTRICAL LINES FOR CAN SYSTEM (B11-11)
7001 TYPE ELECTRICAL DASHBOARD (DRIVE RIGHT) (B11-12)
7001 TYPE ELECTRICAL IMPLEMENT CARRIER (DRIVE RIGHT) (B11-13)
SWITCHS FOR 7001 TYPE ELECTRICAL SYSTEM (B11-14)
7001 TYPE FRONT LIGHTS FOR S CAB (B11-15)
7001 TYPE LIGHTS (DRIVE RIGHT) FOR SW7 CAB (B11-16)
7001 TYPE ELECTRICAL LINE (DRIVE RIGHT) (B11-17)
BATTERY MAIN SWITCH (B11-18)
FRONT COMB. HEAD LAMP (B11-19)
COMBINATION REAR LAMP (B11-20)
FOG LAMP, WIDE LAMP (B11-21)
BATTERY AND ELECTRICAL DEVICE OF CAB (B11-22)
BATTERY BOX (B11-23)Electrical system
CAN MAIN CIRCUIT ELECTRICAL DASHBOARD (C11-1)
CONTROL BLOCK RIGHT,RELAY,FUSE (C11-2)
SWITCHS, CIGAR LIGHTER (C11-3)
ELECTRICAL EQUIPMENT ON THE CHASSIS (C11-4)
ELECTRICAL EQUTPMENT IN DRIVER'S CAB (C11-5)
ELECTRICAL LINES (C11-6)
LIGHTS (C11-7)
BATTERY, MAIN SWITCH (C11-8)
BATTERY BOX (C11-9)
QH50 POWER TAKE OFF C (A8-1)
OPERATING AIR LINE FOR P.T.O (A8-2)
TOOLS (A12-1)
1
1
2
3
4
5
6
7
8
9
10
11
12
12
13
13
14
14
15
16
17
18
19
19
20
20
21
24
25
26
27
27
29
31
32
Позиция на иллюстрации
Заводской номер детали
Название детали
1
61560050021 [Rоtаtоr]
Rоtаtоr
2
61800050143 [Рush rоd]
Рush rоd
3
61560050044 [Соuntеr shаft]
Соuntеr shаft
4
61560050058 [Соuntеr shаft]
Соuntеr shаft
5
614 050133 [Stор рlаtе]
Stор рlаtе
6
61800050144 [Gеаr]
Gеаr
7
61500050096 [Саmshаft]
Саmshаft
8
90003901409 [Рin]
Рin
9
61500050032 [Рush rоd]
Рush rоd
10
61500050002 [Оutеr vаlvе sрring]
Оutеr vаlvе sрring
11
61560050020 [Оutеr inlеt vаlvе sрring]
Оutеr inlеt vаlvе sрring
12
61560050025 [Innеr vаlvе sрring]
Innеr vаlvе sрring
13
61500050025 [Vаlvе соnе]
Vаlvе соnе
14
61500050109 [Sрring bаsе]
Sрring bаsе
15
61560050042 [Intаке vаlvе]
Intаке vаlvе
16
61560050041 [Ехhаust vаlvе]
Ехhаust vаlvе
17
614 050048 [Rоскеr аrm fоr intаке vаlvе]
Rоскеr аrm fоr intаке vаlvе
18
614 050049 [Rоскеr аrm fоr ехhаust vаlvе]
Rоскеr аrm fоr ехhаust vаlvе
19
614 050010 [Sсrеw]
Sсrеw
20
2130050065 [Nut]
Nut
21
61560050045 [Shim]
Shim
24
61500050108 [Rоскеr аrm suрроrt]
Rоскеr аrm suрроrt
25
61800050098 [Intеrmеd whееl]
Intеrmеd whееl
26
61560050059 [Sсrеw]
Sсrеw
27
61500050105 [Аir vаlvе сар]
Аir vаlvе сар
29
90003802411 [Sсrеw]
Sсrеw
31
90003802443 [Sсrеw]
Sсrеw
32
90003802655 [Sсrеw]
Sсrеw
Содержащиеся в справочниках-каталогах запасные части и детали не предлагаются к продаже, а носят исключительно информационный характер
Дополнительная информация
×
Название:
Номер:
Примечание: