Вернуться на главную
Поиск
Каталоги запчастей к технике
Грузовые автомобили и прицепы
HOWO
Howo cnhtc-huaxin
Корпус раздаточной коробки
Каталог запасных частей к технике: HOWO Howo cnhtc-huaxin. Корпус раздаточной коробки
zoom-in
zoom-out
enlarge
shrink
circle-right
circle-left
file-text2
info
cart
Тип техники
Не выбрано
Легковые автомобили
Грузовые автомобили и прицепы
Автобусы
Сельхозтехника
Спецтехника
Двигатели
Мототехника
Марка
Не выбрано
BAW
DAF
DongFeng
FAW
Foton
HOWO
Hyundai
IVECO
JAC Motors
LGMG
MAN
Shaanxi
SITRAK
Studebaker
Tata
Volvo
Автокомпонент Плюс
БелАЗ
Брянский Арсенал
ГАЗ
ЗИЛ
КАЗ
Камский автозавод
КрАЗ
Мадара
МАЗ
МЗКТ
МоАЗ
Нефтекамский автозавод
Ставропольский Завод АвтоПрицепов
ТАТРА
Тонар
УралАЗ
ЧМЗАП
Модель
Не выбрано
Howo
Howo A7 8x4
Howo cnhtc-huaxin (2010)
Sinotruck (полный)
Sinotruk 4x2 Tractor (371)
Sinotruk 6x4 Tipper (290)
Sinotruk 6x4 Tipper (336)
Sinotruk 6x4 Tipper (371)
Sinotruk 6x4 Tractor (371)
Sinotruk 6x6 Tipper (336)
Sinotruk 8x4 Tipper (336)
Sinotruk 8x4 Tipper (371)
ZZ3327N3647C-N2WA
Схема
>
Не выбрано
Кабина
Корпус кабины
Приборная панель кабины
Шумоизоляционные материалы стандартной кабины
Шумоизоляционные материалы длиной и высокой кабины
Кожух двигателя и пол длинной и высокой кабины
Кожух двигателя и пол стандартной кабины
Шумоизоляционные материалы низа кабины
Внутренняя обивка крыши кабины
Внутренняя обивка кабины
Спальное место длинной кабины
Спальное место высокой кабины
Верний люк кабины
Сиденье и ремень безопасности
Козырёк противосолнечный стандартной и длинной кабины и вещевой ящик
Стекло окон кабины
Дверь, стекло и приспособления
Замок двери
Облицовка
Боковые обтекатели и декоративные стойки А
Крыло и подножка, крыло кабины
Бампер
Решетка бампера
Зеркало заднего вида
Зеркало нижнего вида и зеркало обзора дороги
Козырек противосолнечный
Передняя подвеска кабины
Механизм отопления кабины
Механизм отопления кабины
Кондиционер
Моечный механизм ветрового стекла
Стеклоочиститель
Механизм опрокидывания кабины
Спойлер и обтекатели
Автомагнитола
Ящик для инструмента длинной и высокой кабины
Грузовая платформа
Блок цилиндров WD615
Крышка промежуточных шестерен и картер маховика Евро (II)
Маслозаливная труба и масляный щуп
Блок цилиндров WD615
Вал коленчатый и маховик
Поршни и шатуны WD615
Головка цилиндров WD615
Газораспределительный механизм WD615
Водяной насос и вентилятор
Масляный насос и масляный фильтр (1) WD615
Масляный насос и масляный фильтр (2) WD615
Топливный насос и шланги высокого давления WD615
Топливные шланги WD615
Муфта топливного насоса
Генератор
Выпускной коллектор WD615(1)
Картер масляный WD615
Впускной коллектор WD615
Компрессор WD615
Цилиндр
Коленвал и маховик
Поршень и шатун
Крышка цилиндра и механизм распределения
Впускная и выпускная система
Масляный насос и фильтр
Компрессор
Маслопитание
Электрическая система
Топливный картер
Механизм управления педалью подачи топлива
Топливный бак из алюминиевого сплава 350L, 380L
Топливный бак из алюминиевого сплава 200L
Система охлаждения
Приемная труба и глушитель
Система воздушного фильма
Подвеска двигателя
Рама самосвала 4x2
Рама седельного тягача 4x2
Рама автомобиля-тягача 4x2
Рама самосвала 4x2
Рама седельного тягача 6x4
Рама автомабиля-тягача 6x4
Рама автомабиля-тягача с большим межосевым растоянием 6x4
Рама самосвала 8x4
Рама самосвала 8x4
Рама автомабиля-тягача В32/8х4
Кронштейн бампера и переднее буксирное устройство
Номер и кронштейн задних фанарей
Задний бампер и сцепное устройство
Брызговики
Седельное устройство 4x2
Седельное устройство 6x4, 6x6, 8x4
Передняя подвеска 4x2, 6x2, 6x4
Передняя подвеска 8x4
Задняя подвеска 4х2
Балансирная подвеска 6x4, 8x4
Передний стабилизатор поперечной устройвости и амортизатор 4x2, 6x4
Передний стабилизатор поперечной устройвости и амортизатор 8x4
Задний амортизатор 4x2
Задний стабилизатор 4x2
Сцепление с диском Ф420 (Ф420 сцепление к WD615.62/87 двигателю, Ф420В сцепление к WD615.69 двигателю)
Cцепление с диском Ф430
Cистема управления сцеплением
Коробка передач
Картер сцепления и корпус коробки передач Fuller
Промежуточный вал и шестерня Fuller
Вторичный вал, втулка и шестерня Fuller
Вал заднеого хода и шестерня Fuller
Первичный вал и шестерня Fuller
Механизм переключения передач Fuller
Механизм управления переключением передач двойной Н Fuller
Шестерня привода вспомогательной коробка передач Fuller
Выходной вал вспомогательной коробка передач Fuller
Сихронизатор Fuller
Промежуточный вал вспомогательной коробки передач Fuller
Задняя крышка в сборе Fuller
Пневмоцилиндр переключения передач в сборе Fuller
Коробка передач,сцепление и тормоз Fuller
Пневмопровод клапана управления коробки передач Fuller
Регулировочный клапан Fuller
Пнемопривод механизма переключения коробки передач Fuller
Механизм управления сцеплением и тормозом Fuller
Пневмопривод коробки передач,сцепления и тормоза Fuller
Корпус коробки передач S6—120
Первичный вал, промежуточный вал и шестерни S6-120
Вторичный вал S6-120
Задняя крышка S6-120
Вилка переключения передач S6-120
Боковая крышка и механизм переключения передач S6-120
Корпус коробки передач ZF
Картер сцепления ZF
Первичный вал, промежуточный вал и шестерня ZF
Вторичный вал,синхронизатор и шестерня ZF
Вилка переключения передач ZF
Крышка переключения передач ZF
Механизм переключения передач коробки передач ZF
Пневмоуправление вспомогательной коробки коробки передач ZF
Корпус вспомогательной коробки коробки передач ZF
Шестерня вспомогательной коробки передач ZF
Механизм переключения вспомогательной коробки передач ZF
Задняя крышка коробки передач ZF
Механизм управления переключением коробки передач
Кронштейн коробки передач
Вал привода заднего моста
Промежуточный приводный вал
Передняя ось в сборе
Передняя балка с поворотным механизмом 8x4
Тормоз жесткого переднего моста
Поперечная тяга рулевого механизма жесткого переднего моста
Балка переднего ведущего моста
Механизм привода переднего ведущего моста
Бортовой планетарный редуктор переднего ведущего моста
Поворотный кулак переднего ведущего моста
Тормоз переднего ведущего моста
Механизм централизованной подачи воздуха
4x4, 6x6 Поперечная тяга рулевого механизма
Корпус раздаточной коробки
Корпус раздаточной коробки с межосевым дифференциалом VG1200
Крышка раздаточной коробки
Крышка раздаточной коробки с блокировкой
Система шестерен раздаточной коробки
Система шестерен раздатки с блокировкой
Подвеска раздаточной коробки
Механизм переключения передач раздатки
Пневматическая система переключения передач раздатки
Коробка отбора мощности
Пневмопривод КОМ
Задний ведущий мост в сборе
Картер задного моста
Картер среднего моста
Механизм привода заднего моста
Механизм привода среднего моста
Задний тормоз
Задний тормоз
Задний ведущий мост в сборе HOWO
Картер заднего моста HOWO
Картер среднего моста HOWO
Механизм привода заднего моста HOWO
Механизм привода среднего моста HOWO
Тормоз заднего моста
Механизм привода рулевого управления
Гидроусилитель рулевого механизма 4x2, 6x4
Гидроусилитель рулевого механизма 6x2
Гидроусилитель рулевого механизма 8x4
Рулевая тяга 4x2, 6x2, 6x4
Рулевая тяга 8x4
Устройство привода тормозов из кабины
Тормозные агрегаты передней части шасси
Тормозные агрегаты задней части шасси
Соединительные элементы трубопровода
Соединительные элементы трубопровода
Соединительные элементы трубопровода
Схема привода межколесной блокировки диффренциала
Схема привода блокировки диффренциала 2 мостов STEYR
Схема привода блокировки диффренциала 1 мостов
Схема подключения пневматического сигнала
Схема подключения верхнего звукового сигнала низких частот
Смеха пневмопривода сцепления и тормоза
Крепление ресивера селельного тягача I
Крепление ресивера автомобиля-тягача I
Крепление ресивера седельного тягача II
Крепление ресивера 20Л
Крепление ресивера седельного тягача III
Комбинированная панель приборов главной элетрической цепи CAN
Бравый блок управления, реле и предохранитель
Панель переключателей и прикуриватель
Электрооборудование кабины
Электрооборудование кабины
Пучки проводов электропроводки
Осветительные приборы
Акуммулятор и выключатель массы
Отсек для акуммулятора
Кроштейн запасного колеса
Колесо и шина
Инструменты
Краткое описание балансирной подвески NS-07
Схема заднего навесного устройства балансирной подвески NS-07
Схема соединения балансирной подвески NS-07 и V-образного реактивного рычага
Схема балансирной подвески NS-07 и оси в сборе
Схема заднего стабилизатора балансирной подвески NS-07 в сборе
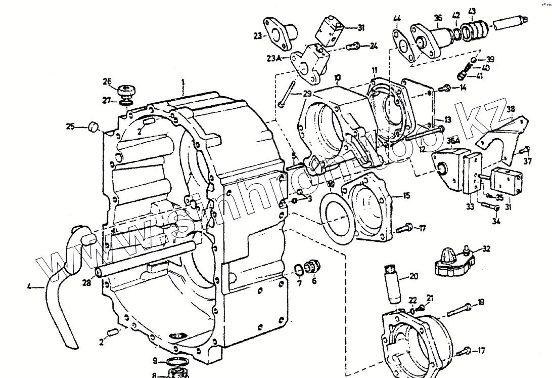
1F7120.700107
1
2
3
4
5
6
7
8
9
10
11
12
13
14
15
16
16
17
17
17
18
19
20
21
22
25
26
27
28
36
39
40
41
42
43
44
44
Позиция на иллюстрации
Заводской номер детали
Название детали
1F7120.700107
1F7120.700107
Раздаточная коробка
1
199114250110
Картер
2
Q5211020
Цилиндрическая шпилька
3
190003989481
Заглушка
4
199114250060
Всасывающая трубка
5
Q218B0625
винт
6
190003962038
Болт
7
190003098026
Прокладка
8
1586330015
магнитная заглушка в сборе
9
190003098138
Прокладка
10
199014250108
Крышка
11
179200250136
Крышка
12
Q150B10100
болт
13
1-99-916-002
Крышка
14
Q150B1216
регулировочная шайба
15
199014250126
Крышка
16
1680М250030
Регулировочная шайба
16
1680М250031
Регулировочная шайба
17
Q150B1030
болт
17
Q150B1035
Болт
18
199114250043
Крышка
19
Q150B1055
болт
20
199114250112
Втулка
21
13809220073
Болт
22
Q40308
Пружинная шайба
25
190003961903
Фиксирующая крышка
26
199000410120
Вентиляционный патрубок
27
190003098026
Прокладка
28
199114250242
Трубка
36
1880250069
фланец
39
190003330183
Шарик
40
12700240011
пружина
41
12700240049
запорная головка
42
1680250092
уплотняющее кольцо
43
1480240027
защитный кожух
44
1880250080
регулировочная шайба
44
1880250081
регулировочная шайба
46
199114250101
Слой масла
47
Q40008
Шайба
48
Q33208
Стопорная гайка
Содержащиеся в справочниках-каталогах запасные части и детали не предлагаются к продаже, а носят исключительно информационный характер
Дополнительная информация
×
Название:
Номер:
Примечание: