Каталог запасных частей к технике: HOWO Howo cnhtc-huaxin. Гидроусилитель рулевого механизма 4x2, 6x4
1
1
1
2
2
2
3
4
5
6
7
8
9
10
10
11
11
12
13
13
13
15
16
17
18
19
20
21
22
23
24
26
26
26
26
27
28
29
29
30
31
32
33
34
34
35
36
36
36
37
38
39
40
41
42
42
42
43
44
44
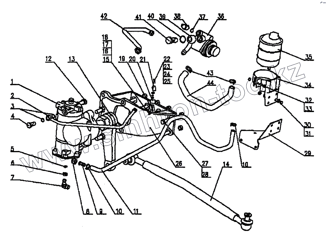
| Позиция на иллюстрации | Заводской номер детали | Название детали | |
|---|---|---|---|
| 1 | AZ9719470228 | рулевой механизм ZF8098 | |
| 1 | AZ9100470225 | рулевой механизм ZF8095 | |
| 1 | WG9716470150 | Рулевой механизм 2f8098 | |
| 2 | AZ9719470029 | гидрошланг в сборе | |
| 2 | AZ9725470229 | гидрошланг в сборе | |
| 2 | AZ9716470050 | гидрошланг в сборе | |
| 3 | Т071800 | Прокладка | |
| 4 | 190003962632 | Пустотелый болт | |
| 5 | 252-3407054 | Прокладка | |
| 6 | 252-3407055 | Гайка | |
| 7 | 252-3407056 | Штуцер | |
| 8 | 190003883242 | Гайка | |
| 9 | WG9100470078 | Штуцер | |
| 10 | 190003989336 | Хомут | |
| 11 | WG9725470050 | Резиновый шланг | |
| 11 | AZ9716470060 | резиновый шланг с волокн.прослойкой | |
| 17017470015 | 17017470015 | Пружинное защитное кольцо | |
| 12 | Q151B2045TF2 | болт | |
| 13 | WG9719470020 | Рулевая сошка | |
| 13 | WG9725470298 | Рулевая сошка | |
| 13 | WG9716470020 | Рулевая сошка | |
| 15 | Q150B0630 | болт | |
| 16 | Q340B06 | гайка | |
| 17 | Q40206 | Шайба | |
| 18 | Q40306 | Пружинная шайба | |
| 19 | 1397 350169 | Уголок | |
| 20 | 190003489292 | Втулка | |
| 21 | Q68225 | Хомут | |
| 22 | Q150B0620 | болт | |
| 23 | Q340B06 | гайка | |
| 24 | Q40306 | Пружинная шайба | |
| 26 | AZ9731470020 | кронштейн рулевого механизма | |
| 26 | AZ9725470295 | кронштейн рулевого механизма | |
| 26 | AZ9725470238 | кронштейн рулевого механизма (прав.руль) | |
| 27 | Q151B1660TF2 | болт | |
| 28 | 190003888627 | Гайка | |
| 29 | AZ9725470020 | кронштейн в сборе | |
| 29 | AZ9725470025 | кронштейн в сборе | |
| 30 | Q151B1020 | болт | |
| 31 | Q33210 | Гайка | |
| 32 | Q150B0835 | болт | |
| 33 | Q33208 | Стопорная гайка | |
| 34 | AZ9100470040 | кронштейн бачка гидросистемы в сборе | |
| 34 | AZ9100470049 | кронштейн в сборе | |
| 35 | WG9719470033 | Бачок гидравлической жидкости рулевого управления | |
| 36 | WG9719470037 | Гидравлический насос | |
| 36 | WG9619470080 | Гидравлический насос | |
| 36 | WG9631470060 | Гидравлический насос | |
| 36а | 161800130047 | Прокладка | |
| 36b | Q218B1025 | Внут. болт | |
| 36с | Q218B1035 | винт | |
| 37 | Т071800 | Прокладка | |
| 38 | WG9100470110 | Болт | |
| 39 | WG9100470076 | Прокладка | |
| 40 | 190003098031 | Прокладка | |
| 41 | 190003962651 | Пустотелый болт | |
| 42 | WG9100470107 | Шланг высокого давления | |
| 42 | WG2032470140 | Шланг высокого давления | |
| 42 | AZ9716470070 | шланг высокого давления | |
| 43 | 190003989301 | Хомут | |
| 44 | WG9725470120 | Шланг | |
| 44 | AZ9725470175 | фасонный шланг | |
| 44а | AZ9725470084 | защитное кольцо пружины | |
| 44b | AZ9123360300 | защитный чехол |
Содержащиеся в справочниках-каталогах запасные части и детали не предлагаются к продаже, а носят исключительно информационный характер