Вернуться на главную
Поиск
Каталоги запчастей к технике
Грузовые автомобили и прицепы
HOWO
Howo
Задняя подвеска кабины
Каталог запасных частей к технике: HOWO Howo. Задняя подвеска кабины
zoom-in
zoom-out
enlarge
shrink
circle-right
circle-left
file-text2
info
cart
Тип техники
Не выбрано
Легковые автомобили
Грузовые автомобили и прицепы
Автобусы
Сельхозтехника
Спецтехника
Двигатели
Мототехника
Марка
Не выбрано
BAW
DAF
DongFeng
FAW
Foton
HOWO
Hyundai
IVECO
JAC Motors
LGMG
MAN
Shaanxi
SITRAK
Studebaker
Tata
Volvo
Автокомпонент Плюс
БелАЗ
Брянский Арсенал
ГАЗ
ЗИЛ
КАЗ
Камский автозавод
КрАЗ
Мадара
МАЗ
МЗКТ
МоАЗ
Нефтекамский автозавод
Ставропольский Завод АвтоПрицепов
ТАТРА
Тонар
УралАЗ
ЧМЗАП
Модель
Не выбрано
Howo
Howo A7 8x4
Howo cnhtc-huaxin (2010)
Sinotruck (полный)
Sinotruk 4x2 Tractor (371)
Sinotruk 6x4 Tipper (290)
Sinotruk 6x4 Tipper (336)
Sinotruk 6x4 Tipper (371)
Sinotruk 6x4 Tractor (371)
Sinotruk 6x6 Tipper (336)
Sinotruk 8x4 Tipper (336)
Sinotruk 8x4 Tipper (371)
ZZ3327N3647C-N2WA
Схема
>
Не выбрано
Кабина
Корпус кабины
Передняя подвеска кабины
Задняя подвеска кабины
Механизм опрокидывания
Звукоизоляция длинной кабины и с высокой крышей
Звукоизоляция стандартной кабины
Внутренняя отделка стенок кабины
Кожух двигателя и коврики длинной кабины с высокой крышей
Кожух двигателя и коврики стандартной кабины
Звукоизоляция пола кабины
Стекла
Оборудование омывателя ветрового стекла
Стеклоочистители ветрового стекла
Приборная панель
Приборная панель
Приборная панель
Внутренняя отделка крыши
Люк
Дверь, стекло
Дверь, стекло
Дверной замок
Сиденья, ремень безопасности
Спойлер
Спойлер
Обогреватель кабины
Кондиционер
Зеркало заднего вида
Зеркало нижнего обзора, бордюрное зеркало
Противосолнечный козырек
Противосолнечный козырек полка для стандартной и длинной кабины
Спальная полка кабины с высокой крышей
Спальная полка для длинной кабины
Задний брызговик тягача
Передняя крышка
Боковая крышка, стойка декоративная
Брызговик и подножка
Брызговик
Декоративная решетка
Платформа
Подвеска двигателя
Картер
Картер шестерен, картер маховика
Коленчатый вал, маховик
Поршень и шатун
Крышка цилиндра
Клапанный механизм
Маслозаливная трубка
Маслоотделитель
Масляный насос
Масляный насос, масляный фильтр
Масляный поддон
Выпускной коллектор
Топливный насос, топливные трубопроводы
Топливные линии
Муфта топливного насоса
Система холодного запуска
Впускной воздушный коллектор
Топливный бак 350л
Топливный бак 200л
Воздушный фильтр
Выхлопная система
Водяной насос, вентилятор
Водяной насос
Система охлаждения
Картер
Крышка шестерен, картер маховика
Коленчатый вал, маховик
Шатун, поршень
Крышка цилиндра
Клапаны, механизм газораспределения
Масляный насос и масляный фильтр
Масляный поддон
Выпускной коллектор
Топливный насос, топливные трубопроводы
Топливные линии
Система холодного запуска
Впускной коллектор
Система охлаждения
Сцепление 420мм
Сцепление 430мм
Управление сцеплением
Управление сцеплением
Коробка передач
Картер сцепления картер коробки передач
Промежуточный вал, шестерни КПП
Главный вал и шестерни КПП
Шестерня заднего хода КПП
Вал сцепления КПП
Водило шестерен КПП
Управление переключением двойного Н (повышенные и пониженные передачи) КПП
Ведущая шестерня КПП
Выходной вал КПП
Синхронизатор КПП
Промежуточный вал КПП
Задняя крышка КПП
Цилиндр переключения в сборе КПП
Тормоз сцепления КПП
Пневмопереключатель КПП
Воздушный распределительный клапан КПП
Воздушные трубопроводы КПП
Управление тормозом сцепления КПП
Воздушные трубопроводы тормоза сцепления КПП
Двойной рычаг управления переключением двойного Н (повышенные/пониженные передачи) КПП (опция)
Картер КПП S6-120
Входной вал, промежуточный вал КПП S6-120
Главный вал, синхронизаторы КПП S6-120
Задняя крышка КПП S6-120
Вилки переключения КПП S6-120
Крышка вала и механизм переключения КПП S6-120
Картер коробки передач 5S-111GP, 5S-150GP, 4S-130GP
Картер сцепления КПП ZF
Входной вал, промежуточный вал и шестерни КПП 5S-111GP, 5S-150GP, 4S-130GP
Главный вал и шестерни КПП 5S-111GP, 5S-150GP, 4S-130GP
Вилки переключения КПП 5S-111GP, 5S-150GP, 4S-130GP
Крышка механизма переключения КПП 5S-111GP, 5S-150GP, 4S-130GP
Механизм переключения КПП 5S-111GP, 5S-150GP, 4S-130GP
Пневмосистема механизма переключения КПП 5s-111gr 5S-150GP, 4S-130GP
Картер механизма переключения КПП 5S-111GP, 5S-150GP, 4S-130GP
Шестерни КПП 5S-111GP 5S-150GP 4S-130GP
Механизм переключения КПП 5S-111GP, 5S-150GP, 4S-130GP
Задняя крышка КПП 5S-111GP, 5S-150GP 4S-130GP
Система переключения передач
Подвеска коробки передач
Картер коробки передач 9JS150T
Главный вал КПП 9JS150T
Промежуточный вал КПП 9JS150T
Вал сцепления КПП 9JS150T
Вал заднего хода КПП 9JS150T
Переключатель передач КПП 9JS150T
Блок переключения двойного Н (высшие/низшие передачи) КПП 9JS150T
Воздушный распределительный клапан
Ведущая шестерня 9JS150T
Выходной вал КПП 9JS150T
Промежуточный вал КПП 9JS150T
Задняя крышка КПП 9JS150T
Цилиндр управления КПП 9JS150T
Вспомогательное устройство для переключения К/П
Картер раздаточной коробки без блокировки дифференциала VG1200
Картер раздаточной коробки с блокировкой дифференциала VG1200
Крышка раздаточной коробки VG1200 без блокировки дифференциала
Крышка раздаточной коробки VG1200 с блокировкой дифференциала
Шестерни раздаточной коробки VG1200 без блокировки дифференциала
Шестерни раздаточной коробки VG1200 с блокировкой дифференциала
Подвеска раздаточной коробки VG1200
Управление раздаточной коробки VG1200
Клапан переключения раздаточной коробки VG1200
Карданные валы, автомобили 6x4
Карданные валы, автомобили 4x2, 6x2
Карданные валы, автомобили 6x4, 8x4
Карданные валы
Промежуточные валы
Передний мост
Передний мост 8x4
Передний ведущий мост
Передний ведущий мост
Планетарная передача переднего ведущего моста
Вилка переднего ведущего моста
Трубопроводы
Задний ведущий мост
Задний ведущий мост HOWO
Картер заднего моста STEYR
Картер заднего моста
Первый картер заднего моста
Картер первого заднего моста
Задний ведущий мост
Задний ведущий мост
Шестерни первого ведущего моста (тандемный задний мост)
Первый задний ведущий мост
Планетарный привод
Рама шасси, грузовик 6x4, 4x2
Рама шасси, тягач 4x2
Рама шасси, тягач 4x2
Рама шасси, самосвал 6x4
Рама шасси, тягач 6x4
Рама шасси, тягач 6x4
Рама шасси, тягач 6x4 с длинной базой
Рама шасси, самосвал 8x4
Рама шасси, тягач 8x4
Рама шасси, 8x2/8x4
Бампер
Кронштейн бампера, переднее буксировочное устройство
Кронштейн бампера, переднее буксировочное устройство
Задние фонари и кронштейн пластины номерного знака
Стабилизатор, амортизатор передний 4x2, 6x4
Стабилизатор и передний амортизатор
Амортизатор
Задний стабилизатор
Передняя рессора 6x4, 6x2 и 4x2
Передняя рессора
Задняя рессора 6x2
Задняя рессора 4x2
Стяжка рессоры и подвеска 6x4, 8x4
Задняя поддерживающая ось
Гидравлический механизм для поддерживающей оси 6x2
Поддерживающая подруливающая ось с пневматической подвеской и пневматической системой подъема
Пружина вращения и подвеска
Ступица колеса поддерживающей оси
Кронштейн запасного колеса
Управление рулевое
Рулевая тяга
Рулевые тяги, автомобиль 4x4, 6x6
Модуль управления
Модуль управления
Гидравлическая рулевая система 6x4, 4x2
Гидравлическая рулевая система 6x2
Гидравлическая рулевая система 8x4
Тяги рулевого механизма 6x4
Тяги рулевого механизма 8x4
Передний колесный тормоз
Передний колесный тормоз ведущего моста
Задний тормоз
Задний тормоз
Тормозной механизм в кабине
Тормозной механизм в кабине
Детали тормозной системы передней части шасси
Детали тормозной системы задней части шасси
Воздушный компрессор двигателя WD615
Воздушный компрессор двигателя WD618
Воздушный трубопровод блокировки дифференциала моста
Воздушный трубопровод блокировки дифференциала моста STEYR 6x4, 8x4
Воздушный трубопровод блокировки дифференциала моста STEYR 4x2
Воздушный трубопровод тормоза сцепления
Крепления ресивера тягача
Крепление ресивера грузовика
Крепление ресивера тягача
Крепление ресивера тягача 20л
Крепление ресивера тягача
Тормоз поддерживающей оси
Электрооборудование двигателя WD615
Электрооборудование двигателя WD618
Главный выключатель аккумулятора
Аккумуляторный ящик
Жгуты проводов
Электрическое оборудование в кабине
Электрооборудование на шасси
Освещение
Правый блок управления, реле, предохранители
Выключатели, прикуриватель
Двухтоновый пневматический звуковой сигнал
Пневматический звуковой сигнал низкого тона на крыше
Радиоприемник
Седельно-сцепное устройство, 4x2
Седельно-сцепное устройство 6x4, 6x6, 8x4
Защита сцепного устройства
Блок отбора мощности QH50
Управляющий воздушный трубопровод блока отбора мощности QH50
Ящик для инструментов в кабине с длинной и высокой крышей
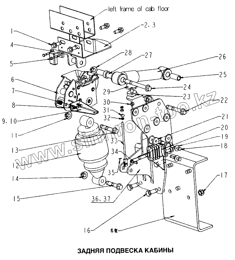
1
2
3
4
5
6
7
8
9
10
11
12
12
12
13
14
15
16
17
18
19
20
21
22
23
24
25
26
27
28
29
30
31
32
33
34
35
36
37
37
37
Позиция на иллюстрации
Заводской номер детали
Название детали
1
Q1841230
Болт
2
WG1642440С40
Верхний левый кронштейн
3
WG1642440041
Верхний правый кронштейн
4
WG1642440052
Датчик замка кабины
5
Q150В0630
Болт
6
WG1642440101
Гидравлический замок
7
Q40306
Пружинная шайба
8
Q150В0610
Болт
9
WG1642440055
Левый кронштейн
10
WG1642440056
Правый кронштейн
11
Q33014
Гайка
12
АZ1642440025
Амортизатор
12
АZ1642440027
Амортизатор
12
WG1642440028
Амортизатор
13
Q1841480
Болт
14
Q33014
Гайка
15
Q1841470
Гайка
16
Q151В1445
Болт
17
190003888458
Гайка
18
Q150В0850
Болт
19
Q40208
Шайба
20
WG1642440051
Клапан управления нагрузкой
21
АZ1642440035
Пластина
22
Q1841490
Болт
23
АZ1642430082
Шайба
24
Q18414140
Болт
25
АZ1642440032
Втулка
26
АZ1642440021
Стабилизатор
27
АZ1642440031
Втулка
28
Q33014
Гайка
29
WG1642430081
Пружинный стопор
30
Q340В10
Гайка
31
АZ1642430036
Сферическая шайба
32
Q340В06
Гайка
33
WG1642440060
Тяга
34
Q5100614
Болт
35
Q5002012
Штифт
36
АZ1642440011
Основание левого кронштейна
37
А21642440012
Основание правого кронштейна
37
АZ1642440014
Основание правого кронштейна
37
АZ1642440016
Основание правого кронштейна
38
WG1642440070
Тройник
39
WG1642440072
Шланг
Содержащиеся в справочниках-каталогах запасные части и детали не предлагаются к продаже, а носят исключительно информационный характер
Дополнительная информация
×
Название:
Номер:
Примечание: