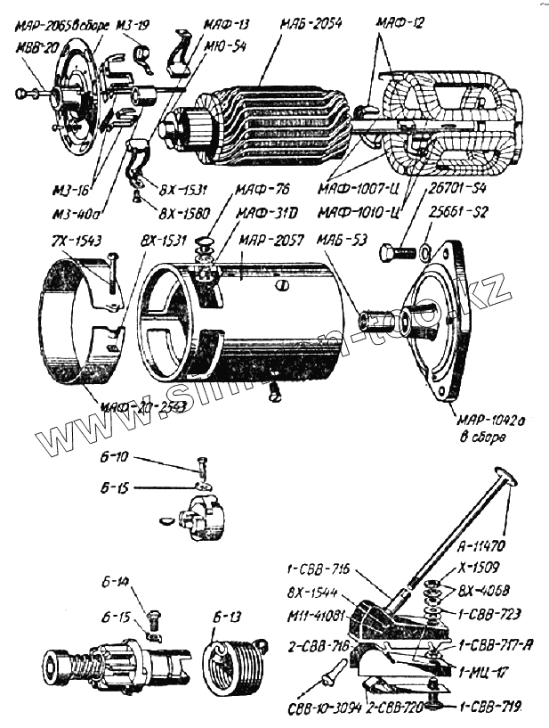
Каталог запасных частей к технике: ГАЗ-ММ "Полуторка". Стартер
2СВВ-718
МАР-2065
МАФ-20-254
Б-13
В-10
Б-15
Б-15
Б-14
1-МЦ-12
1-СВВ-716
1-СВВ-717-А
МАР-2057
1-СВВ-719
2-СВВ-720
1-СВВ-723
Х-1509
8Х-1544
СВВ-10-3094
8Х-4068
М11-41081
А-11470-С
МЮ-54
25661-S2
МАФ-12
МАФ-13
МЗ-16
МЗ-19
МВВ-20
МАФ-31D
МЗ-40а
МАБ-53
26701-S4
МАФ-76
МАФ-1007-Ц
МАФ-1010-Ц
МАР-1042а
8Х-1531
8Х-1531
7Х-1543
8Х-1580
МАБ-2054
| Позиция на иллюстрации | Заводской номер детали | Название детали | |
|---|---|---|---|
| 2СВВ-718 | 2СВВ-718 | Изоляция контактной пластины | |
| МАР-2065 | МАР-2065 | Крышка со стороны коллектора в сборе | |
| МАФ-20-254 | МАФ-20-254 | Лента защитная | |
| Б-13 | Б-13 | Пружина бендикса | |
| В-10 | В-10 | Болт крепления пружины бендикса к головке, длинный | |
| Б-15 | Б-15 | Шайба замочная болтов пружины бендикса | |
| Б-14 | Б-14 | Болт крепления пружины к валику, короткий | |
| 1-МЦ-12 | 1-МЦ-12 | Шайба изоляционная выводного болта включателя стартера | |
| 1-СВВ-716 | 1-СВВ-716 | Стержень нажимной включателя стартера | |
| 1-СВВ-717-А | 1-СВВ-717-А | Шайба изоляционная | |
| МАР-2057 | МАР-2057 | Корпус стартера в сборе | |
| 1-СВВ-719 | 1-СВВ-719 | Выводной болт | |
| 2-СВВ-720 | 2-СВВ-720 | Пластина контактная | |
| 1-СВВ-723 | 1-СВВ-723 | Шайба выводного болта | |
| Х-1509 | Х-1509 | Шайба клеммы замочная (специальная) | |
| 8Х-1544 | 8Х-1544 | Винт крепления включателя стартера | |
| СВВ-10-3094 | СВВ-10-3094 | Толкатель контактной пластины | |
| 8Х-4068 | 8Х-4068 | Гайка выводного болта | |
| М11-41081 | М11-41081 | Шайба 5Т пружинная | |
| А-11470-С | А-11470-С | Педаль стартера в сборе | |
| МЮ-54 | МЮ-54 | Шайба упорная якоря со стороны коллектора | |
| 25661-S2 | 25661-S2 | Шайба диам 3/8" пружинная | |
| МАФ-12 | МАФ-12 | Щетка изолированная стартера | |
| МАФ-13 | МАФ-13 | Щетка, соединенная на массу | |
| МЗ-16 | МЗ-16 | Щеткодержатель | |
| МЗ-19 | МЗ-19 | Пружина щетки | |
| МВВ-20 | МВВ-20 | Шпилька стяжная | |
| МАФ-31D | МАФ-31D | Втулка изоляционная контактного болта стартера | |
| МЗ-40а | МЗ-40а | Вкладыш крышки со стороны коллектора | |
| МАБ-53 | МАБ-53 | Вкладыш крышки со стороны привода | |
| 26701-S4 | 26701-S4 | Болт крепления стартера к картеру маховика | |
| МАФ-76 | МАФ-76 | Болт контактный стартера | |
| МАФ-1007-Ц | МАФ-1007-Ц | Катушки полюса в сборе, левые | |
| МАФ-1010-Ц | МАФ-1010-Ц | Катушки полюса в сборе, правые | |
| МАР-1042а | МАР-1042а | Крышка со стороны привода в сборе | |
| 8Х-1531 | 8Х-1531 | Гайка М5 | |
| 7Х-1543 | 7Х-1543 | Винт защитной ленты | |
| 8Х-1580 | 8Х-1580 | Винт крепления щетки | |
| МАБ-2054 | МАБ-2054 | Якорь стартера в сборе |
Содержащиеся в справочниках-каталогах запасные части и детали не предлагаются к продаже, а носят исключительно информационный характер