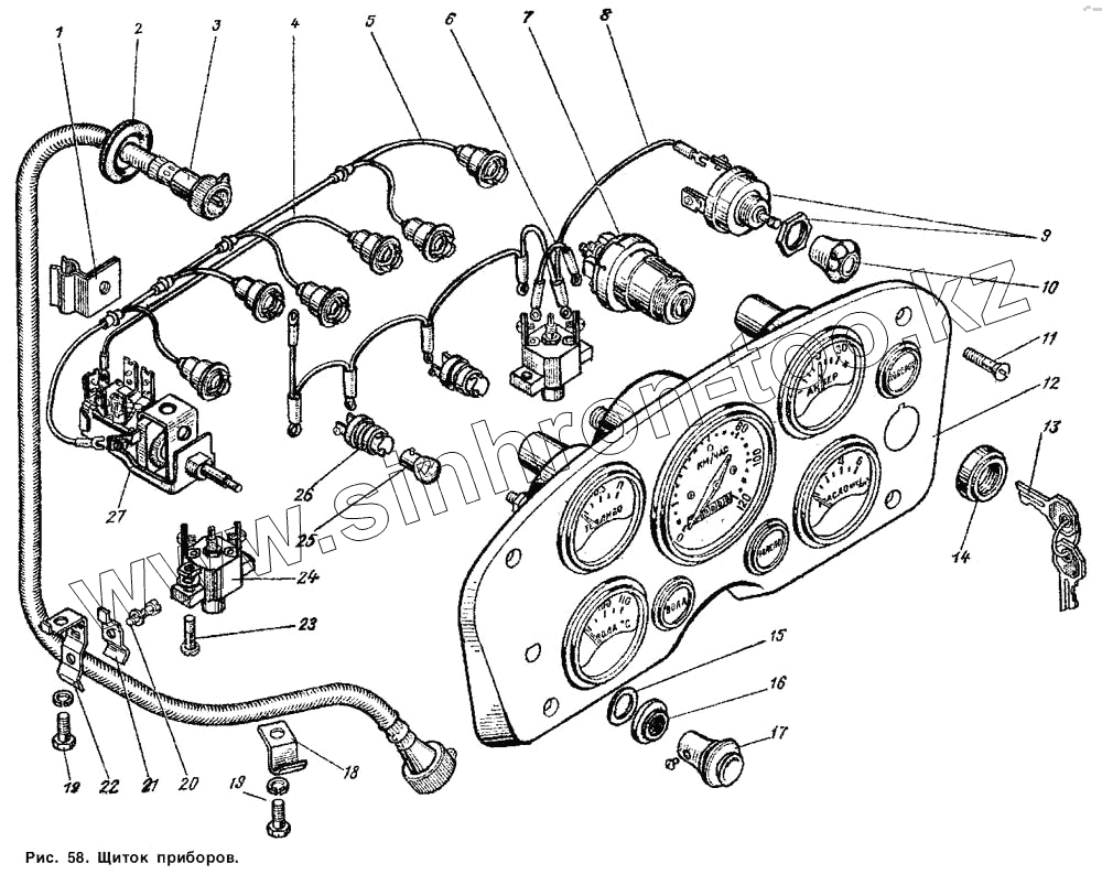
Каталог запасных частей к технике: ГАЗ-53 А. Щиток приборов
1
2
3
4
5
6
7
8
9
10
11
12
13
14
15
16
17
18
19
19
19
20
21
22
23
24
25
25
25
25
25
26
26
27
| Позиция на иллюстрации | Заводской номер детали | Название детали | |
|---|---|---|---|
| 251086-П29 | 251086-П29 | Гайка М5-6Н ОСТ 37.001.112-91 | |
| 290115-П8 | 290115-П8 | Винт М3х4 | |
| 252154-П2 | 252154-П2 | Шайба 6Л ОСТ 37.001.115-75 | |
| 252153-П2 | 252153-П2 | Шайба 5Л ОСТ 37.001.115-75 | |
| 21-3704016-Б | 21-3704016-Б | Цилиндр запорный с ключами | |
| АП110 | АП110 | Амперметр в сборе | |
| УБ126 | УБ126 | Приемник указателя уровня топлива в сборе | |
| УК145 | УК145 | Указатель температуры воды в двигателе в сборе | |
| УК130 | УК130 | Приемник указателя давления масла в сборе | |
| 21-3704099 | 21-3704099 | Кольцо для ключей выключателя зажигания | |
| СП135 | СП135 | Спидометр в сборе | |
| 1 | 53А-3802046 | Держатель пружинный гибкого вала | |
| 2 | 20-1104091 | Втулка уплотнительная | |
| 3 | 20-3802020-В | Вал привода спидометра гибкий в сборе ГВН20-В | |
| 4 | 51-3803028 | Патрон контрольной лампы дальнего света фар в сборе ПП-2А | |
| 5 | Г-52-7313000 | Патроны ламп освещения шкал приборов ПП125-Е (145737373) | |
| 6 | 21-3724035-А | Провод соединения клеммы включения зажигания и предохранителя в сборе | |
| 7 | Г-21-3704010-А5 | Выключатель зажигания с цилиндром в сборе ВК330 | |
| 8 | 53-3724111-Б1 | Провод соединения клемм питания приборов и контрольных ламп в сборе | |
| 9 | 52-70-8102090 | Переключатель мотора вентилятора отопления в сборе П119-Б | |
| 10 | 52-5205072 | Ручка переключателя | |
| 11 | 223044-П8 | Винт М5х25 | |
| 12 | 53-3801000-01 | Щиток приборов в сборе КП120 | |
| 13 | 51-3704100 | Ключ | |
| 14 | 20-3704024 | Гайка | |
| 15 | 53-3709038 | Шайба крепления центрального переключателя света | |
| 16 | 53-3709030 | Гайка крепления центрального переключателя света | |
| 17 | 53-3709051 | Ручка тяги центрального переключателя света в сборе | |
| 18 | 297480-П8 | Скоба крепления трубки | |
| 19 | 201416-П8 | Болт М6-6gх12 | |
| 19 | 201416-П8 | Болт М6-6gх12 | |
| 20 | 222525-П8 | Винт М6х16 | |
| 21 | 52-3802071 | Зажим гибкого вала спидометра | |
| 22 | 52-3802042 | Кронштейн крепления гибкого вала спидометра к щитку передка | |
| 23 | 224601-П29 | Винт М5-6gх18 | |
| 24 | ПР2-Б | Предохранитель на 20А | |
| 25 | А12-1 | Лампа | |
| 25 | А12-1 | Лампа | |
| 25 | А12-1 | Лампа | |
| 25 | А12-1 | Лампа | |
| 25 | А12-1 | Лампа | |
| 26 | 21-3803025-01 | Патрон контрольной лампы аварийного давления масла в сборе ПД20-100-А | |
| 26 | 21-3803025-01 | Патрон контрольной лампы аварийного давления масла в сборе ПД20-100-А | |
| 27 | 53А-3709010 | Переключатель света центральный П312 |
Содержащиеся в справочниках-каталогах запасные части и детали не предлагаются к продаже, а носят исключительно информационный характер