Каталог запасных частей к технике: ГАЗ-53 А. Пусковое оборудование
1
2
3
4
5
5
6
7
8
9
10
11
11
11
12
13
14
15
16
17
18
19
20
21
22
23
24
24
25
26
27
28
29
30
31
32
33
34
35
36
37
38
38
38
38
39
40
41
42
43
44
45
46
47
48
49
50
51
52
53
53
53
54
55
56
57
58
59
60
61
62
63
64
65
66
67
68
69
70
71
72
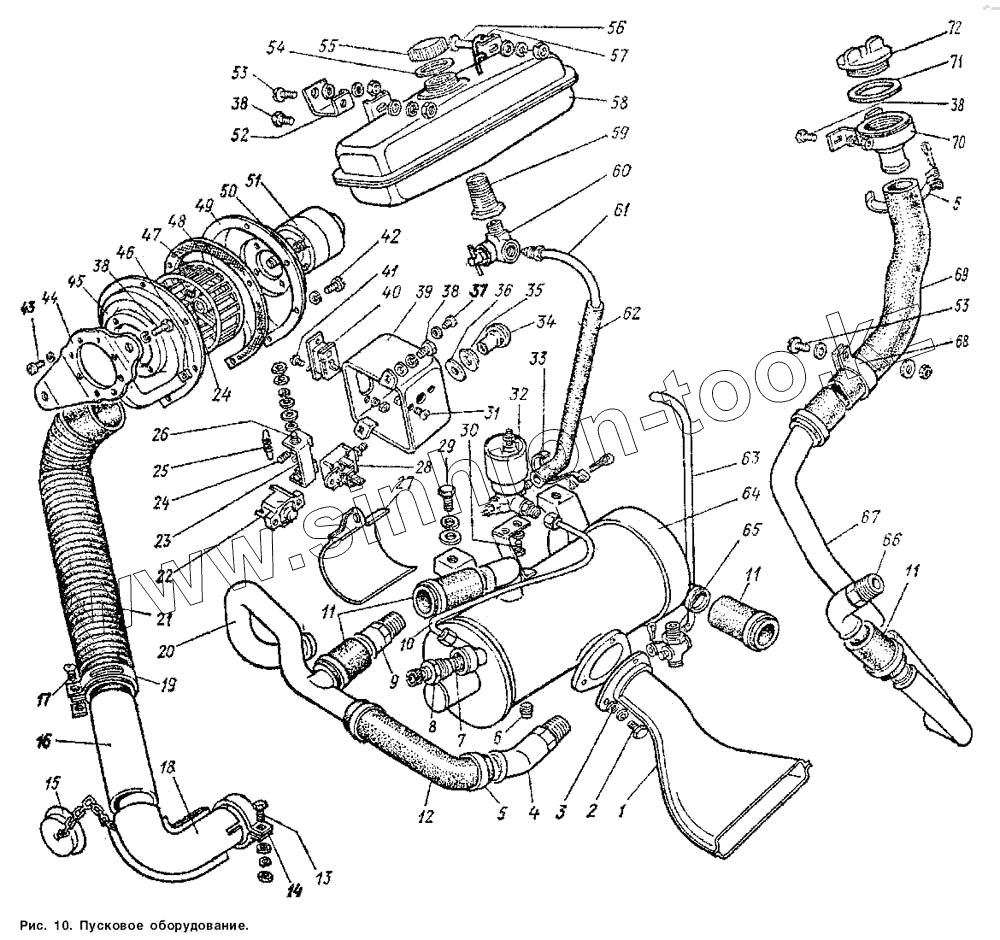
| Позиция на иллюстрации | Заводской номер детали | Название детали | |
|---|---|---|---|
| 53А-1015450 | 53А-1015450 | Бачок топливный пускового подогревателя с пробкой в сборе | |
| 251082-П29 | 251082-П29 | Гайка М4-6Н ОСТ 37.001.112-91 | |
| 251086-П29 | 251086-П29 | Гайка М5-6Н ОСТ 37.001.112-91 | |
| 250508-П29 | 250508-П29 | Гайка М6-6Н ОСТ 37.001.124-93 | |
| 250508-П29 | 250508-П29 | Гайка М6-6Н ОСТ 37.001.124-93 | |
| 250608-П29 | 250608-П29 | Гайка М6-6Н ОСТ 37.001.124-93 | |
| 250508-П29 | 250508-П29 | Гайка М6-6Н ОСТ 37.001.124-93 | |
| 53А-1015027 | 53А-1015027 | Горловина заливная подогревателя с пробкой в сборе | |
| 53-1015582 | 53-1015582 | Корпус контрольной спирали со спиралью в сборе | |
| 297580-П29 | 297580-П29 | Пряжка | |
| 297580-П29 | 297580-П29 | Пряжка | |
| 53А-1015346 | 53А-1015346 | Труба воздухоподводящая подогревателя со шлангом в сборе | |
| 53А-1015412 | 53А-1015412 | Трубка топливного бачка пускового подогревателя со шлангом в сборе | |
| 252002-П29 | 252002-П29 | Шайба 4 ОСТ 37.001.144-96 | |
| 252004-П29 | 252004-П29 | Шайба 6 ОСТ 37.001.144-96 | |
| 252037-П29 | 252037-П29 | Шайба 6 ОСТ 37.001.144-96 | |
| 252004-П29 | 252004-П29 | Шайба 6 ОСТ 37.001.144-96 | |
| 293277-П29 | 293277-П29 | Шайба 8,5 | |
| 293280-П29 | 293280-П29 | Шайба 9 | |
| 53-1015597 | 53-1015597 | Шайба изолирующая | |
| 53-1015599 | 53-1015599 | Шайба изолирующая малая | |
| 252152-П29 | 252152-П29 | Шайба 4Л | |
| 252134-П9 | 252134-П9 | Шайба пружинная диам. 6 | |
| 252154-П29 | 252154-П29 | Шайба 6Л ОСТ 37.001.115-75 | |
| 252134-П29 | 252134-П29 | Шайба пружинная диам. 6 | |
| 252135-П29 | 252135-П29 | Шайба 8Т | |
| 258001-П29 | 258001-П29 | Шплинт 1,6х12 ОСТ 37.001.171-93 | |
| 258025-П29 | 258025-П29 | Шплинт 2,5х20 ОСТ 37.001.171-93 | |
| 297575-П29 | 297575-П29 | Шплинт 5,6х22 | |
| 297575-П29 | 297575-П29 | Шплинт 5,6х22 | |
| 53-1015545 | 53-1015545 | Электровентилятор пускового подогревателя с кронштейном в сборе | |
| 1 | 53-1015035-А | Патрубок газоотводящий подогревателя в сборе | |
| 2 | 201417-П29 | Болт М6-6gх14 ОСТ 37.001.123-96 | |
| 3 | 252004-П29 | Шайба 6 ОСТ 37.001.144-96 | |
| 4 | 53-1015066 | Штуцер подводящий пускового подогревателя правый | |
| 5 | 297586-П29 | Лента 10х290 | |
| 6 | 262542-П29 | Пробка КГ 1/4" | |
| 7 | СР-65А | Свеча горелки подогревателя | |
| 8 | ОВ65-0822 | Гайка поджимная свечи подогревателя | |
| 9 | 53-1015085-А | Штуцер подводящий пускового подогревателя левый | |
| 10 | 53А-1015418-01 | Трубка бензопровода подогревателя в сборе | |
| 11 | 69-1015048-01 | Шланг трубы котла пускового подогревателя | |
| 12 | 53-1015048-01 | Шланг подводящей трубы пускового подогревателя | |
| 13 | 201422-П29 | Болт М6-6gх25 ОСТ 37.001.123-96 | |
| 14 | 53-1015349 | Хомут крепления воздухоподводящего патрубка подогревателя | |
| 15 | 53-1015342 | Крышка воздухопроводящего патрубка пускового подогревателя | |
| 16 | 53А-1015347 | Труба воздухоподводящая пускового подогревателя | |
| 17 | 220086-П29 | Винт М5-6gх30 ОСТ 37.001.127-81 | |
| 18 | 53А-1015339 | Патрубок воздухоподводящий подогревателя в сборе | |
| 19 | 288014-П29 | Хомут 48 | |
| 20 | 53-1015076-01 | Труба подводящая в сборе | |
| 21 | 52-8101436-01 | Шланг | |
| 22 | ПР2-Б | Предохранитель на 20А | |
| 23 | 53-1015585 | Корпус контрольной спирали пульта управления | |
| 24 | 242471-П29 | Винт М5-6gх12 ОСТ 37.001.132-82 | |
| 24 | 242469-П29 | Винт М5-6gх8 | |
| 25 | 53-1015590 | Спираль контрольная пульта управления | |
| 26 | 53-1015593 | Болт крепления контрольной спирали | |
| 27 | 53-1015069 | Экран нижнего шланга подводящей трубы пускового подогревателя | |
| 28 | 20-3709010-Б2 | Переключатель электровентилятора и электромагнитного клапана в сборе П305 | |
| 29 | 201457-П29 | Болт М8-6gх22 ОСТ 37.001.123-96 | |
| 30 | 375-1015739 | Болт М6х9 | |
| 31 | 220081-П29 | Винт М5-6gх18 ОСТ 37.001.127-81 | |
| 32 | ПЖБ12-1015500-В | Клапан электромагнитный в сборе | |
| 33 | 297581-П29 | Лента 10х160 | |
| 34 | 51-3709051-Б | Ручка | |
| 35 | 21-3709030 | Гайка | |
| 36 | 21-3709038 | Шайба прокладочная | |
| 37 | 220048-П29 | Винт М4-6gх6 | |
| 38 | 201416-П29 | Болт М6-6gх12 ОСТ 37.001.123-96 | |
| 38 | 201416-П29 | Болт М6-6gх12 ОСТ 37.001.123-96 | |
| 38 | 201416-П29 | Болт М6-6gх12 ОСТ 37.001.123-96 | |
| 38 | 201418-П29 | Болт М6-6gх16 ОСТ 37.001.123-96 | |
| 39 | 53-1015575-01 | Корпус пульта управления пусковым подогревателем в сборе | |
| 40 | Г-66-3714190 | Выключатель свечи накаливания пускового подогревателя ВК-57 | |
| 41 | 220051-П29 | Винт М4-6gх10 ОСТ 37.001.127-81 | |
| 42 | 224570-П29 | Винт М4-6gх8 ОСТ 37.001.130-81 | |
| 43 | 224570-П29 | Винт М4-6gх8 ОСТ 37.001.130-81 | |
| 44 | 52-1015555-01 | Кронштейн электровентилятора | |
| 45 | 30-8102020 | Крышка корпуса вентилятора в сборе | |
| 46 | 251082-П29 | Гайка М4-6Н ОСТ 37.001.112-91 | |
| 47 | 81Щ-8102030 | Ротор вентилятора в сборе | |
| 48 | 30-8102026 | Прокладка | |
| 49 | 30-8102016 | Корпус вентилятора | |
| 50 | 30-5303045 | Буфер | |
| 51 | 66-8102080 | Электромотор вентилятора пускового подогревателя МЭ202 | |
| 52 | 53А-1015499 | Кронштейн переходный крепления топливного бачка подогревателя | |
| 53 | 290502-П29 | Болт М6-6gх14 | |
| 53 | 290502-П29 | Болт М6-6gх14 | |
| 54 | 53-1015479-А | Прокладка пробки топливного бачка подогревателя | |
| 55 | 53-1015468 | Пробка топливного бачка подогревателя | |
| 56 | 210360-П29 | Болт М6-6gх30 | |
| 57 | 53-1015498 | Втулка переходная крепления топливного бачка подогревателя | |
| 58 | 53А-1015455 | Бачок топливный подогревателя в сборе | |
| 59 | 53-1015480-А | Фильтр бачка со штуцером в сборе | |
| 60 | ВП5 | Краник топливного бачка подогревателя | |
| 61 | 49Б-1015410 | Трубка топливного бачка пускового подогревателя | |
| 62 | 63-1013101-А2 | Шланг | |
| 63 | 53-1305025-Б | Рычаг управления краником подогревателя | |
| 64 | 53А-1015010-04 | Подогреватель в сборе | |
| 65 | ПС7-11 | Краник сливной | |
| 66 | 53-1015082 | Штуцер отводящий | |
| 67 | 53А-1015055 | Труба заливная подогревателя с отводящей трубой в сборе | |
| 68 | 53А-1015374 | Держатель шлангов | |
| 69 | 53А-1015063-01 | Шланг заливной горловины пускового подогревателя | |
| 70 | 53А-1015050 | Горловина заливная подогревателя в сборе | |
| 71 | 51-3909083-Б | Прокладка пробки бачка | |
| 72 | 53А-1015064 | Пробка фланца заливной горловины |
Содержащиеся в справочниках-каталогах запасные части и детали не предлагаются к продаже, а носят исключительно информационный характер