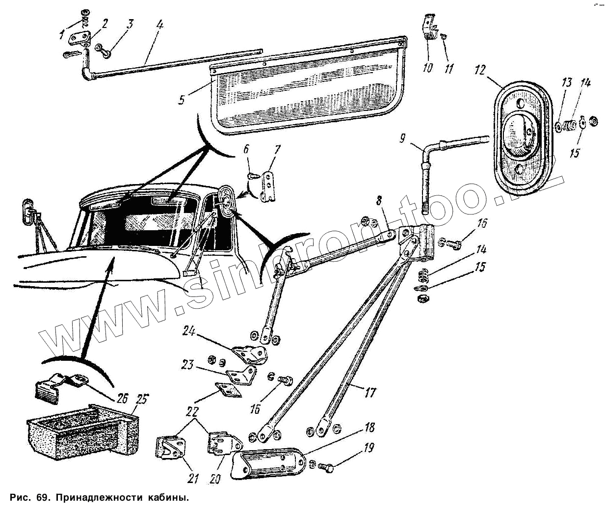
Каталог запасных частей к технике: ГАЗ-53 А. Принадлежности кабины
1
2
3
4
5
6
7
8
9
10
11
12
13
14
14
15
15
16
16
17
18
19
20
21
22
23
24
25
26
| Позиция на иллюстрации | Заводской номер детали | Название детали | |
|---|---|---|---|
| 293264-П | 293264-П | Шайба 8 | |
| 250615-П8 | 250615-П8 | Гайка М12х1,25 | |
| 258012-П29 | 258012-П29 | Шплинт 2х12 ОСТ 37.001.171-93 | |
| 252135-П2 | 252135-П2 | Шайба 8Т ОСТ 37.001.115-75 | |
| 252154-П29 | 252154-П29 | Шайба 6Л ОСТ 37.001.115-75 | |
| 252273-П29 | 252273-П29 | Шайба 5 ОСТ 37.001.146-75 | |
| 293271-П29 | 293271-П29 | Шайба 8 | |
| 53-8201520 | 53-8201520 | Стойка зеркала заднего вида складная правая в сборе | |
| 53-8201412 | 53-8201412 | Стойка зеркала заднего вида с кронштейнами правая в сборе | |
| 53-8201413 | 53-8201413 | Стойка зеркала заднего вида с кронштейнами левая в сборе | |
| 52-8203010 | 52-8203010 | Пепельница в сборе | |
| 66-8204030 | 66-8204030 | Кронштейн противосолнечного козырька в сборе | |
| 53-8201466 | 53-8201466 | Кронштейн оси зеркала заднего вида со стойками правый в сборе | |
| 66-8204010 | 66-8204010 | Козырек противосолнечный с кронштейном в сборе | |
| 66-8204012 | 66-8204012 | Козырек противосолнечный в сборе | |
| 66-8201416-А | 66-8201416-А | Зеркало заднего вида с осью в сборе | |
| 250610-П29 | 250610-П29 | Гайка М8-6Н ОСТ 37.001.124-93 | |
| 1 | 30-8204046 | Пружина оси противосолнечного козырька | |
| 2 | 52-8204032 | Кронштейн противосолнечного козырька | |
| 3 | 201416-П29 | Болт М6-6gх12 ОСТ 37.001.123-96 | |
| 4 | 66-8204036 | Ось противосолнечного козырька в сборе | |
| 5 | 66-8204090 | Основание противосолнечного козырька в сборе | |
| 6 | 240618-П8 | Винт 4х12 | |
| 7 | 52-8207110 | Крючок для одежды | |
| 8 | 53-8201521-10 | Стойка зеркала заднего вида складная левая в сборе | |
| 9 | 66-8201452 | Ось зеркала заднего вида | |
| 10 | 66-8204132 | Фиксатор противосолнечного козырька | |
| 11 | 240836-П29 | Винт 5х12 ОСТ 37.001.188-81 | |
| 12 | 66-8201418-А | Зеркало заднего вида в сборе | |
| 13 | 51Б-3816158 | Шайба 10 | |
| 14 | 66-01-8201458 | Пружина оси зеркала заднего вида | |
| 15 | 66-8201456 | Шайба стопорная | |
| 16 | 201458-П29 | Болт М8-6gх25 ОСТ 37.001.123-96 | |
| 17 | 53-8201467 | Кронштейн оси зеркала заднего вида со стойками левый в сборе | |
| 18 | 53-8201580 | Кронштейн крепления стоек наружный | |
| 19 | 201457-П29 | Болт М8-6gх22 ОСТ 37.001.123-96 | |
| 20 | 53-8201576 | Кронштейн крепления задней стойки внутренний | |
| 21 | 53-8201570 | Кронштейн крепления передней стойки внутренний | |
| 22 | 53-8201590 | Прокладка кронштейнов | |
| 23 | 53-8201560 | Кронштейн крепления складной стойки внутренний правый | |
| 24 | 53-8201566 | Кронштейн крепления складной стойки наружный правый | |
| 25 | 52-8203014 | Пепельница | |
| 26 | 52-8203018 | Пружина пепельницы |
Содержащиеся в справочниках-каталогах запасные части и детали не предлагаются к продаже, а носят исключительно информационный характер