Каталог запасных частей к технике: ГАЗ-53 А. Дверь
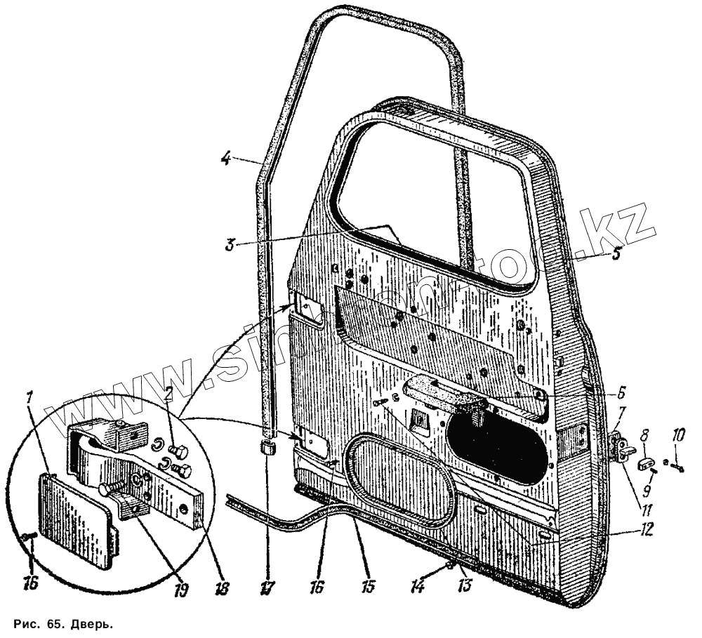
1
2
3
4
5
6
7
8
9
10
11
12
13
14
15
16
16
17
18
18
19
| Позиция на иллюстрации | Заводской номер детали | Название детали | |
|---|---|---|---|
| 252156-П2 | 252156-П2 | Шайба 10Л ОСТ 37.001.115-75 | |
| 52-6100019 | 52-6100019 | Дверь бондеризованная грунтованная левая в сборе | |
| 252214-П8 | 252214-П8 | Шайба 6,3 | |
| 252174-П29 | 252174-П29 | Шайба 2-6 ОСТ 37.001.145-75 | |
| 52-6107013-А | 52-6107013-А | Уплотнитель проема двери левый | |
| 52-6101050 | 52-6101050 | Прокладка крышки монтажного люка двери | |
| А163-6106000 | А163-6106000 | Петля двери левая в сборе | |
| А163-6106000 | А163-6106000 | Петля двери левая в сборе | |
| 52-6101470 | 52-6101470 | Крышка монтажного люка двери в сборе | |
| 256293-П8 | 256293-П8 | Заклепка 3х8 | |
| 52-6100018 | 52-6100018 | Дверь бондеризованная, грунтованная правая в сборе | |
| 1 | 52-6101462 | Крышка петельного люка двери | |
| 2 | 290740-П8 | Болт М10х1-6gх18 | |
| 3 | 52-6103268 | Уплотнитель опускного стекла двери | |
| 4 | 52-6107012-А | Уплотнитель проема двери правый | |
| 5 | 52-6107020 | Уплотнитель фланца двери | |
| 6 | 52-6906010 | Подлокотник в сборе | |
| 7 | 53А-6106220 | Прокладка шипа направляющего передней двери | |
| 8 | М-46430 | Буфер фиксатора двери | |
| 9 | М-46417 | Пружина буфера фиксатора двери | |
| 10 | 221607-П8 | Винт М6х20 | |
| 11 | М-702550-А | Шип фиксатора двери | |
| 12 | 224631-П8 | Винт М6х30 | |
| 13 | 52-6101036-А | Крышка монтажного люка двери в сборе (сварка) | |
| 14 | 298318-П2 | Пистон | |
| 15 | 52-6107110 | Уплотнитель двери нижний | |
| 16 | 2400-П29 | Винт диам. 5х15 крепления крышки | |
| 16 | 240037-П29 | Винт М5х16 ОСТ 37.001.187-81 | |
| 17 | 52-6107076 | Держатель уплотнителя проема двери нижний | |
| 18 | А162-6106000 | Петля двери правая в сборе | |
| 18 | А162-6106000 | Петля двери правая в сборе | |
| 19 | 290754-П8 | Болт М10х1-6gх28 |
Содержащиеся в справочниках-каталогах запасные части и детали не предлагаются к продаже, а носят исключительно информационный характер