Каталог запасных частей к технике: ГАЗ-53 А. Бензопровод
1
2
2
2
3
4
5
6
7
8
8
9
10
11
12
13
14
14
15
16
17
18
19
20
21
22
22
23
24
25
26
27
28
29
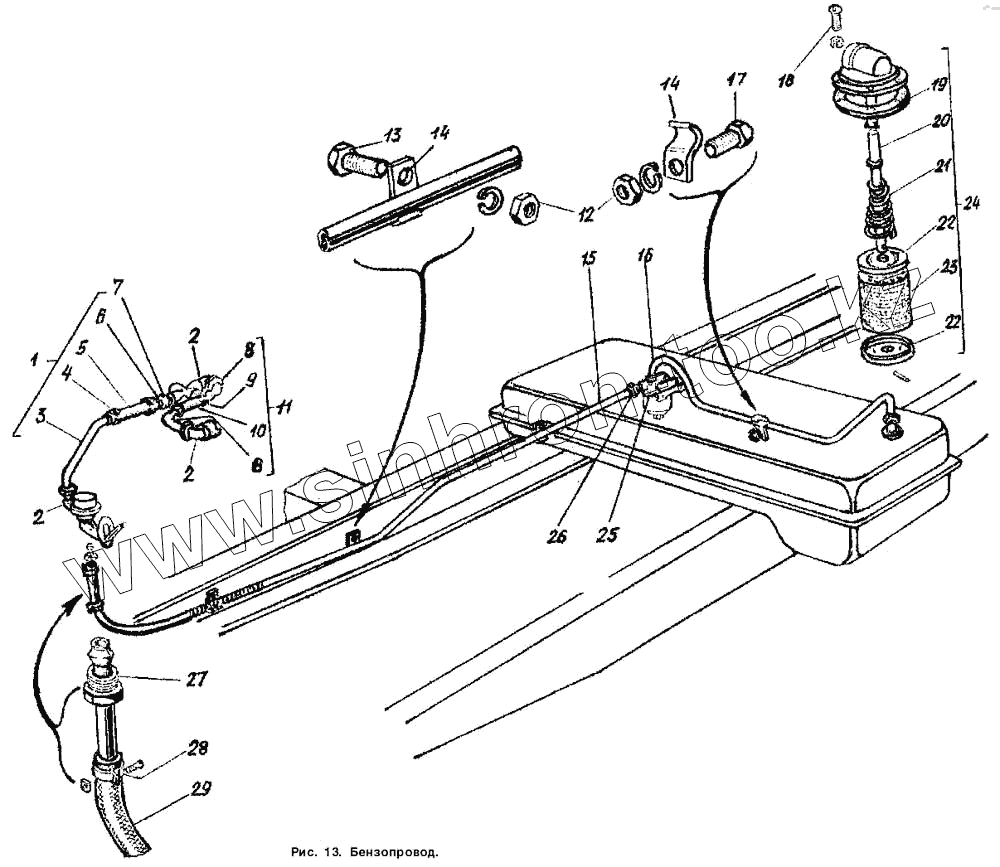
| Позиция на иллюстрации | Заводской номер детали | Название детали | |
|---|---|---|---|
| 251082-П29 | 251082-П29 | Гайка М4-6Н ОСТ 37.001.112-91 | |
| 222476-П29 | 222476-П29 | Винт М4-6gх20 ОСТ 37.001.128-96 | |
| 258726-П8 | 258726-П8 | Штифт 4х22 | |
| 252135-П2 | 252135-П2 | Шайба 8Т ОСТ 37.001.115-75 | |
| 293196-П | 293196-П | Шайба 5,5 ГОСТ 11371-78 | |
| 53А-1104064-01 | 53А-1104064-01 | Трубка от отстойника к насосу со шлангом в сборе | |
| 1 | 53А-1104126 | Трубка бензинопровода от бензонасоса к фильтру со шлангом в сборе | |
| 2 | 298348-П29 | Штуцер КГ 1/4" | |
| 2 | 298348-П | Штуцер КГ 1/4" | |
| 3 | 53А-1104132 | Трубка бензинопровода бензонасоса к шлангу | |
| 4 | 66-71-1104108 | Кольцо обжимное | |
| 5 | 53-1015428 | Шланг | |
| 6 | 66-71-1104136-10 | Трубка в сборе | |
| 7 | 298339-П29 | Штуцер КГ 1/4" | |
| 8 | 53А-1104138 | Трубка бензинопровода от фильтра к шлангу и от шланга к карбюратору | |
| 9 | 66-71-1104108 | Кольцо обжимное | |
| 10 | 53-1015428 | Шланг | |
| 11 | 53А-1104128 | Трубка бензинопровода от фильтра к карбюратору со шлангом в сборе | |
| 12 | 250510-П29 | Гайка М8-6Н ОСТ 37.001.124-93 | |
| 13 | 201457-П29 | Болт М8-6gх22 ОСТ 37.001.123-96 | |
| 14 | 66-1104145 | Скоба крепления трубки | |
| 14 | 66-1104145 | Скоба крепления трубки | |
| 15 | 53А-1104085 | Трубка от отстойника к насосу в сборе | |
| 16 | 53А-1104070-01 | Трубка от бензинового бака к отстойнику в сборе | |
| 17 | 201455-П29 | Болт М8-6gх18 ОСТ 37.001.123-96 | |
| 18 | 224598-П29 | Винт М5-6gх12 ОСТ 37.001.130-81 | |
| 19 | 12-1104022 | Прокладка датчика и фланца | |
| 20 | 53А-1104016 | Трубка приемная с фланцем в сборе | |
| 21 | 66-1104033 | Пружина | |
| 22 | 66-1104040 | Фланец фильтра | |
| 23 | 21-1104027 | Фильтр приемной трубки бензинопровода в сборе | |
| 24 | 53А-1104012 | Трубка приемная с фильтром в сборе | |
| 25 | 298349-П21 | Штуцер КГ 1/4" | |
| 26 | 298341-П29 | Штуцер | |
| 27 | 66-71-1104065 | Трубка масляного радиатора выходная с упорной гайкой в сборе | |
| 28 | 297404-П29 | Хомут 16 | |
| 29 | 66-1104102 | Шланг гибкий |
Содержащиеся в справочниках-каталогах запасные части и детали не предлагаются к продаже, а носят исключительно информационный характер