Каталог запасных частей к технике: ГАЗ-5312. Вентиляция и отопление
1
2
3
4
4
4
4
5
5
6
7
8
9
9
10
11
12
12
12
12
12
13
14
14
15
16
17
18
19
20
21
22
23
24
25
26
27
28
28
29
30
31
32
33
34
35
36
37
38
39
40
41
42
43
44
45
46
47
48
49
| Позиция на иллюстрации | Заводской номер детали | Название детали | |
|---|---|---|---|
| 297575-П29 | 297575-П29 | Шплинт 5,6х22 | |
| 252173-П8 | 252173-П8 | Шайба 5 пружинная | |
| 252234-П29 | 252234-П29 | Шайба 2-6 ОСТ 37.001.146-75 | |
| 52-5602012 | 52-5602012 | Обивка задка правая в сборе | |
| 52-5602013 | 52-5602013 | Обивка задка левая в сборе | |
| 53А-5602010 | 53А-5602010 | Обивка задка средняя в сборе | |
| 52-5602014 | 52-5602014 | Обивка задка правая | |
| 52-5602015 | 52-5602015 | Обивка задка левая | |
| 53А-5602018 | 53А-5602018 | Обивка задка средняя | |
| 297584-П29 | 297584-П29 | Лента 10х235 | |
| 353126 | 353126 | Пистон с шляпкой | |
| 45 9552 9704 | 45 9552 9704 | Гайка М6 | |
| 252004-П29 | 252004-П29 | Шайба 6 ОСТ 37.001.144-96 | |
| 252134-П2 | 252134-П2 | Шайба 6Т ОСТ 37.001.115-75 | |
| 52-70-8102078 | 52-70-8102078 | Электродвигатель с ротором обогрева ветрового стекла в сборе | |
| 53-70-8101098 | 53-70-8101098 | Кожух радиатора отопления в сборе | |
| 252004-П29 | 252004-П29 | Шайба 6 ОСТ 37.001.144-96 | |
| 53-8101250 | 53-8101250 | Распределитель отопления кузова в сборе | |
| 53-50-8101250 | 53-50-8101250 | Распределитель отопления кузова в сборе | |
| 252004-П29 | 252004-П29 | Шайба 6 ОСТ 37.001.144-96 | |
| 252233-П29 | 252233-П29 | Шайба 2-5 ОСТ 37.001.146-75 | |
| 52-8104195 | 52-8104195 | Крышка вентиляции кузова с тягой в сборе | |
| 258011-П | 258011-П | Шплинт 2х10 | |
| 258024-П2 | 258024-П2 | Шплинт 2,2х16 | |
| 293228-п | 293228-п | Шайба d 6 | |
| 293271-П29 | 293271-П29 | Шайба 8 | |
| 252234-П29 | 252234-П29 | Шайба 2-6 ОСТ 37.001.146-75 | |
| 13-8104196 | 13-8104196 | Крышка вентиляции кузова с уплотнителем в сборе | |
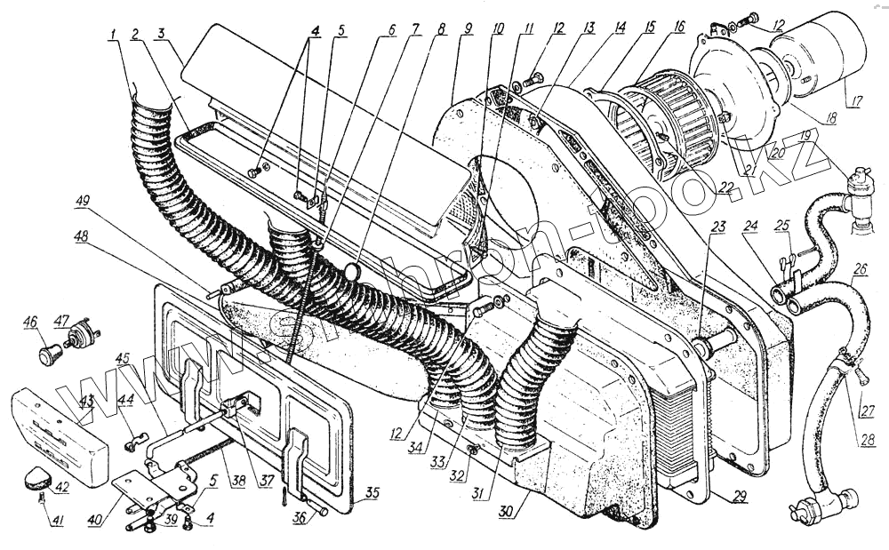
| 1 | 52-9101436-01 | Шланг обдува ветрового стекла -левый | |
| 2 | 13-5304030 | Уплотнитель крышки вентиляции передка | |
| 3 | 13-5304012 | Крышка вентиляции передка в сборе | |
| 4 | 290377-П29 | Болт М5-6gх9 | |
| 4 | 290377-П29 | Болт М5-6gх9 | |
| 4 | 290377-П29 | Болт М5-6gх9 | |
| 5 | 21-5304198 | Зажим оболочки | |
| 6 | 52-5304202 | Тяга привода крышки вентиляции передка | |
| 7 | A-17523 | Втулка оболочки привода крышки вентиляции передка | |
| 8 | 52-8101152 | Клапан слива | |
| 9 | 53-8101114 | Прокладка кожуха радиатора отопления | |
| 9 | 53-8101114-7 | Прокладка кожуха радиатора отопления | |
| 10 | 13-5304022-01 | Сетка крышки вентилятора передка в сборе | |
| 11 | 240818-П29 | Винт 4х12 ОСТ 37.001.188-81 | |
| 12 | 290509-П8 | Болт М6х25 | |
| 12 | 290509-П29 | Болт М6-6gх25 | |
| 12 | 290509-П29 | Болт М6-6gх25 | |
| 13 | 292685-П | Гайка М6 специальная | |
| 14 | 53-8101100-7 | Кожух радиатора отопления | |
| 14 | 53-8101100 | Кожух радиатора отопления | |
| 15 | 13-8102240 | Прокладка диска электродвигателя заднего отопителя | |
| 16 | 52-8102030 | Ротор обдува ветрового стекла в сборе | |
| 17 | МЭ211-Т | Электродвигатель обдува ветрового стекла в сборе (13Ю-8102080) | |
| 18 | 21-8102232 | Прокладка электродвигателя вентилятора | |
| 19 | КР-29 | Краник запорный отопления в сборе (Г-21Л-8101020) | |
| 20 | 13-8102238 | Диск электродвигателя заднего отопителя | |
| 21 | 250464-П8 | Ганка М5 крепления электродвигателя | |
| 22 | 242471-П8 | Винт М5х12 | |
| 23 | 13-8101170 | Уплотнитель трубок радиатора отопления | |
| 24 | 24-76-8101038 | Шланг впускной отопления | |
| 25 | 297580-П29 | Пряжка | |
| 26 | 53-8101038-01 | Шланг выпускной отопления | |
| 27 | 290502-П29 | Болт М6-6gх14 | |
| 28 | 51-3724073-Б | Скоба крепления проводов | |
| 28 | 51Ю-3724073-Б | Скоба крепления | |
| 29 | 53А-8101056 | Радиатор отопления в сборе | |
| 30 | 53-8101252 | Распределитель отопления кузова | |
| 31 | 30-8102062 | Шланг трубопровода вентилятора короткий | |
| 32 | 298318-П2 | Пистон | |
| 33 | 52-8102060 | Шланг обдува ветрового стекла длинный | |
| 34 | 53А-8101236 | Фланец распределителя отопления в сборе | |
| 35 | 32-8104220 | Уплотнитель крышки вентиляции кузова | |
| 36 | 260018-П8 | Палец 6х35 | |
| 37 | 52-8104194 | Скоба тяги привода крышки вентиляции передка | |
| 38 | 52-5304200-A2 | Оболочка тяги крышки вентиляции передка | |
| 39 | 201416-П29 | Болт М6-6gх12 ОСТ 37.001.123-96 | |
| 40 | 52-5304032 | Привод вентиляции передка в сборе | |
| 41 | 222964-П29 | Винт М3-6gх10 | |
| 42 | 52-5304186 | Ручка привода вентиляции передка | |
| 43 | 52-534189 | Облицовка привода вентиляции передка | |
| 44 | 13-8104192 | Пружина тяги крышки вентиляции передка | |
| 45 | 52-8104190 | Тяга привода вентиляции передка | |
| 46 | 52-5205072 | Ручка переключателя | |
| 47 | М199-БТ | Переключатель мотора вентилятора отопления в сборе | |
| 48 | 53-8101264 | Заслонка распределителя отопления | |
| 49 | 258363-П | Ось заслонки (штифт) 3х16 |
Содержащиеся в справочниках-каталогах запасные части и детали не предлагаются к продаже, а носят исключительно информационный характер