Каталог запасных частей к технике: ГАЗ-5312. Реле-регулятор
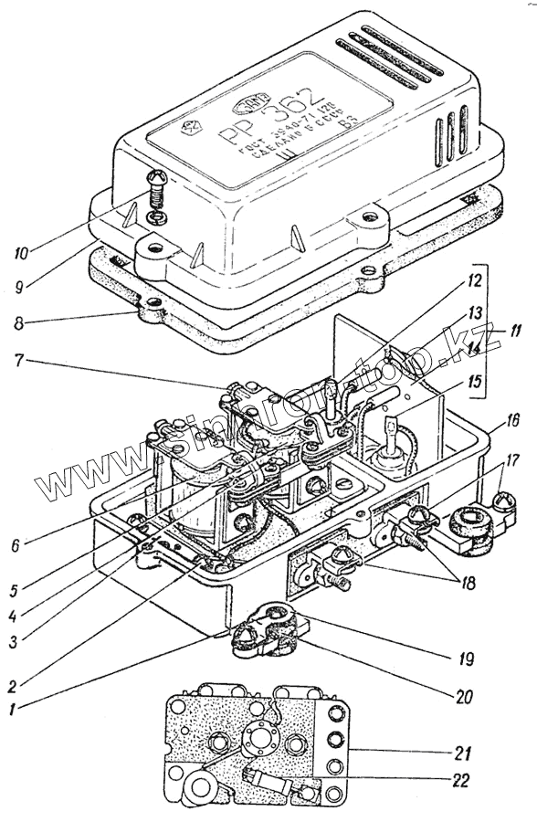
1
2
3
4
5
6
7
8
9
10
11
12
13
14
15
16
17
18
19
20
21
22
| Позиция на иллюстрации | Заводской номер детали | Название детали | |
|---|---|---|---|
| 5-082 | 5-082 | Шайба | |
| PP362-3702560-E | PP362-3702560-E | Сопротивление 42 Ом | |
| PP362-3702550-E | PP362-3702550-E | Сопротивление комбинированное | |
| РР362-3702511-Е | РР362-3702511-Е | Панель | |
| PP362-3702620 | PP362-3702620 | Якорь реле защиты в сборе | |
| PP362-3702519-E | PP362-3702519-E | Прокладка изоляционная нижняя | |
| X-4003 | X-4003 | Гайка крепления регулятора напряжения к панели | |
| X-4001 | X-4001 | Шайба пружинная | |
| 8X-1497 | 8X-1497 | Шайба | |
| PP362-3702520 | PP362-3702520 | Болт клеммовый | |
| H-1214 | H-1214 | Шайба | |
| 4-082 | 4-082 | Шайба | |
| PP362-3702430 | PP362-3702430 | Угольник с держателями контактов | |
| PP362-3702420 | PP362-3702420 | Якорь регулятора напряжения в сборе | |
| PP24-3702418 | PP24-3702418 | Пружина | |
| 8X-1497 | 8X-1497 | Шайба | |
| H-4267 | H-4267 | Винт крепления транзистора | |
| 5-082 | 5-082 | Шайба | |
| 4-082 | 4-082 | Шайба | |
| 8X-1497 | 8X-1497 | Шайба | |
| 6-082 | 6-082 | Шайба пружинная | |
| РР362-3702101-Л | РР362-3702101-Л | Основание | |
| РР362-3702110-Б | РР362-3702110-Б | Клемма | |
| 3-082 | 3-082 | Шайба пружинная | |
| X-4003 | X-4003 | Гайка крепления регулятора напряжения к панели | |
| PP362-3802804 | PP362-3802804 | Вывод с наконечником | |
| 5-082 | 5-082 | Шайба | |
| PP362-3702630 | PP362-3702630 | Держатель с контактом и угольником реле защиты в сборе | |
| PP24-3702402 | PP24-3702402 | Катушка регулятора | |
| 1 | PP24-3702022 | Втулка | |
| 2 | H-5003 | Винт крепления панели и панели теплоотвода к основанию | |
| 3 | PP362-3702500-EH | Панель в сборе | |
| 4 | МЛТ-0,5-240 ОМ+/-5% ГОСТ 5172-72 | Резистор | |
| 5 | PP362-3702600 ГX-4003 | Реле защиты в сборе | |
| 6 | PP362-3702400-E | Регулятор напряжения в сборе | |
| 7 | PP315-3702419 | Втулка изоляционная | |
| 8 | PP362-3702008 | Прокладка уплотнительная | |
| 9 | РР362-3702003-А | Крышка | |
| 10 | 8Х-1549 | Винт крепления крышки | |
| 11 | PP362-3702800 | Блок полупроводниковый | |
| 12 | КД 202-B (УЖ3.362.036.ТУ) | Диод | |
| 13 | П217(СИ3.365.017.ТУ) | Транзистор | |
| 14 | PP362-3702810-A2 | Теплооотвод с панелью в сборе | |
| 15 | Д242(аА0336.206.ТУ) | Диод | |
| 16 | PP362-3702100 | Основание с выводами и клеммами в сборе | |
| 17 | 7X-1598 | Винт крепления кронштейна к скобе | |
| 18 | Вк14-3708053 | Скоба | |
| 19 | PP362-3702113 | Кронштейн | |
| 20 | PP24-3702006 | Втулка амортизационная | |
| 21 | РР362-3702510-Ж | Панель с сопротивлениями в сборе | |
| 22 | МЛТ-2-62 0М±5% | Резистор |
Содержащиеся в справочниках-каталогах запасные части и детали не предлагаются к продаже, а носят исключительно информационный характер