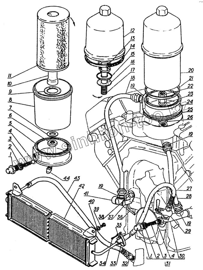
Каталог запасных частей к технике: ГАЗ-5312. Масляный радиатор и фильтр масляный
1
1
1
2
2
2
3
3
3
4
4
4
5
6
7
8
9
10
11
12
13
14
15
16
17
18
19
19
19
19
20
21
22
23
24
25
26
27
27
28
29
29
30
31
32
33
34
35
36
37
38
39
40
41
42
43
43
44
| Позиция на иллюстрации | Заводской номер детали | Название детали | |
|---|---|---|---|
| 1 | 296499-П8 | Пробка М18х1,5 | |
| 1 | 296494-П8 | Пробка М18х1,5х12 | |
| 2 | 293469-П | Шайба 18 | |
| 2 | 293469-П | Шайба 18 | |
| 3 | 202-6092 | Пружина перепускного клапана масляного радиатора | |
| 3 | 202-6092 | Пружина перепускного клапана масляного радиатора | |
| 4 | Б1У 11,906 мм | Шарик клапана (353087-S) | |
| 4 | Б1У 11,906 мм П | Шарик диам. 11,9 разжимного механизма стояночного тормоза (353087-8) | |
| 5 | 53-11-1017039-10 | Проставка | |
| 6 | 250638-П2 | Гайка M18-1,5 | |
| 7 | 252018-П2 | Шайба плоская диаметром 18 мм гайки крепления оси заднего ушка передней рессоры | |
| 8 | 53-11-1017017 | Корпус фильтра (нижняя часть) | |
| 9 | 53-11-1017142 | Прокладка фильтрующего элемента | |
| 10 | 53-11-1017317 | Трубка корпуса фильтра | |
| 11 | 6Г-53-11-1017140 | Элемент фильтрующий | |
| 12 | 53-11-1017016 | Корпус фильтра - верхняя часть | |
| 13 | 13-3402076 | Пружина | |
| 14 | 53-11-1017065 | Прокладка корпуса фильтра | |
| 15 | 24-1017099-01 | Шайба опорная | |
| 16 | 24-1017062-10 | Кольцо уплотнительное | |
| 17 | 53-11-1017031-10 | Стержень фильтра | |
| 18 | 53-11-1017085-20 | Трубка выпускная масляного фильтра в сборе | |
| 19 | 53-11-1017393-10 | Штуцер | |
| 20 | 53-11-1017010-11 | Фильтр тонкой очистки масла в сборе | |
| 21 | 53-11-1017064 | Прокладка фильтра | |
| 22 | 53-11-1017392-10 | Штуцер К 3/8" | |
| 23 | 293469-П | Шайба 18 | |
| 24 | 53-11-1017038-10 | Проставка с перепускным клапаном в сборе | |
| 25 | 53-11-1017329 | Прокладка проставки | |
| 26 | 53-11-1017062 | Кольцо уплотнительное | |
| 27 | 29ю-1013100-21 | Шланг масляного радиатора впускной в сборе | |
| 27 | 69-1013100-21 | Шланг масляного радиатора впускной в сборе | |
| 28 | 53-11-1017112-20 | Трубка впускная масляного фильтра в сборе | |
| 29 | ПП6-1-Т | Краник запорный масляного радиатора в сборе (Г-51 ю-1013140-02) | |
| 29 | ПП6-1-Э | Краник запорный масляного радиатора в сборе (Г-51-1013140-02), | |
| 30 | 53-1013097 | Корпус клапана масляного радиатора | |
| 31 | 53-11-1013095 | Клапан масляного радиатора | |
| 32 | 298339-П29 | Штуцер КГ 1/4" | |
| 33 | 297581-П29 | Лента 10х160 | |
| 34 | 297575-П8 | Шплинт хомутика | |
| 35 | 297580-П29 | Пряжка | |
| 36 | 53-11-1006049 | Трубка смазки распределительных шестерен | |
| 37 | 53-11-1006267 | Скоба крепления трубки смазки распределительных шестерен | |
| 38 | 201491-П | Болт M10х1.5х22 | |
| 39 | 201452-П8 | Болт М8х1,25х12 | |
| 40 | 293270-П29 | Шайба 8,2 | |
| 41 | 53-11-1017393-10 | Штуцер | |
| 42 | 66-1013010-14 | Масляный радиатор в сборе | |
| 43 | 53-50-1013100-01 | Шланг выпускной радиатора в сборе | |
| 43 | 53А-1013100-01 | Шланг масляного радиатора выпускной в сборе | |
| 44 | 353052-П29 | Пробка К1/4" |
Содержащиеся в справочниках-каталогах запасные части и детали не предлагаются к продаже, а носят исключительно информационный характер