Каталог запасных частей к технике: ГАЗ-5312. Фильтр тонкой очистки топлива
1
1
2
3
4
5
6
6
7
8
9
9
10
10
11
11
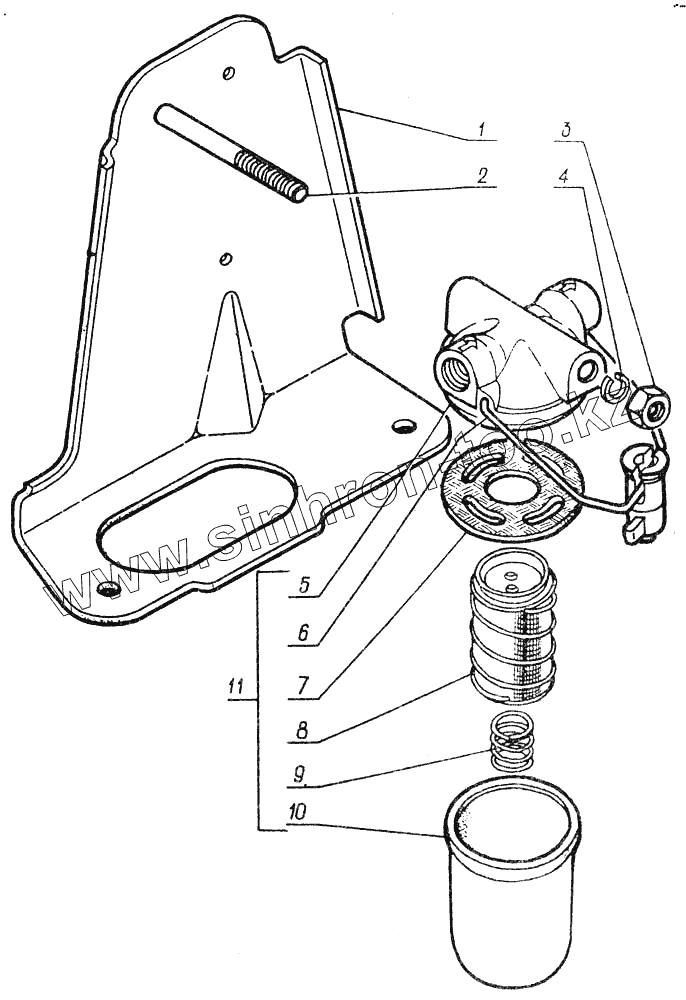
| Позиция на иллюстрации | Заводской номер детали | Название детали | |
|---|---|---|---|
| 1 | 53-1117075 | Кронштейн крепления фильтра и катушки зажигания | |
| 1 | 53-50-1117075-10 | Кронштейн крепления фильтра и катушки зажигания | |
| 2 | 200273-П29 | Болт М8-6gх70 | |
| 3 | 250510-П29 | Гайка М8-6Н ОСТ 37.001.124-93 | |
| 4 | 252155-П2 | Шайба 8Л ОСТ 37.001.115-75 | |
| 5 | 21-1117020-01 | Корпус фильтра | |
| 6 | 52-1117060 | Коромысло стакана фильтра тонкой очистки топлива в сборе | |
| 6 | 52-50-1117060 | Коромысло | |
| 7 | 521117025 | Прокладка корпуса фильтра | |
| 8 | 13-1117045 | Фильтрующий элемент фильтра тонкой очистки топлива в сборе | |
| 9 | 52-1117035 | Пружина фильтрующего элемента | |
| 9 | 52-50-1117035 | Пружина фильтра | |
| 10 | 52-1117056-А | Стакан-отстойник фильтра | |
| 10 | 52-50-1117056-А | Стакан фильтра тонкой очистки топлива | |
| 11 | 21-1117010 1 | Фильтр тонкой очистки топлива в сборе | |
| 11 | 3-1117010-А | Фильтр тонкой очистки топлива в сборе |
Содержащиеся в справочниках-каталогах запасные части и детали не предлагаются к продаже, а носят исключительно информационный характер