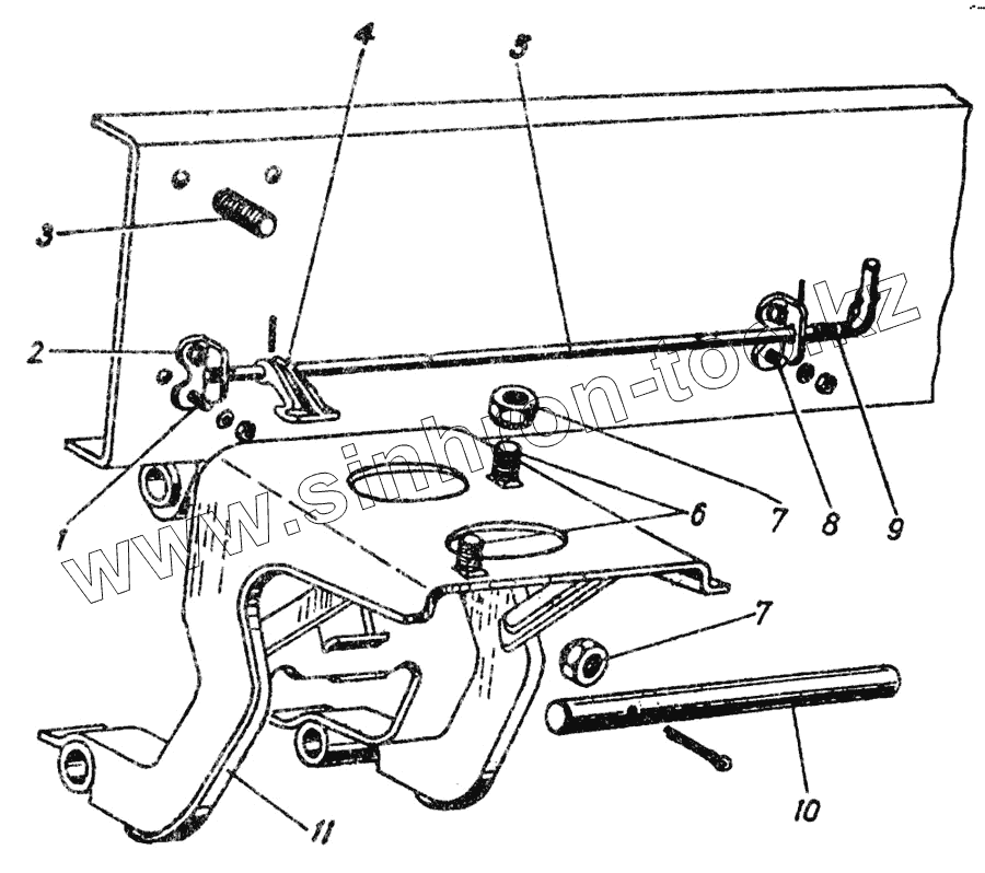
Каталог запасных частей к технике: ГАЗ-5312. Держатель запасного колеса
1
2
3
4
5
6
7
7
7
8
9
10
11
| Позиция на иллюстрации | Заводской номер детали | Название детали | |
|---|---|---|---|
| 250510-П29 | 250510-П29 | Гайка М8-6Н ОСТ 37.001.124-93 | |
| 240-508 (8,25-20) мод. ЕХ-20 | 240-508 (8,25-20) мод. ЕХ-20 | Шина | |
| 240-508Р (8,25г-20) мод. КИ-63 | 240-508Р (8,25г-20) мод. КИ-63 | Шина (53-3106010-А) | |
| 240-508Р (8,25г-20) мод. К-55-А | 240-508Р (8,25г-20) мод. К-55-А | Шина | |
| 240-508Р (8,25г-20) мод. К-55-А | 240-508Р (8,25г-20) мод. К-55-А | Шина | |
| 240-508Р (8,25г-20) мод. КИ-63 | 240-508Р (8,25г-20) мод. КИ-63 | Шина (53-3106010-А) | |
| 53-3105094 | 53-3105094 | Косынка откидного кронштейна | |
| 252155-П2 | 252155-П2 | Шайба 8Л ОСТ 37.001.115-75 | |
| 258937-П | 258937-П | Штифт 4х22 | |
| 258070-П29 | 258070-П29 | Шплинт 5х40 | |
| 1 | 201457-П29 | Болт М8-6gх22 ОСТ 37.001.123-96 | |
| 2 | 51А-3105090 | Кронштейн валика защелки | |
| 3 | 51-3105015-Д | Болт запорной гайки кронштейна запасного колеса | |
| 4 | 51А-3105085 | Защелка кронштейна | |
| 5 | 51А-3105080 | Валик защелки | |
| 6 | 51-3105025 | Болт откидного кронштейна | |
| 7 | 250712-П29 | Гайка Б М20х1,5-6Н ОСТ 37.001.195-97 | |
| 7 | 250712-П29 | Гайка Б М20х1,5-6Н ОСТ 37.001.195-97 | |
| 8 | 201455-П29 | Болт М8-6gх18 ОСТ 37.001.123-96 | |
| 9 | 51А-3105087 | Пружина валика защелки кронштейна | |
| 10 | 51-3105074 | Ось кронштейна запасного колеса | |
| 11 | 53-310506 | Кронштейн откидной запасного колеса в сборе |
Содержащиеся в справочниках-каталогах запасные части и детали не предлагаются к продаже, а носят исключительно информационный характер