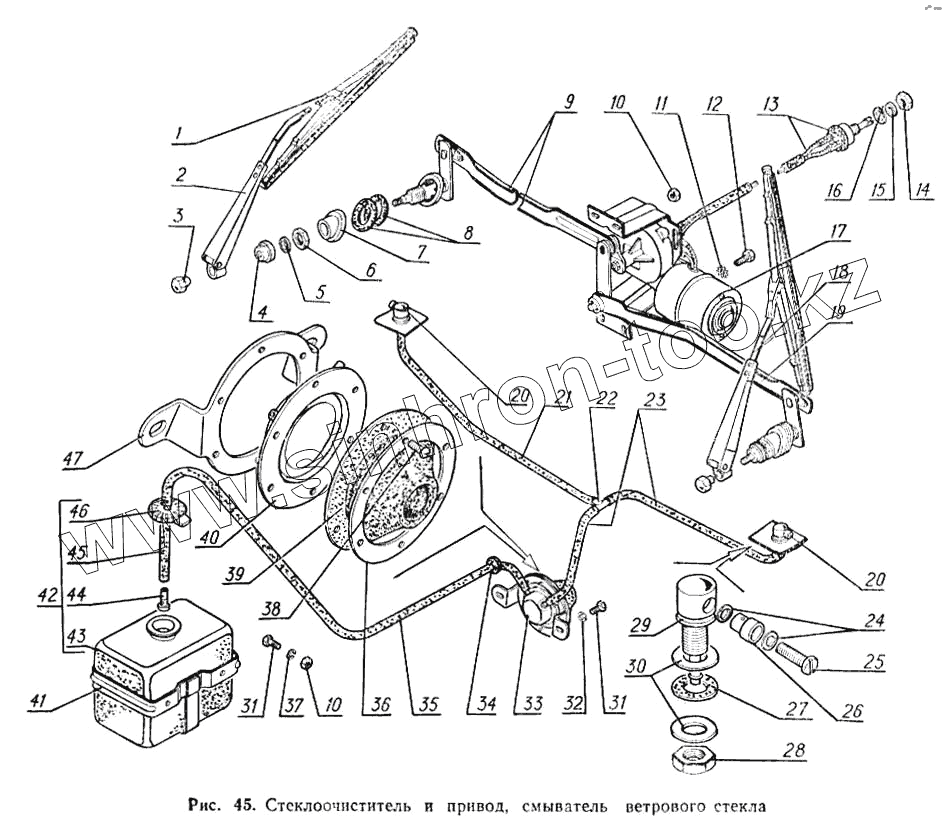
Каталог запасных частей к технике: ГАЗ-52-02. Стеклоочиститель и привод, смыватель ветрового стекла
1
2
3
4
5
6
7
8
9
10
10
11
12
13
14
15
16
17
18
19
20
20
21
22
23
24
25
26
27
28
29
30
31
31
31
32
33
34
35
36
37
38
39
40
41
42
43
44
45
46
47
| Позиция на иллюстрации | Заводской номер детали | Название детали | |
|---|---|---|---|
| 52-5208010-02 | 52-5208010-02 | Насос омывателя ветрового стекла в сборе | |
| 52-5208009 | 52-5208009 | Детали смывателя ветрового стекла (комплект для запасных частей) | |
| 24-5208190-А | 24-5208190-А | Тройник | |
| 52-5205010 | 52-5205010 | Стеклоочиститель СЛ100 | |
| 1 | СЛ100-5205900А | Узел щетки (52-5205120) | |
| 2 | СЛ100-5205030 | Рычаг правый в сборе (52-5205032) | |
| 3 | СЛ9-006 | Гайка | |
| 4 | СЛ45А-007 | Гайка сальниковая | |
| 5 | СЛ9-5205503 | Шайба | |
| 6 | СЛ45-005 | Гайка | |
| 7 | СЛ100-001 | Шайба фасонная | |
| 8 | СЛ100-007 | Прокладка | |
| 9 | СЛ100-500 | Узел правой тяги | |
| 10 | 250508-П29 | Гайка М6-6Н ОСТ 37.001.124-93 | |
| 10 | 250508-П8 | Гайка М6-6Н | |
| 11 | 293226-П29 | Шайба 6,5 | |
| 12 | 290489-П8 | Болт М6х12 | |
| 13 | СЛ100-5205400 | Переключатель в сборе | |
| 14 | СЛ18А3-708 | Гайка | |
| 15 | ММ1-28 | Шайба | |
| 16 | Н24-19 | Шайба 10 стопорная | |
| 17 | МЭ14А-3730000 | Электродвигатель | |
| 18 | СЛ100-5205020 | Рычаг левый в сборе (52-5205033) | |
| 19 | СЛ100-600 | Узел левой тяги | |
| 20 | 13-5208064 | Жиклер омывателя ветрового стекла в сборе | |
| 21 | 21П-5208097-01 | Шланг выпускной омывателя ветрового стекла | |
| 22 | 24-5208190-А | Тройник | |
| 23 | 24-5208096-01 | Шланг | |
| 24 | 13-5208078 | Шайба жиклера омывателя ветрового стекла | |
| 25 | 13-5208160 | Винт специальный | |
| 26 | 13-5208076 | Жиклер омывателя ветрового стекла | |
| 27 | 51Б-3816158 | Шайба 10 | |
| 28 | 250613-П29 | Гайка 10х1-6Н | |
| 29 | 13-5208070 | Корпус жиклера омывателя ветрового стекла в сборе | |
| 30 | 293304-П29 | Шайба 10 | |
| 31 | 201416-П29 | Болт М6-6gх12 ОСТ 37.001.123-96 | |
| 31 | 201416-П29 | Болт М6-6gх12 ОСТ 37.001.123-96 | |
| 32 | 252174-П29 | Шайба 2-6 ОСТ 37.001.145-75 | |
| 33 | 52-5208010-02 | Насос омывателя ветрового стекла в сборе | |
| 34 | 21-5208150 | Втулка уплотнительная | |
| 35 | 21-5208094-13 | Шланг впускной омывателя ветрового стекла | |
| 36 | 72-5208032 | Кольцо крышки насоса | |
| 37 | 252134-П2 | Шайба 6Т ОСТ 37.001.115-75 | |
| 38 | 220051-П29 | Винт М4-6gх10 ОСТ 37.001.127-81 | |
| 39 | 24-5208024-01 | Крышка насоса омывателя ветрового стекла | |
| 40 | 24-5208012-01 | Корпус насоса омывателя ветрового стекла в сборе | |
| 41 | 24-5208170 | Держатель бачка омывателя ветрового стекла в сборе | |
| 42 | 13-5208100-Б2 | Бачок смывателя ветрового стекла с шлангом в сборе | |
| 43 | 13-5208102 | Бачок омывателя ветрового стекла в сборе | |
| 44 | 21-5208087-02 | Клапан впускной с фильтром омывателя в сборе | |
| 45 | 13-5208154-02 | Шланг омывателя | |
| 46 | 13-5208124-Б | Пробка бачка омывателя | |
| 47 | 52-50-5208036 | Кольцо корпуса насоса |
Содержащиеся в справочниках-каталогах запасные части и детали не предлагаются к продаже, а носят исключительно информационный характер