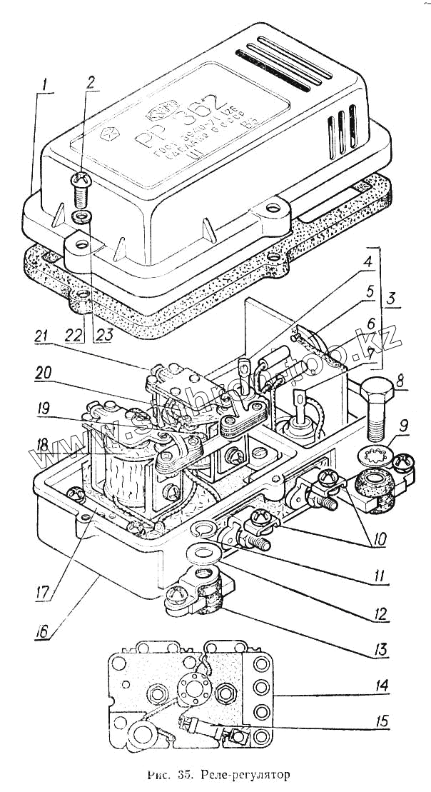
Каталог запасных частей к технике: ГАЗ-52-02. Реле-регулятор
1
2
3
4
5
6
7
8
9
10
11
12
13
14
15
16
17
18
19
20
21
22
23
| Позиция на иллюстрации | Заводской номер детали | Название детали | |
|---|---|---|---|
| 1 | РР362-3702003-А | Крышка | |
| 2 | 8Х-1549 | Винт крепления крышки | |
| 3 | РР362-3702800 | Блок полупроводниковый | |
| 4 | КД-202-В (УЖЗ.362.036 ТУ) | Диод | |
| 5 | П-217 (СИ3.365.017 ТУ) | Транзистор | |
| 6 | РР362-3702810-А2 | Теплоотвод с панелью в сборе | |
| 7 | Д-242 (А-0336.206 ТУ) | Диод | |
| 8 | 201422-П8 | Болт М6-6gх25 | |
| 9 | 252174-П29 | Шайба 2-6 ОСТ 37.001.145-75 | |
| 10 | ВК14-3708053 | Скоба клеммы включателя стартера | |
| 11 | 252154-П2 | Шайба 6Л ОСТ 37.001.115-75 | |
| 12 | 252004-П8 | Шайба 6 | |
| 13 | РР24-3702006 | Амортизатор в сборе | |
| 14 | РР362-3702510-Ж | Панель с сопротивлениями в сборе | |
| 15 | МЛТ-2-62-Ом±5% | Резистор ГОС-Т-7113-77 | |
| 16 | РР362-3702101-А | Основание | |
| 17 | РР362-3702100 | Основание с выводами и клеммами в сборе | |
| 18 | РР352-3702400-Е | Регулятор напряжения в сборе | |
| 19 | МЛТ-0,5-240-Ом±5% | Резистор ГОС-Т-7113-77 | |
| 20 | РР362-3702600-Е | Реле защиты в сборе | |
| 21 | РР24-3702418 | Пружина | |
| 22 | РР362-3702008 | Прокладка уплотнительная | |
| 23 | 4-082 | Шайба |
Содержащиеся в справочниках-каталогах запасные части и детали не предлагаются к продаже, а носят исключительно информационный характер