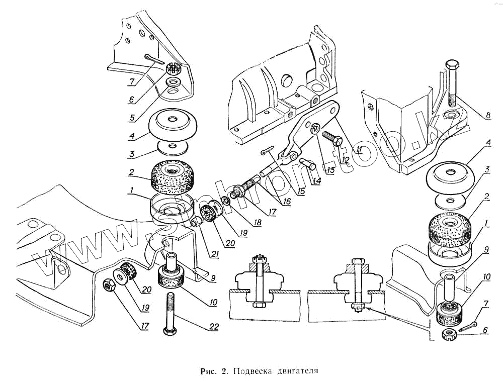
Каталог запасных частей к технике: ГАЗ-52-02. Подвеска двигателя
1
1
2
2
3
3
4
4
5
6
6
7
7
8
9
9
10
10
11
12
13
14
15
16
17
17
18
19
19
20
20
21
22
| Позиция на иллюстрации | Заводской номер детали | Название детали | |
|---|---|---|---|
| 1 | 51-6041-Б | Гнездо верхней подушки опоры двигателя | |
| 2 | 64-6025-В | Подушка крепления кабины верхняя задняя в сборе | |
| 3 | 293354-П2 | Шайба 12 упорная | |
| 4 | 53-1001024-01 | Колпак защитный верхней подушки задней опоры двигателя | |
| 5 | 252007-П8 | Шайба 12,5 | |
| 6 | 250977-П8 | Гайка 1М12х1,26 | |
| 7 | 258040-П | Шплинт 2,7х25 | |
| 8 | 205469-П8 | Болт М12х1,25х80 | |
| 9 | 51-6035 | Втулка распорная подушек опоры двигателя | |
| 10 | 64-6039-А | Подушка нижняя задней опоры двигателя в сборе | |
| 11 | 51-1001070 | Кронштейн тяги соединения двигателя с рамой | |
| 12 | 201283-П8 | Болт М10-4hх28 | |
| 13 | 252136-П2 | Шайба 10 ОТ ОСТ 37.001.115-75 | |
| 14 | 260034-П8 | Палец 8х25 | |
| 15 | 258038-П | Шплинт 2,7х15 | |
| 16 | 51-1001060-А | Тяга соединения двигателя с рамой в сборе | |
| 17 | 250512-П8 | Гайка М10-6Н | |
| 18 | 252156-П2 | Шайба 10Л ОСТ 37.001.115-75 | |
| 19 | 252039-П8 | Шайба 10 | |
| 20 | 51А-1001094 | Прокладка тяги соединения двигателя с рамой | |
| 21 | 20-1001095 | Втулка распорная прокладок | |
| 22 | 205467-П8 | Болт М12х1,25х70 |
Содержащиеся в справочниках-каталогах запасные части и детали не предлагаются к продаже, а носят исключительно информационный характер