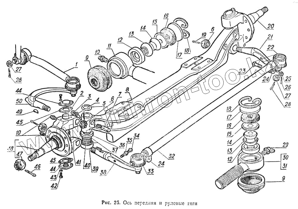
Каталог запасных частей к технике: ГАЗ-52-02. Ось передняя и рулевые тяги
1
2
3
4
5
6
6
7
8
9
9
10
10
11
12
12
13
13
14
14
15
15
16
16
17
17
18
18
19
19
20
21
22
23
24
24
25
26
27
27
28
28
29
30
31
32
33
34
35
36
37
38
39
40
41
42
43
44
44
45
45
46
47
48
49
49
50
| Позиция на иллюстрации | Заводской номер детали | Название детали | |
|---|---|---|---|
| ВК-53А-3003008 | ВК-53А-3003008 | Комплект для ремонта рулевых тяг (для запасных частей) | |
| ВК-53А-3000101 | ВК-53А-3000101 | Комплект для ремонта передней оси (для запасных частей) | |
| 53А-3003052 | 53А-3003052 | Тяга поперечная рулевая с наконечниками в сборе | |
| 53-3001030 | 53-3001030 | Рычаг рулевой трапеции правый | |
| 53-3001035 | 53-3001035 | Рычаг поворотного кулака | |
| 53А-3000015 | 53А-3000015 | Ось передняя в сборе | |
| 53-3001031 | 53-3001031 | Рычаг рулевой трапеции левый | |
| 1 | 53А-3003010-01 | Тяга продольная рулевая в сборе | |
| 2 | 53А-3001019 | Шкворень поворотного кулака | |
| 3 | 250507-П29 | Гайка М12х1,25-6Н | |
| 4 | 252137-П2 | Шайба 12.ОТ ОСТ 37.001.115-75 | |
| 5 | 51-3001022 | Шайба регулировочная | |
| 6 | 251016-П8 | Гайка М22х1,5 | |
| 6 | 251016-П8 | Гайка М22х1,5 | |
| 7 | 51-3001025-02 | Штифт стопорный шкворня поворотного кулака | |
| 8 | 53-3001010 | Балка передней оси | |
| 9 | 53А-3003162 | Уплотнитель наконечника рулевой тяги с обоймой в сборе | |
| 9 | 53А-3003162 | Уплотнитель наконечника рулевой тяги с обоймой в сборе | |
| 10 | 264020-П8 | Пресс-масленка К 1/8" | |
| 10 | 264020-П8 | Пресс-масленка К 1/8" | |
| 11 | 53А-3003014 | Тяга продольная рулевая | |
| 12 | 53А-3003067 | Вкладыш наконечника рулевой тяги | |
| 12 | 53А-3003067 | Вкладыш наконечника рулевой тяги | |
| 13 | 52-3003066 | Сухарь пальца | |
| 13 | 52-3003066 | Сухарь пальца | |
| 14 | 52-3003065-А | Палец наконечника поперечной рулевой тяги | |
| 14 | 52-3003065-А | Палец наконечника поперечной рулевой тяги | |
| 15 | 53А-3003068-10 | Пята опорная пальца | |
| 16 | 52-3003074-11 | Буфер опорной пяты | |
| 17 | 53А-3003106-02 | Крышка наконечника рулевой тяги | |
| 17 | 53А-3003106-02 | Крышка наконечника рулевой тяги | |
| 18 | 53А-3003071 | Кольцо стопорное заглушки наконечника | |
| 18 | 53А-3003071 | Кольцо стопорное заглушки наконечника | |
| 19 | 258069-П8 | Шплинт 5х36 | |
| 19 | 258069-П8 | Шплинт 5х36 | |
| 20 | 53А-3001012 | Кулак поворотный правый в сборе | |
| 21 | 53-3001030 | Рычаг рулевой трапеции правый | |
| 22 | 53А-3003056 | Наконечник поперечной рулевой тяги правый в сборе | |
| 23 | 205441-П8 | Болт М10х1х38 | |
| 24 | 53А-3003078-01 | Хомут стяжной | |
| 25 | 250868-П29 | Гайка М10х1-6Н | |
| 26 | 258025-П8 | Шплинт 2,5х20 | |
| 27 | 250979-П8 | Гайка М16х1,5 | |
| 27 | 250979-П8 | Гайка М16х1,5 | |
| 28 | 258054-П8 | Шплинт 3,6х32 | |
| 29 | 264040-П8 | Пресс-масленка К 1/8" | |
| 30 | 53А-3003062 | Наконечник поперечной рулевой тяги правый | |
| 31 | 53А-3003063 | Корпус наконечника | |
| 32 | 53А-3003054 | Тяга поперечная рулевая | |
| 33 | 53А-3003057-01 | Наконечник поперечной рулевой тяги левый в сборе | |
| 34 | 290811-П8 | Болт М10х1-6gх35 | |
| 35 | 250613-П29 | Гайка 10х1-6Н | |
| 36 | 51-3001021 | Кулак защитный упорного подшипника шкворня | |
| 37 | 52-3001029 | Шайба шкворня поворотного кулака упорная | |
| 38 | 53-3001031 | Рычаг рулевой трапеции левый | |
| 39 | 52-3001027 | Обойма подшипника шкворня | |
| 40 | 52-3001028 | Шайба шкворня поворотного кулака упорная средняя | |
| 41 | 53А-3001023 | Кольцо уплотнительное | |
| 42 | 201415-П8 | Болт М6-6gх10 | |
| 43 | 252154-П2 | Шайба 6Л ОСТ 37.001.115-75 | |
| 44 | 53-3001040-А | Крышка шкворня | |
| 45 | 53-3001052-А | Прокладка крышки шкворня | |
| 46 | 258070-П8 | Шплинт 5х40 ОСТ 37.001.171-93 | |
| 47 | 292961-П8 | Гайка М24х1,5-5Н6Н | |
| 48 | 53А-3001013 | Кулак поворотный левый в сборе | |
| 49 | 260417-П | Шпонка 5х22 | |
| 49 | 260417-П | Шпонка 5х22 | |
| 50 | 53-3001035 | Рычаг поворотного кулака |
Содержащиеся в справочниках-каталогах запасные части и детали не предлагаются к продаже, а носят исключительно информационный характер