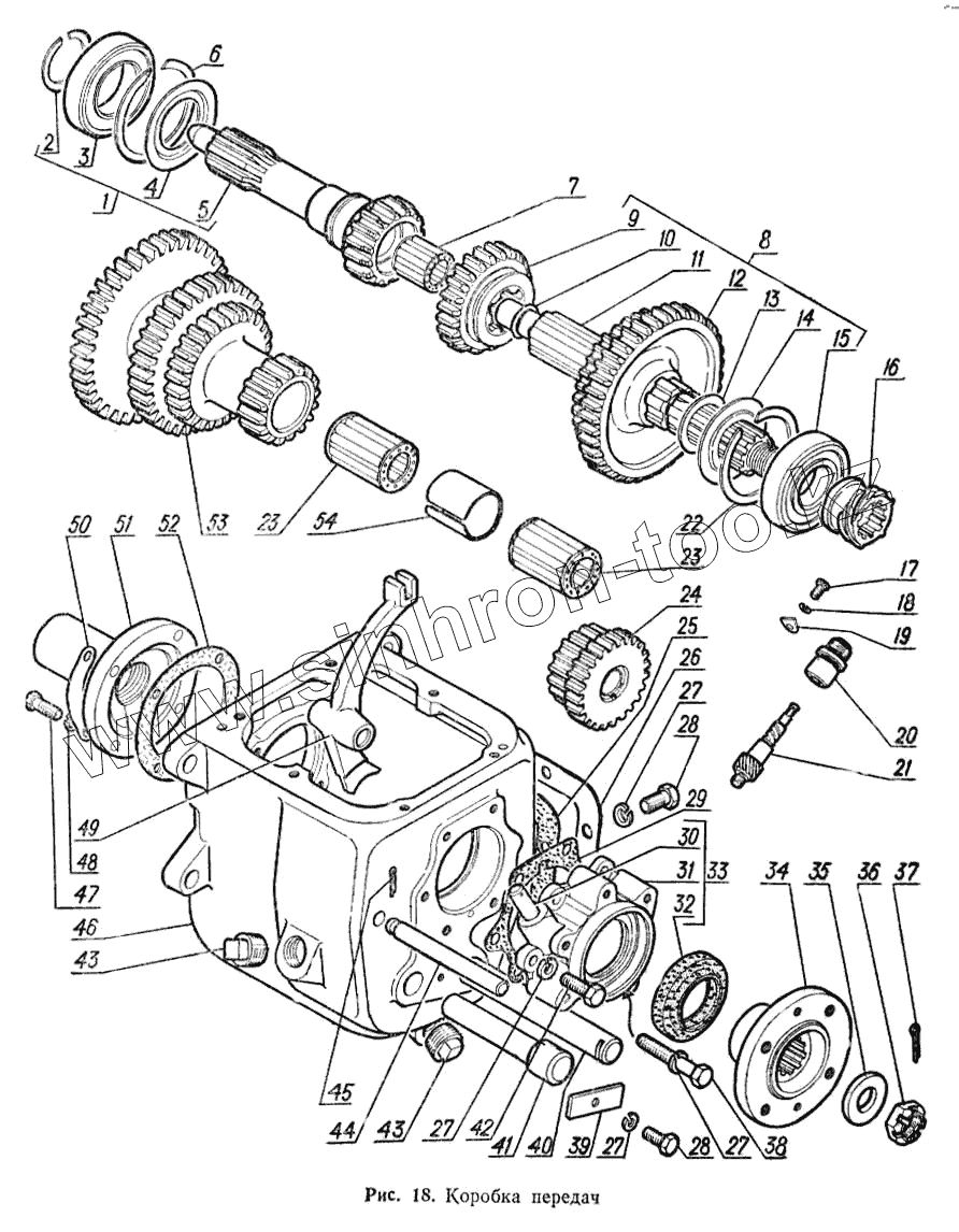
Каталог запасных частей к технике: ГАЗ-52-02. Коробка передач
1
2
3
4
5
6
7
8
9
10
11
12
13
14
15
16
17
18
19
20
21
22
23
23
24
25
26
27
27
27
27
28
28
29
30
31
32
33
34
35
36
37
38
39
40
41
42
43
43
44
45
46
47
48
49
50
51
52
53
54
| Позиция на иллюстрации | Заводской номер детали | Название детали | |
|---|---|---|---|
| 51-1700010-Б | 51-1700010-Б | Коробка передач в сборе | |
| ВК-51-1701012 | ВК-51-1701012 | Картер коробки передач с болтами (комплект для запасных частей) | |
| 51-1700009 | 51-1700009 | Коробка передач с центральным тормозом в сборе | |
| ВК-51-1700015 | ВК-51-1700015 | Коробка передач в сборе с болтами (комплект для запасных частей) | |
| 1 | 51-7015 | Вал ведущий в сборе | |
| 2 | АА-7045 | Кольцо упорное подшипника ведущего вала | |
| 3 | АА-7025 | Подшипник ведущего вала 209К5 | |
| 4 | АА-7043 | Маслоотражатель подшипника ведущего вала | |
| 5 | 51-7017 | Вал ведущий | |
| 6 | АА-7030 | Кольцо стопорное | |
| 7 | 864904 | Подшипник в сборе (АА-7120-А2) | |
| 8 | 51-7060-Б | Вторичный вал в сборе | |
| 9 | 51-1701114 | Шестерня третьей и четвертой передач | |
| 10 | АА-7063 | Кольцо установочное роликового подшипника | |
| 11 | 51-7061-Б | Вторичный вал | |
| 12 | 51-1701112 | Блок шестерен первой и второй передач | |
| 13 | АА-7062 | Кольцо упорное | |
| 14 | АА-7080 | Маслоотражатель подшипника | |
| 15 | АА-7065 | Подшипник вторичного вала 307 | |
| 16 | 51-3802033 | Шестерня привода спидометра ведущая | |
| 17 | 290490-П8 | Болт М6-6gх12 | |
| 18 | 252154-П2 | Шайба 6Л ОСТ 37.001.115-75 | |
| 19 | 51-3802031 | Стопор | |
| 20 | 51-3802030 | Штуцер гибкого вала | |
| 21 | 51-3802034-Б | Шестерня привода спидометра ведомая | |
| 22 | АА-7070 | Кольцо стопорное шайбы приставной | |
| 23 | 64905 | Подшипник блока шестерен промежуточного вала (АА-7118-А2) | |
| 24 | 51-1701080 | Блок шестерен заднего хода в сборе | |
| 25 | АА-7166-А | Прокладка крышки люка | |
| 26 | АА-7165 | Крышка люка | |
| 27 | 252136-П2 | Шайба 10 ОТ ОСТ 37.001.115-75 | |
| 27 | 252136-П2 | Шайба 10 ОТ ОСТ 37.001.115-75 | |
| 27 | 252136-П2 | Шайба 10 ОТ ОСТ 37.001.115-75 | |
| 28 | 201495-П8 | Болт М10-6gх20 | |
| 28 | 201495-П8 | Болт М10-6gх20 | |
| 29 | 63-1701203-Б | Прокладка задней крышки | |
| 30 | 51-3508055 | Палец рычага привода центрального тормоза | |
| 31 | 51-1701205-Б | Крышка задняя | |
| 32 | 51-1701210-А | Манжета в сборе | |
| 33 | 51-1701200-Б | Крышка задняя в сборе | |
| 34 | 51-1701240-Д | Фланец вторичного вала коробки передач | |
| 35 | 51-2402064 | Шайба специальная | |
| 36 | 292940-П | Гайка М22Х1,5 | |
| 37 | 258055-П | Шплинт 3,6х36 | |
| 38 | 201510-П8 | Болт М10-6gх65 | |
| 39 | АА-7155 | Стопор осей шестерен промежуточного вала и заднего хода | |
| 40 | 51-7111-А | Ось блока шестерен промежуточного вала | |
| 41 | АА-7140-А | Ось блока | |
| 42 | 201283-П8 | Болт М10-4hх28 | |
| 43 | 262513-П | Пробка КГ 3/4" | |
| 44 | АА-7244 | Ось вилки | |
| 45 | 258041-П | Шплинт 3х30 | |
| 46 | 53-1701015-В | Картер | |
| 47 | 201458-П8 | Болт М8х1,25х25 | |
| 48 | 252155-П2 | Шайба 8Л ОСТ 37.001.115-75 | |
| 49 | АА-7243 | Вилка переключения заднего хода | |
| 50 | 51-1601190-А | Скоба оттяжной пружины муфты подшипника выключения сцепления | |
| 51 | 51-7050-Б | Крышка подшипника | |
| 52 | 51-7051 | Прокладка крышки подшипника | |
| 53 | 51-1701050 | Блок шестерен промежуточного вала | |
| 54 | АА-7115-А2 | Втулка распорная |
Содержащиеся в справочниках-каталогах запасные части и детали не предлагаются к продаже, а носят исключительно информационный характер