Каталог запасных частей к технике: ГАЗ-52-02. Инструмент водителя и принадлежности
1
2
3
4
5
6
7
7
8
9
10
10
10
11
11
12
13
13
14
14
14
15
15
16
16
17
18
19
20
21
22
23
24
25
26
27
28
29
30
31
32
33
33
34
35
36
37
39
40
41
42
43
44
45
46
47
48
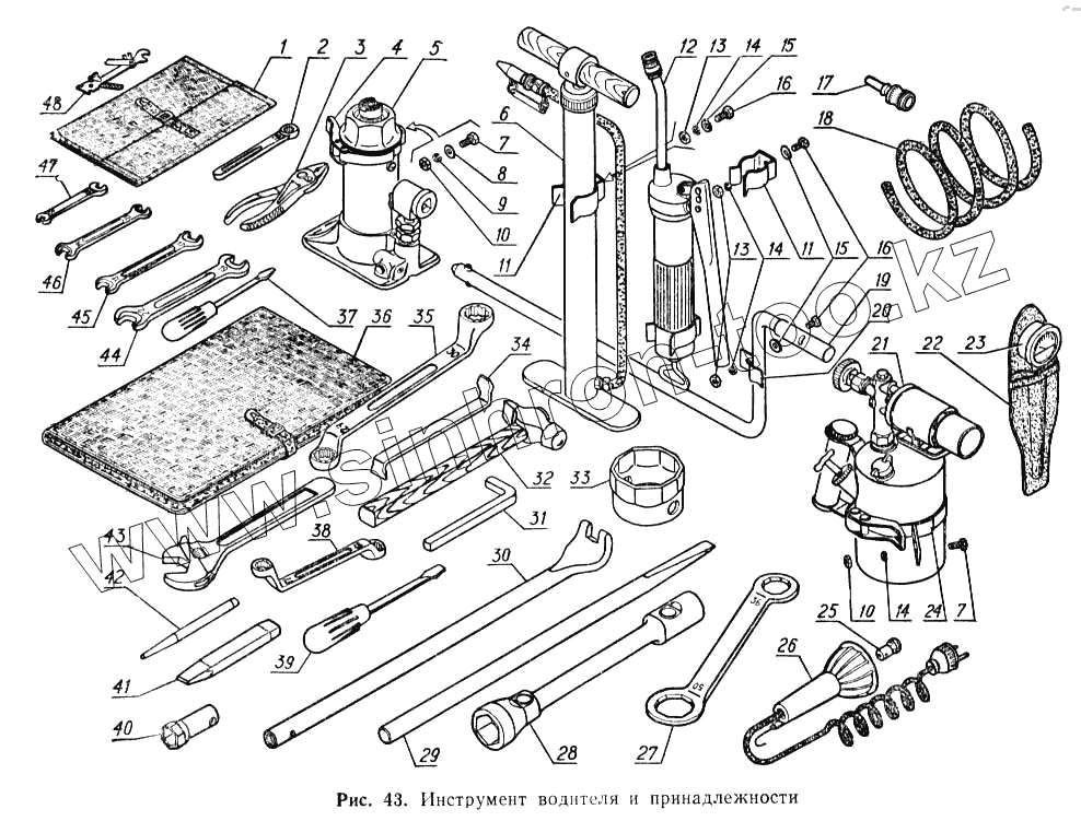
| Позиция на иллюстрации | Заводской номер детали | Название детали | |
|---|---|---|---|
| 1 | 53А-3901024 | Сумка инструментальная малая в сборе | |
| 2 | ИП-3901196 | Ключ 14 накидной | |
| 3 | И78-3901000 | Плоскогубцы автомобильные | |
| 4 | 66-3913099 | Держатель домкрата | |
| 5 | Д1-3913010-Г | Домкрат гидравлический в сборе | |
| 6 | РН1-3917010 | Насос ручной для накачивания шин в сборе | |
| 7 | 201416-П29 | Болт М6-6gх12 ОСТ 37.001.123-96 | |
| 7 | 201416-П8 | Болт М6-6gх12 | |
| 8 | 293225-П29 | Шайба 6 | |
| 9 | 252134-П29 | Шайба 6 | |
| 10 | 250608-П29 | Гайка М6-6Н ОСТ 37.001.124-93 | |
| 10 | 250608-П8 | Гайка М6 | |
| 11 | 69А-3901225 | Зажим насоса | |
| 11 | 69А-3901225 | Зажим насоса | |
| 12 | Ш1-39110101-А | Шприц рычажно-плунжерный в сборе (51-3911010) | |
| 13 | 250508-П8 | Гайка М6-6Н | |
| 13 | 250508-П8 | Гайка М6-6Н | |
| 14 | 252154-П2 | Шайба 6Л ОСТ 37.001.115-75 | |
| 14 | 252154-П29 | Шайба 6Л ОСТ 37.001.115-75 | |
| 15 | 252037-П29 | Шайба 6 ОСТ 37.001.144-96 | |
| 15 | 252037-П29 | Шайба 6 ОСТ 37.001.144-96 | |
| 16 | 201415-П29 | Болт М6-6gх10 ОСТ 37.001.123-96 | |
| 16 | 201415-П29 | Болт М6-6gх10 ОСТ 37.001.123-96 | |
| 17 | 51Ю-3901340 | Насадка к шприцу для смазки карданов в сборе И27-3901000-Ш-А2 | |
| 18 | 12-3901472 | Шланг для прокачивания гидротормозов в сборе | |
| 19 | 51-3901215 | Рукоятка пусковая в сборе И131-3901000 | |
| 20 | 52-3901217 | Зажим монтажной лопатки | |
| 21 | 40-1025100-Б | Лампа пускового подогревателя с инструментом и деталями в сборе | |
| 22 | 51-3901385-А2 | Чехол шинного манометра (МД 13-3912290) | |
| 23 | Г-53А-3901350 | Манометр шинный в сборе МД231 | |
| 24 | 53Ф-3915119 | Кронштейн лампы пускового подогревателя в сборе | |
| 25 | А12-21-3 | Лампа | |
| 26 | 51-3715010-А2 | Лампа переносная в сборе ПЛТМ | |
| 27 | ИП-3901194 | Ключ для внутреннего колпака ступицы (51-3901154) | |
| 28 | ИП-3901312-А | Ключ для гаек колес 22х38 (53-3901078) | |
| 29 | ИП-3901283 | Лопатка для монтажа шин | |
| 30 | ИП-3901284 | Лопатка монтажная и вороток гидродомкрата | |
| 31 | 63-3901094 | Ключ для регулировки винта вала сошки рулевого управления (квадрат 10) (63-3901094) | |
| 32 | И108А-3901000 | Молоток слесарный 0,5 кг с рукояткой в сборе (М-17090-А) | |
| 33 | ИП-3901205 | Ключ 17х19 накидной | |
| 33 | ИП-3901144 | Ключ 82 для регулировки подшипников ступиц задних колес | |
| 34 | ИП-3901251 | Отвертка пробки продольной рулевой тяги и винта диска тормозного барабана (51-3901178) | |
| 35 | ИП-3901192 | Ключ для гаек стремянок рессор 24х30 (51-3901129-Б) | |
| 36 | 53А-3901010 | Сумка инструментальная большая в сборе | |
| 37 | М11-3332-00 | Отвертка малая в сборе (11-17087-А) | |
| 39 | М16-3564-00 | Отвертка 250х1,4 в сборе | |
| 40 | 12-3901044 | Ключ торцовый свечной 22 с воротком в сборе (ИП-3901036) | |
| 41 | 66-01-3901202 | Зубило слесарное ИП-3901246 (15х60х150) | |
| 42 | 24-3901200 | Прошивка-вороток Ф-075 | |
| 43 | И3-3901000 | Ключ гаечный разводной специальный 36 (51-3901165-Б) | |
| 44 | 53-3901068 | Ключ 19х22 (ИП-3901033) | |
| 45 | ИП-3901021 | Ключ 13х14 ГОСТ 2839-71 | |
| 46 | ИП-3901023 | Ключ 12х14 | |
| 47 | ИП-3901022 | Ключ 8х10 ГОСТ 2839-80 Е | |
| 48 | 51-3707310 | Щупы для приборов зажигания (И317-3707000-ГЧ) |
Содержащиеся в справочниках-каталогах запасные части и детали не предлагаются к продаже, а носят исключительно информационный характер