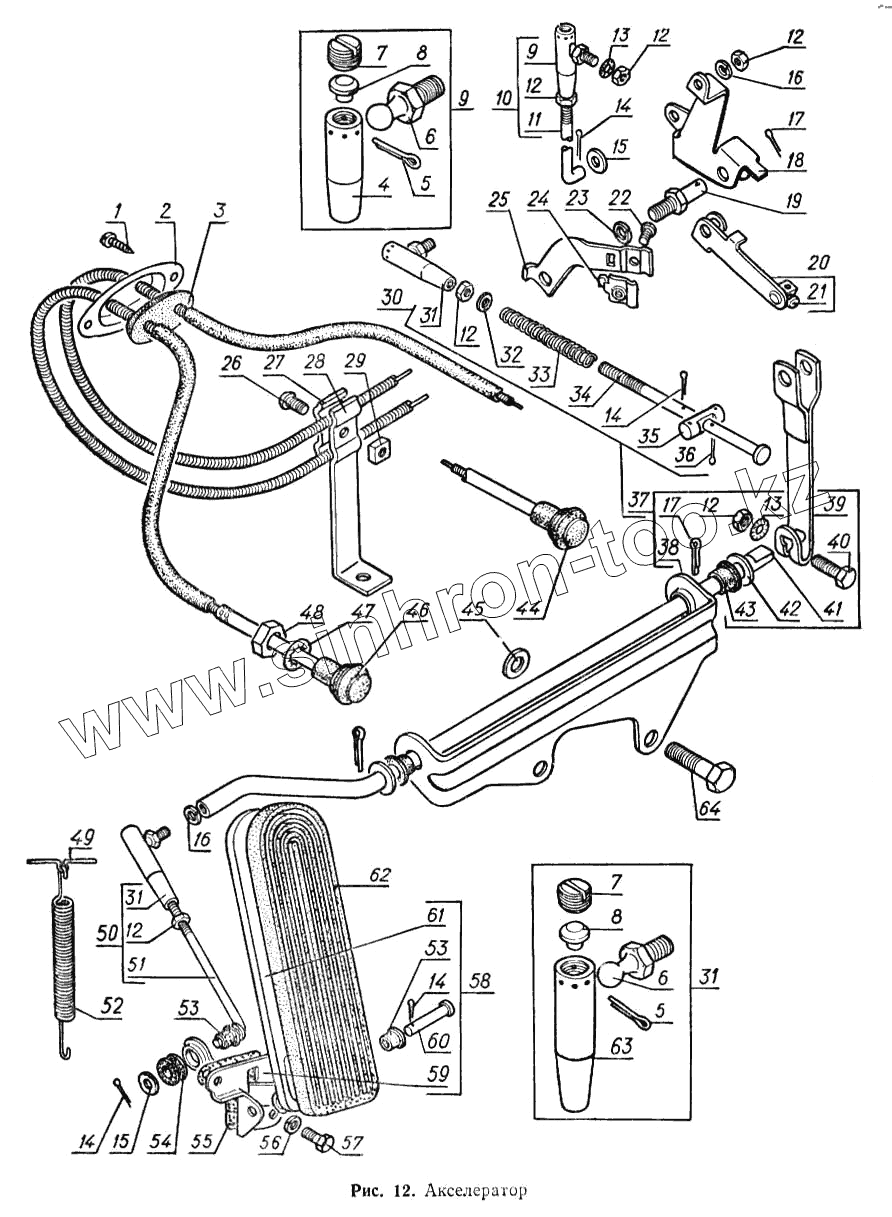
Каталог запасных частей к технике: ГАЗ-52-02. Акселератор
1
2
3
4
5
5
6
6
7
7
8
8
9
9
10
11
12
12
12
12
12
12
13
13
14
14
14
14
15
15
16
16
17
17
18
19
20
21
22
23
24
25
26
27
28
29
30
31
31
31
32
33
34
35
36
37
38
39
40
41
42
43
44
45
46
47
48
49
50
51
52
53
53
54
55
56
57
58
59
60
61
62
63
63
64
| Позиция на иллюстрации | Заводской номер детали | Название детали | |
|---|---|---|---|
| 1 | 240037-П8 | Винт 5х15 | |
| 2 | 52-1108113 | Обойма уплотнителя оболочек тяг акселератора | |
| 3 | 52-1108110-А | Уплотнитель оболочек тяг акселератора | |
| 4 | 21-1108056-Б | Наконечник тяги рычага дроссельной заслонки | |
| 5 | 258003-П | Шплинт 1,5х20 | |
| 5 | 258003-П | Шплинт 1,5х20 | |
| 6 | 21-1108059-А | Палец шаровой наконечника | |
| 6 | 21-1108059-А | Палец шаровой наконечника | |
| 7 | 21-1108061-Б | Пробка наконечника | |
| 7 | 21-1108061-Б | Пробка наконечника | |
| 8 | 70-142892 | Сухарь наконечника | |
| 8 | 70-142892 | Сухарь наконечника | |
| 9 | 53Ф-1108050 | Тяга рычага дроссельной заслонки в сборе | |
| 10 | 53Ф-1108051 | Тяга рычага дроссельной заслонки в сборе | |
| 11 | 21-1108055-А | Наконечник тяги рычага дроссельной заслонки шарнирный в сборе | |
| 12 | 250608-П8 | Гайка М6 | |
| 12 | 250608-П8 | Гайка М6 | |
| 12 | 250608-П8 | Гайка М6 | |
| 12 | 250608-П8 | Гайка М6 | |
| 12 | 250608-П8 | Гайка М6 | |
| 13 | 252234-П8 | Шайба 6 пружинная | |
| 14 | 258012-П | Шплинт 2х12 | |
| 14 | 258012-П | Шплинт 2х12 | |
| 15 | 252004-П8 | Шайба 6 | |
| 15 | 252004-П8 | Шайба 6 | |
| 16 | 252154-П2 | Шайба 6Л ОСТ 37.001.115-75 | |
| 17 | 258038-П | Шплинт 2,7х15 | |
| 17 | 258038-П | Шплинт 2,7х15 | |
| 18 | 53Ф-1108101 | Рычаг тяги дроссельной заслонки карбюратора | |
| 19 | 69-1108124 | Шпилька | |
| 20 | 53Ф-1108122 | Рычаг тяги ручного управления акселератором в сборе | |
| 21 | 222496-П8 | Винт М5-6gх8 ОСТ 37.001.128-96 | |
| 22 | 224598-П8 | Винт М5х12 крепления зажима | |
| 23 | 252135-П2 | Шайба 8Т ОСТ 37.001.115-75 | |
| 24 | 52-1108071 | Зажим | |
| 25 | 53Ф-1108070 | Кронштейн оболочки тяги ручного управления акселератора | |
| 26 | 220105-П8 | Винт М6х16 | |
| 27 | 47-1108092 | Зажим оболочки тяг воздушной заслонки и ручного управления акселератором | |
| 28 | 47-1108091 | Кронштейн оболочек тяг воздушной заслонки и ручного управления акселератором | |
| 29 | 251104-П8 | Гайка М6х1 | |
| 30 | 53Ф-1108023 | Валик акселератора с кронштейнов и тягой в сборе | |
| 31 | 21-1712155 | Наконечник шарнирный в сборе | |
| 31 | 21-1712155 | Наконечник шарнирный в сборе | |
| 32 | 293220-П8 | Шайба 6 | |
| 33 | 21-1108042 | Пружина | |
| 34 | 21-1108044-Б | Тяга рычага валика акселератора | |
| 35 | 21-1108044 | Палец рычага валика акселератора | |
| 36 | 258013-П | Шплинт 2х15 | |
| 37 | 53Ф-1108029 | Валик акселератора с кронштейном в сборе | |
| 38 | 53Ф-1108039 | Кронштейн валика акселератора | |
| 39 | 53Ф-1108064 | Рычаг валика акселератора в сборе | |
| 40 | 201422-П8 | Болт М6-6gх25 | |
| 41 | 53Ф-1108031 | Валик акселератора | |
| 42 | 293324-П8 | Шайба 11 | |
| 43 | 21-1108041-Б | Втулка валика акселератора | |
| 44 | 53Ф-1108127-01 | Тяга ручного управления акселератором с ручкой в сборе | |
| 45 | 293297-П8 | Шайба 10 | |
| 46 | 53Ф-1108102-01 | Тяга воздушной заслонки с ручкой в сборе | |
| 47 | 252177-П8 | Шайба 12 | |
| 48 | 250615-П8 | Гайка М12х1,25 | |
| 49 | 258052-П29 | Шплинт 4х20 ОСТ 37.001.171-93 | |
| 50 | 53Ф-1108034 | Тяга валика акселератора в сборе | |
| 51 | 53Ф-1108035 | Тяга валика акселератора с шайбой в сборе | |
| 52 | 51-1106175 | Пружина акселератора | |
| 53 | 52-1108098 | Втулка тяги педали акселератора | |
| 53 | 52-1108098 | Втулка тяги педали акселератора | |
| 54 | 52-1108099 | Втулка рычага педали акселератора | |
| 55 | 52-1108085 | Прокладка кронштейна педали акселератора | |
| 56 | 252134-П2 | Шайба 6Т ОСТ 37.001.115-75 | |
| 57 | 201416-П8 | Болт М6-6gх12 | |
| 58 | 52-1108010-Б | Педаль акселератора в сборе | |
| 59 | 52-1108083-Б | Кронштейн педали акселератора | |
| 60 | 260017-П8 | Палец 6х32 педали | |
| 61 | 52-1108011 | Педаль акселератора с рычагом в сборе | |
| 62 | 52-1108048 | Накладка педали акселератора | |
| 63 | 21-1712156 | Наконечник тяги привода силового регулятора коробки передач | |
| 63 | 21-1712156 | Наконечник тяги привода силового регулятора коробки передач | |
| 64 | 201501-П8 | Болт М10-6gх35 |
Содержащиеся в справочниках-каталогах запасные части и детали не предлагаются к продаже, а носят исключительно информационный характер