Каталог запасных частей к технике: ГАЗ-52-01. Центральный тормоз и управление
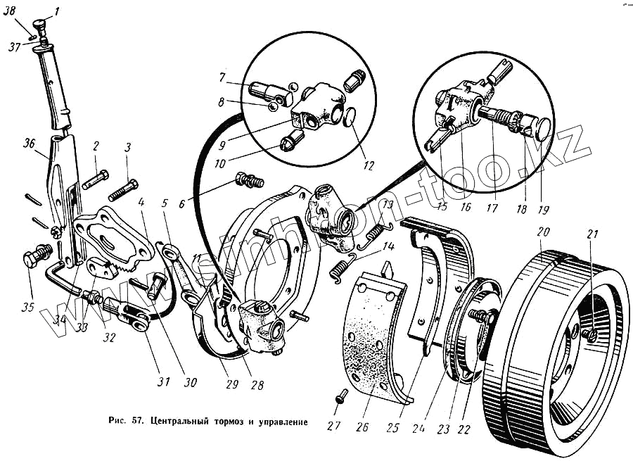
1
2
3
4
5
6
6
7
8
9
10
11
12
13
14
15
16
17
18
19
20
21
22
23
24
25
26
27
28
29
30
31
32
33
34
35
36
37
38
| Позиция на иллюстрации | Заводской номер детали | Название детали | |
|---|---|---|---|
| 258053-П | 258053-П | Шплинт 4х25 | |
| 250612-П8 | 250612-П8 | Гайка М10 | |
| 258039-П | 258039-П | Шплинт 3,2х20 ОСТ 37.001.171-93 | |
| 258014-П | 258014-П | Шплинт 2х20 | |
| 258025-П | 258025-П | Шплинт 2,5х20 | |
| 252137-П2 | 252137-П2 | Шайба 12.ОТ ОСТ 37.001.115-75 | |
| 252156-П2 | 252156-П2 | Шайба 10Л ОСТ 37.001.115-75 | |
| 252136-П2 | 252136-П2 | Шайба 10 ОТ ОСТ 37.001.115-75 | |
| ВК-52-3508174 | ВК-52-3508174 | Тяга привода стояночного тормоза в сборе | |
| 250867-П8 | 250867-П8 | Гайка М8х1 | |
| 51-3507014 | 51-3507014 | Колодка стояночного тормоза с фрикционной накладной в сборе | |
| 51-3508015 | 51-3508015 | Рычаг центрального тормоза в сборе | |
| 52-3507010 | 52-3507010 | Тормоз стояночный в сборе | |
| 52-3508042 | 52-3508042 | Тяга привода стояночного тормоза в сборе | |
| 252016-П8 | 252016-П8 | Шайба 14 | |
| 1 | А-2791-С | Головка тяги собачки рычага центрального тормоза | |
| 2 | 260060-П8 | Палец 10х35 крепления рычага центрального тормоза к сектору | |
| 3 | 205424-П8 | Болт М8х1х35 | |
| 4 | 51-3508048 | Сектор рычага центрального тормоза | |
| 5 | 63-3508050-А | Рычаг привода стояночного тормоза | |
| 6 | 201496-П8 | Болт М10-6gх22 | |
| 6 | 201496-П8 | Болт М10-6gх22 | |
| 7 | 51-3507072 | Корпус шариков разжимного механизма центрального тормоза | |
| 8 | 353087-S | Шарик диаметром 11,9 мм | |
| 9 | 51-3507070 | Корпус разжимного механизма | |
| 10 | 51-3507074 | Толкатель разжимного механизма центрального тормоза | |
| 11 | 51-3507073 | Ограничитель хода корпуса шариков разжимного механизма центрального тормоза | |
| 12 | 296955-П16 | Заглушка 25 | |
| 13 | 51-3507048-Б | Пружина первичной колодки центрального тормоза стяжная | |
| 14 | 51-3507049 | Пружина стяжная вторичной колодки | |
| 15 | 51-3507083 | Опора колодок центрального тормоза | |
| 16 | 51-3507080 | Корпус регулировочного механизма центрального тормоза | |
| 17 | 11-2108 | Винт регулировочный в сборе | |
| 18 | 11-2041 | Сухарь разжимной колодок центрального тормоза | |
| 19 | 296980-П16 | Заглушка 31 | |
| 20 | 51-3507052-Г | Барабан центрального тормоза | |
| 21 | 224682-П8 | Винт М8-6gх16 | |
| 22 | 201497-П8 | Болт М10х25 | |
| 23 | 52-3507062 | Маслоотражатель центрального тормоза | |
| 24 | 52-3507063 | Прокладка маслоотражателя центрального тормоза | |
| 25 | 51-3507018-Б | Колодка центрального тормоза в сборе | |
| 26 | 51-3507020-Б | Накладка центрального тормоза фрикционная | |
| 27 | 293997-П | Заклепка 4,75х11 | |
| 28 | 52-3507011 | Щит центрального тормоза в сборе | |
| 29 | 52-3507065 | Отражатель щита центрального тормоза | |
| 30 | 260057-П8 | Палец 10х28 | |
| 31 | 63-3508045 | Вилка регулировочная тяги привода стояночного тормоза | |
| 32 | 52-3508043 | Тяга привода стояночного тормоза | |
| 33 | 51-3508030 | Собачка рычага центрального тормоза | |
| 34 | 51-3508028 | Тяга собачки рычага центрального тормоза | |
| 35 | 201540-П8 | Болт М12х1,75х30 | |
| 36 | 51-3508018 | Рычаг центрального тормоза со шляпкой в сборе | |
| 37 | А-2793-В | Пружина тяги собачки рычага центрального тормоза | |
| 38 | А-23637 | Штифт головки тяги собачки рычага центрального тормоза |
Содержащиеся в справочниках-каталогах запасные части и детали не предлагаются к продаже, а носят исключительно информационный характер