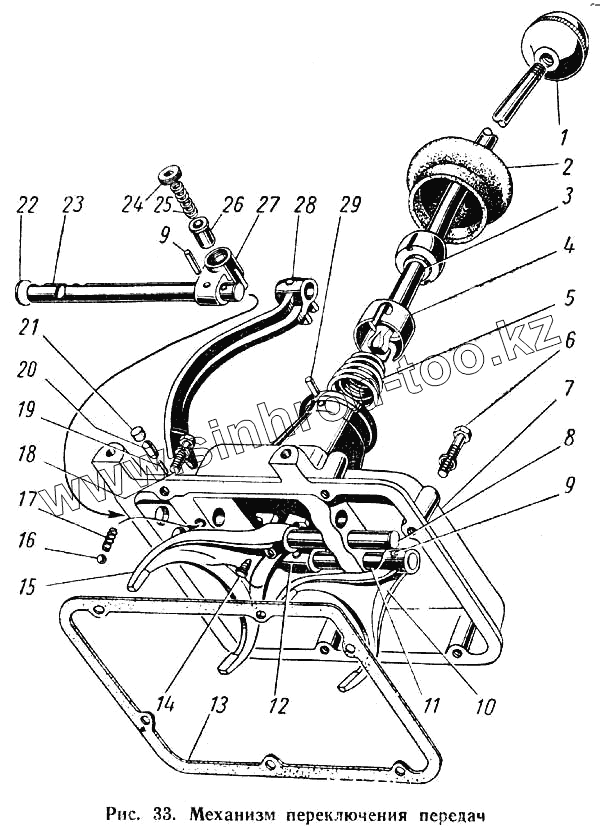
Каталог запасных частей к технике: ГАЗ-52-01. Механизм переключения передач
1
2
3
4
5
6
7
8
9
9
10
11
12
13
14
15
16
17
18
19
20
21
22
23
24
25
26
27
28
29
| Позиция на иллюстрации | Заводской номер детали | Название детали | |
|---|---|---|---|
| 52-1702094 | 52-1702094 | Головка включения заднего хода коробки передач в сборе | |
| 53-1702010 | 53-1702010 | Верхняя крышка коробки передач в сборе | |
| 258252-П | 258252-П | Шплинт 1,2х150 ОСТ 37.001.172-92 | |
| 252136-П2 | 252136-П2 | Шайба 10 ОТ ОСТ 37.001.115-75 | |
| 1 | 51-1703088 | Рукоятка в сборе | |
| 2 | 52-1702128 | Колпак верхней крышки коробки передач защитный | |
| 3 | 52-1702120 | Рычаг переключения передач коробки передач | |
| 4 | 52-1702126 | Колпак рычага переключения передач | |
| 5 | 52-1702122 | Пружина рычага переключения передач | |
| 6 | 201505-П8 | Болт М10-6gх45 | |
| 7 | 52-1702015 | Верхняя крышка коробки передач | |
| 8 | 53-1702041 | Шток переключения третьей и четвертой передач | |
| 9 | 258948-П8 | Штифт 5х25 | |
| 10 | 53-1702024 | Вилка переключения первой и второй передач коробки передач | |
| 11 | 53-1702060 | Шток переключения первой и второй передач | |
| 12 | 52-1702025 | Головка штока переключения первой и второй передач коробки передач | |
| 13 | 52-1702016 | Прокладка верхней крышки коробки передач | |
| 14 | 290766-П | Винт М10х1-6hх17,5 | |
| 15 | 53-1702027 | Вилка переключения третьей и четвертой передач коробки передач | |
| 16 | 263014-П | Шарик диаметром 9,5 мм фиксатора механизма переключения передач | |
| 17 | ААА-7234 | Пружина стопорного шарика механизма переключения передач | |
| 18 | 201497-П8 | Болт М10х25 | |
| 19 | 52-1702075 | Палец штока переключения третьей и четвертой передач стопорный | |
| 20 | 52-1702080 | Плунжер стопорный штоков переключения передач | |
| 21 | 52-1702089 | Заглушка отверстия плунжеров штока переключения передач | |
| 22 | 260307-П | Заглушка 20 | |
| 23 | 52-1702042 | Шток переключения заднего хода | |
| 24 | 52-1702099 | Стопор пружины | |
| 25 | 52-1702098 | Пружина предохранителя включения заднего хода коробки передач | |
| 26 | 52-1702097 | Предохранитель включений первой и второй передач и заднего хода | |
| 27 | 52-1702095 | Головка штока заднего хода коробки передач | |
| 28 | 52-1702092 | Вилка включения заднего хода коробки передач | |
| 29 | 258639-П18 | Штифт 6х16 установочный рычага переключения передач |
Содержащиеся в справочниках-каталогах запасные части и детали не предлагаются к продаже, а носят исключительно информационный характер