Вернуться на главную
Поиск
Каталоги запчастей к технике
Грузовые автомобили и прицепы
ГАЗ
ГАЗ-51 (63, 93)
Реле-регулятор
Каталог запасных частей к технике: ГАЗ-51 (63, 93). Реле-регулятор
zoom-in
zoom-out
enlarge
shrink
circle-right
circle-left
file-text2
info
cart
Тип техники
Не выбрано
Легковые автомобили
Грузовые автомобили и прицепы
Автобусы
Сельхозтехника
Спецтехника
Двигатели
Мототехника
Марка
Не выбрано
BAW
DAF
DongFeng
FAW
Foton
HOWO
Hyundai
IVECO
JAC Motors
LGMG
MAN
Shaanxi
SITRAK
Studebaker
Tata
Volvo
Автокомпонент Плюс
БелАЗ
Брянский Арсенал
ГАЗ
ЗИЛ
КАЗ
Камский автозавод
КрАЗ
Мадара
МАЗ
МЗКТ
МоАЗ
Нефтекамский автозавод
Ставропольский Завод АвтоПрицепов
ТАТРА
Тонар
УралАЗ
ЧМЗАП
Модель
Не выбрано
ГАЗ-3306 (1994)
ГАЗ-3307 (2000)
ГАЗ-3307 (доп. с дв. ЗМЗ Е 3) (2009)
ГАЗ-3308 (2000)
ГАЗ-3308 (2002)
ГАЗ-3308 (доп. с дв. ЗМЗ Е 3) (2009)
ГАЗ-33081 (2008)
ГАЗ-3309
ГАЗ-3309 (доп. с дв. ЗМЗ Е 3) (2009)
ГАЗ-3309 (Евро 2) (2008)
ГАЗ-33104 Валдай (2006)
ГАЗ-33104 Валдай Евро 3 (2008)
ГАЗ-33106 Евро 3 (2015)
ГАЗ-4301
ГАЗ-51 (63, 63А) (1956)
ГАЗ-51 (63, 93) (1960)
ГАЗ-52-01
ГАЗ-52-02
ГАЗ-53 А (1989)
ГАЗ-5312 (2002)
ГАЗ-66 (Каталог 1983 г.) (1983)
ГАЗ-66 (Каталог 1996 г.) (1996)
ГАЗ-ММ "Полуторка" (1949)
ГАЗон NEXT C41R13-60 (2021)
Схема
>
Не выбрано
Кабина, передок, окно задка
Ветровое окно
Стеклоочиститель и привод
Дверь, сиденье водителя
Вентиляция передка, отопление
Зеркало заднего вида, противосолнечный козырек
Облицовка радиатора и капот
Переднее крыло, подножка
Платформа для ГАЗ-51А и ГАЗ-51Ж
Платформа для ГАЗ-63 и ГАЗ-63А
Подвеска двигателя
Блок цилиндров
Головка блока цилиндров
Поршни и шатуны
Коленчатый вал и маховик
Распределительный вал
Клапаны и толкатели
Газопровод
Масляный картер
Маслоприемник
Масляный насос
Масляный фильтр грубой очистки
Масляный радиатор
Вентиляция картера и воздушный фильтр
Пусковое оборудование двигателя, сливной краник
Масляный фильтр тонкой очистки
Бензиновый бак
Дополнительный бензиновый бак для ГАЗ-51П и 63Д
Дополнительный бензиновый бак для ГАЗ-63 и 63А
Бензинопровод
Бензиновый отстойник
Бензиновый насос
Карбюратор КГ22Г
Карбюратор К22К для ГАЗ-51Ж
Управление дроссельной и воздушной заслонками (акселератор)
Глушитель
Приемная и выпускная трубы глушителя для ГАЗ-63Д
Радиатор, трубопроводы и шланги
Водяной насос
Ветилятор
Жалюзи радиатора
Сцепление
Привод выключения сцепления
Коробка передач
Механизм переключения передач
Раздаточная коробка для ГАЗ-63, 63А, 63Д
Карданный вал для ГАЗ-93
Карданный вал
Карданный вал промежуточный для ГАЗ-63, ГАЗ-63А, ГАЗ-63Д
Карданный вал передний для ГАЗ-63, ГАЗ-63А, ГАЗ-63Д
Карданный вал промежуточный для ГАЗ-51А, ГАЗ-51Ж, ГАЗ-51П, ГАЗ-93 и ГАЗ-93А
Карданы привода опрокидывающего механизма для ГАЗ-63Д
Картер и кожухи полуосей
Главная передача
Дифференциал
Поворотные кулаки
Поперечные и продольные рулевые тяги
Картер и кожухи полуосей
Дифференциал и полуоси
Главная передача
Рама
Брызговики
Передний буфер
Передние рессоры
Амортизаторы передней подвески
Задние и дополнительные рессоры
Передняя ось
Колеса
Ступицы переднего колеса для ГАЗ-51А, ГАЗ-51Ж, ГАЗ-51П, ГАЗ-93 и ГАЗ-93А
Ступицы переднего колеса для ГАЗ-63, ГАЗ-63А, ГАЗ-63Д
Ступицы заднего колеса
Держатель запасного колеса для ГАЗ-51А, ГАЗ-51Ж, ГАЗ-63 и Газ-63А
Держатель запасного колеса для ГАЗ-51П, и Газ-63Д
Рулевое управление
Кронштейн крепления рулевого управления
Передние ножные тормоза
Задние ножные тормоза
Педаль и привод тормоза
Главный цилиндр для ГАЗ-51А, ГАЗ-51Ж, ГАЗ-63, ГАЗ-63А, ГАЗ-93 и ГАЗ-93А
Главный цилиндр тормоза для ГАЗ-51П и ГАЗ-6ЗД
Трубопроводы гидротормозов для ГАЗ-51А, ГАЗ-51Ж, ГАЗ-93 и ГАЗ-93А
Трубопроводы гидротормозов для ГАЗ-51П
Ручной тормоз и управление им
Гидровакуумный усилитель тормоза для ГАЗ-51П и ГАЗ-63Д
Клапан управления гидровакуумным усилителем тормоза для ГАЗ-51П и ГАЗ-63Д
Генератор
Реле-регулятор
Аккумуляторная батарея
Замок зажигания
Распределитель
Свечи, катушка зажигания и провода
Стартер
Фары, переключатели света
Подфарники, внутреннее освещение, предохранители, электропроводка
Задний фонарь
Сигнал
Указатели поворота
Штепсельная розетка
Коибинация проборов
Коробка отбора мощности для ГАЗ-93
Цилиндр опрокидывающего механизма для ГАЗ-93, 93А
Насос опрокидывающего механизма для ГАЗ-93
Управление насосом опрокидывающего механизма для ГАЗ-93
Насос и коробка отбора мощности для ГАЗ-93А
Седельно-опорное устройство для ГАЗ-51П и 63Д
Коробка отбора мощности
Газовое оборудование
Лебедка
Шоферский инструмент
Бачок для масла
Общий вид автомобиля ГАЗ-51А
Общий вид автомобиля ГАЗ-51Ж
Общий вид автомобиля ГАЗ-51П
Общий вид автомобиля ГАЗ-63А
Общий вид автомобиля ГАЗ-63Д
Общий вид автомобиля ГАЗ-93А
Болты с шестигранной головкой
Болты с шестигранной головкой
Болты с шестигранной головкой
Болты с шестигранной головкой
Болты
Болты
Шпильки винты
Винты
Винты
Шурупы
Гайки
Гайки
Гайки
Гайки
Гайки
Заглушки, шайбы
Шайбы
Шайбы
Шайбы
Шайбы
Заклепки
Заклепки
Заклепки
Шплинты, штифты
Штифты, пальцы
Шпонки, пробки
Пробки, шарик
Хомутик, прокладка, скобы
Пресс-масленки
Штуцеры
Пистон, сапун, клапан предохранительный
Пряжка и шплинт хомутика
Подшипники
Подшипники
Подшипники
Подшипники
Подшипники
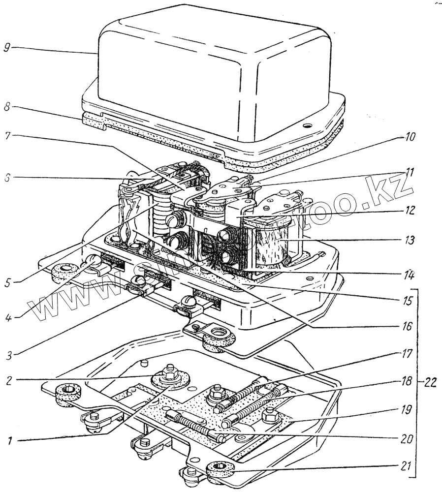
РР24-Г
1
2
3
4
5
6
7
8
9
10
11
12
13
14
15
16
17
18
19
20
21
22
Позиция на иллюстрации
Заводской номер детали
Название детали
252154-П8
252154-П8
Шайба 6 пружинная
РР24-3702418
РР24-3702418
Пружина
Х-4452
Х-4452
Шайба изоляционная
МХ-0284
МХ-0284
Шайба изоляционная
8Х-1541
8Х-1541
Винт
МХ-0741
МХ-0741
Шайба пружинная
Х-4001
Х-4001
Шайба 5Т пружинная
7Х-1497
7Х-1497
Шайба
Х-4001
Х-4001
Шайба 5Т пружинная
РР24-Г
РР24-Г
Реле-регулятор в сборе
252174-П8
252174-П8
Шайба 6 пружинная
252004-П8
252004-П8
Шайба 6
201422-П8
201422-П8
Болт М6-6gх25
1
МХ-0547
Шайба
2
Х-4003
Гайка М5-6Н
3
ВК14-3708053
Скоба клеммы включателя стартера
4
7Х-1598
Винт М5-8hх12
5
РР24-3702200
Реле обратного тока в сборе
6
РР24-3702205
Якорь реле обратного тока в сборе
7
РР24-3702320
Держатель контакта ограничителя тока в сборе
8
РР24-3702008
Прокладка уплотнительная
9
РР24-3702003
Крышка
10
РР24-3702300
Ограничитель тока в сборе
11
РР24-3702420
Якорь регулятора напряжения в сборе
12
РР24-3702440
Держатель с контактом в сборе
13
РР24-3702400
Регулятор напряжения в сборе
14
РР20-3702419
Прокладка изоляционная
15
РР24-3702105
Пластина изоляционная верхняя
16
РР24-3702217
Держатель с контактом в сборе
17
РР24-3702547
Сопротивление 13 Ом в сборе
18
РР24-3702542
Сопротивление 80 Ом в сборе
19
РР24-3702119
Пластина изоляционная нижняя
20
РР24-3702541
Сопротивление 30 Ом в сборе
21
РР20-3702020
Амортизатор в сборе
22
РР243702100
Основание в сборе
Содержащиеся в справочниках-каталогах запасные части и детали не предлагаются к продаже, а носят исключительно информационный характер
Дополнительная информация
×
Название:
Номер:
Примечание: