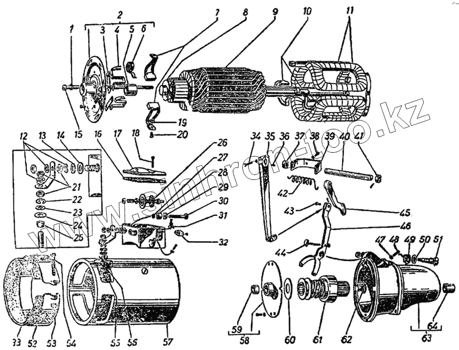
Каталог запасных частей к технике: ГАЗ-51 (63, 63А). Стартер
1
2
3
4
5
6
7
8
9
10
11
12
13
14
15
16
17
18
19
20
21
21
21
22
23
24
25
26
27
28
29
30
31
32
33
34
35
36
37
38
39
40
41
42
43
44
45
46
47
48
49
50
51
52
53
54
55
56
57
58
59
60
61
62
63
64
| Позиция на иллюстрации | Заводской номер детали | Название детали | |
|---|---|---|---|
| 7Х-4279 | 7Х-4279 | Винт | |
| 8Х-1598 | 8Х-1598 | Винт М5х7 | |
| 258948-П | 258948-П | Штифт 5х25 ОСТ 37.001.116-75 | |
| 258038-П | 258038-П | Шплинт 2,7х15 | |
| Х-4069 | Х-4069 | Шайба 8 пружинная | |
| Х-4001 | Х-4001 | Шайба 5Т пружинная | |
| 252135-П2 | 252135-П2 | Шайба 8Т ОСТ 37.001.115-75 | |
| Х-1537 | Х-1537 | Гайка | |
| Х-1533 | Х-1533 | Гайка М6 | |
| МХ-0097 | МХ-0097 | Винт М5-8gх12 | |
| МХ-0233 | МХ-0233 | Винт крепления фланца | |
| ВК14-3708000 | ВК14-3708000 | Включатель стартера в сборе | |
| 1 | Х-1482 | Шайба 6Т пружинная | |
| 2 | 60328 | Крышка со стороны коллектора в сборе | |
| 3 | 1-МЗ-43А | Прокладка изоляционная | |
| 4 | 1-МЗ-16 | Щеткодержатель | |
| 5 | 1-МЗ-40А | Втулка крышки со стороны коллектора | |
| 6 | 1-МЗ-19 | Пружина щетки стартера | |
| 7 | 1-МАФ-13 | Щетка стартера в сборе на массу | |
| 8 | ХЗ-9411 | Шайба якоря стартера упорная передняя | |
| 9 | СТ06200-А | Якорь стартера в сборе | |
| 10 | 1-МАФ-12 | Щетка стартера в сборе изолированная | |
| 11 | СТ20-3708110 | Катушка возбуждения в сборе | |
| 12 | МХ-0246 | Шайба 8 пружинная | |
| 13 | 1-МЮ-37 | Шайба контактного болта | |
| 14 | 1-МАБ-31 | Шайба контактного болта изолирующая | |
| 15 | 1-МВВ-20-Б | Винт корпуса стартера стяжной | |
| 16 | ВК14-3708045 | Прокладка крышки включателя | |
| 17 | ВК14-3708041 | Крышка включателя стартера | |
| 18 | МХ-0278 | Винт | |
| 19 | 8Х-1531 | Гайка М5 | |
| 20 | 8Х-1580 | Винт крепления щетки | |
| 21 | 8Х-1537 | Гайка М8 | |
| 21 | 8Х-1537 | Гайка М8 | |
| 21 | 8Х-1537 | Гайка М8 | |
| 22 | МХ-0246 | Шайба 8 пружинная | |
| 23 | 1-МЮ-37 | Шайба контактного болта | |
| 24 | СТ8-3708091 | Шина соединительная | |
| 25 | 1-МАБ-85 | Втулка контактного болта | |
| 26 | ВК14-3708060 | Плунжер с дисками в сборе | |
| 27 | 1-МЮ-52 | Шайба контактного болта изолирующая | |
| 28 | ВК14-3708005 | Втулка контактного болта | |
| 29 | ВК14-3708046 | Прокладка контактного болта | |
| 30 | ВК14-3708047 | Болт контактный включателя | |
| 31 | ВК14-3708053 | Скоба клеммы включателя стартера | |
| 32 | ВК14-3708030 | Фланец с фильцем в сборе | |
| 33 | МАФ-10-1358 | Прокладка | |
| 34 | 201460-П8 | Болт М8-6gх30 | |
| 35 | 51-3708014 | Рычаг валика педали включения стартера в сборе | |
| 36 | 260411-П | Шпонка сегментная 3х16 | |
| 37 | 51-3708045 | Шайба валика педали включения стартера уплотнительная | |
| 38 | 201454-П8 | Болт М8-6gх16 | |
| 39 | 51-3708022-Б | Кронштейн валика педали включения стартера | |
| 40 | 51-3708016-Б | Валик педали включения стартера | |
| 41 | 51-3708034-Б | Кольцо валика педали включения стартера упорное | |
| 42 | 51-3708020-Б1 | Пружина педали включения стартера возвратная | |
| 43 | 260031-П8 | Палец соединительного звена рычага включения привода стартера | |
| 44 | СТ8-3708080 | Штифт | |
| 45 | 51-3708018-Б | Педаль включения стартера | |
| 46 | СТ8-3708020 | Рычаг включения привода стартера в сборе | |
| 47 | М11-90118 | Гайка М5 | |
| 48 | М11-40991 | Винт ограничения хода рычага включения привода стартера | |
| 49 | СТ8-3708016 | Пружина оси рычага | |
| 50 | СТ8-3708015 | Седло пружины оси рычага | |
| 51 | СТ8-3708014 | Ось рычага включения привода стартера | |
| 52 | СЛ-8534 | Лента защитная | |
| 53 | Х-1531 | Гайка М6 | |
| 54 | МХ-0139 | Винт М5 | |
| 55 | 1-МЮ-28 | Болт контактный | |
| 56 | 1-МЮ-39 | Шайба изоляционная контактного болта | |
| 57 | СТ8-3708100 | Корпус стартера в сборе | |
| 58 | СТ8-3708050 | Подшипник промежуточный в сборе | |
| 59 | СТ8-3708052 | Втулка промежуточного подшипника | |
| 60 | СТ06005 | Шайба упорная привода стартера | |
| 61 | СТ20-3708600 | Привод стартера в сборе | |
| 62 | 1-МЮ-54 | Шайба упорная якоря стартера задняя | |
| 63 | СТ8-3708400 | Крышка со стороны привода в сборе | |
| 64 | СЛ-138-88 | Втулка крышки со стороны привода |
Содержащиеся в справочниках-каталогах запасные части и детали не предлагаются к продаже, а носят исключительно информационный характер