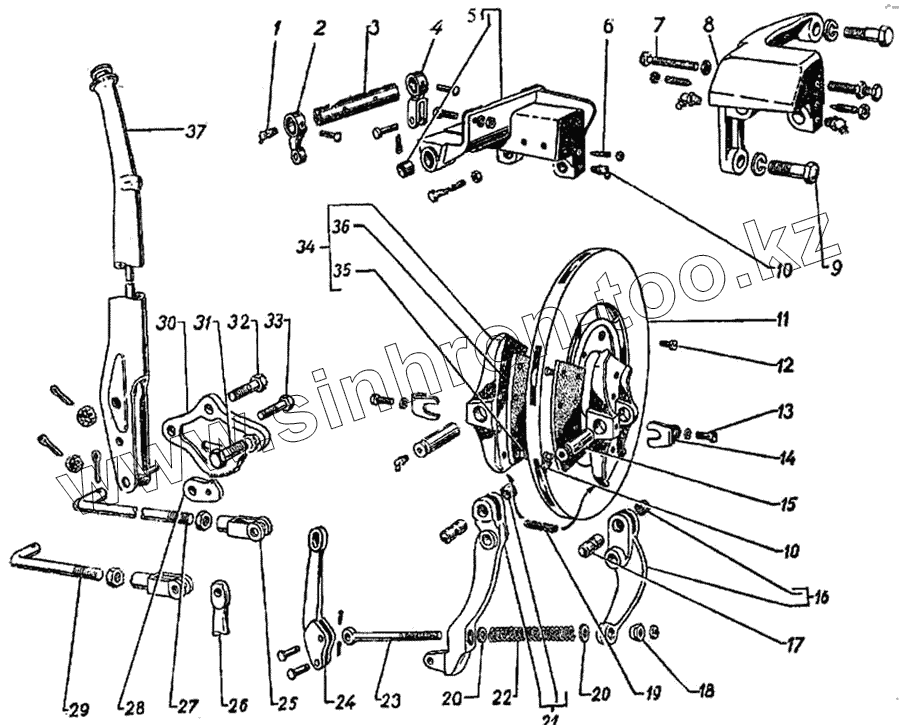
Каталог запасных частей к технике: ГАЗ-51 (63, 63А). Ручной тормоз
1
2
3
4
5
6
7
8
9
10
10
11
12
13
14
15
16
17
18
19
20
20
21
22
23
24
25
26
27
28
29
30
31
32
33
34
35
36
37
| Позиция на иллюстрации | Заводской номер детали | Название детали | |
|---|---|---|---|
| 264040-П8 | 264040-П8 | Пресс-масленка К 1/8" | |
| 201285-П8 | 201285-П8 | Болт М10-4hх32 | |
| А-23637 | А-23637 | Штифт головки тяги собачки рычага центрального тормоза | |
| 258025-П | 258025-П | Шплинт 2,5х20 | |
| 258039-П | 258039-П | Шплинт 3,2х20 ОСТ 37.001.171-93 | |
| 258025-П | 258025-П | Шплинт 2,5х20 | |
| А-2794-А | А-2794-А | Шляпка рычага | |
| 252135-П2 | 252135-П2 | Шайба 8Т ОСТ 37.001.115-75 | |
| 252137-П2 | 252137-П2 | Шайба 12.ОТ ОСТ 37.001.115-75 | |
| 252136-П2 | 252136-П2 | Шайба 10 ОТ ОСТ 37.001.115-75 | |
| 51-3508028 | 51-3508028 | Тяга собачки рычага центрального тормоза | |
| А-2793-В | А-2793-В | Пружина тяги собачки рычага центрального тормоза | |
| 260087-П8 | 260087-П8 | Палец рычага стяжки колодок ручного тормоза | |
| 260057-П8 | 260057-П8 | Палец 10х28 | |
| 250512-П8 | 250512-П8 | Гайка М10-6Н | |
| А-7508-В | А-7508-В | Втулка кронштейна педалей | |
| 51-3507029 | 51-3507029 | Втулка рычага колодки ручного тормоза | |
| 250976-П8 | 250976-П8 | Гайка М10х1 | |
| 250867-П8 | 250867-П8 | Гайка М8х1 | |
| 51-3507005 | 51-3507005 | Кронштейн ручного тормоза с колодками и рычагами в сборе | |
| А-2788 | А-2788 | Гильза пружины рычага ручного тормоза | |
| А-2791-С | А-2791-С | Головка тяги собачки рычага центрального тормоза | |
| 252814-П | 252814-П | Заклепка рычага валика привода ручного тормоза | |
| 250515-П8 | 250515-П8 | Гайка М12х1,25 | |
| 250612-П8 | 250612-П8 | Гайка М10 | |
| 250602-П8 | 250602-П8 | Контргайка винта 242246-П8 | |
| 250602-П8 | 250602-П8 | Контргайка винта 242246-П8 | |
| 1 | 264030-П8 | Пресс-масленка 2.3.45.Ц6 | |
| 2 | 63-3508070 | Рычаг привода ручного тормоза | |
| 3 | 63-3508062 | Валик привода ручного тормоза с заглушкой в сборе | |
| 4 | 63-3508065 | Рычаг валика ручного тормоза | |
| 5 | 63-3507010 | Кронштейн колодок ручного тормоза в сборе | |
| 6 | 290653-П8 | Болт М12х1,25х38 | |
| 7 | 290676-П8 | Болт М8Х1,25х58 колодки ручного тормоза регулировочный | |
| 8 | 51-3507010 | Кронштейн ручного тормоза | |
| 9 | 201542-П8 | Болт М12х35 | |
| 10 | 264035-П8 | Пресс-масленка К1/8" | |
| 10 | 264035-П8 | Пресс-масленка К1/8" | |
| 11 | 51-3507052-В | Диск ручного тормоза | |
| 12 | 224682-П8 | Винт М8-6gх16 | |
| 13 | 201452-П8 | Болт М8х1,25х12 | |
| 14 | 51-3507024 | Стопор оси колодки ручного тормоза | |
| 15 | 51-3507022-А | Ось колодки ручного тормоза | |
| 16 | 51-3507034 | Рычаг колодки ручного тормоза задний в сборе | |
| 17 | 51-3507030 | Ось рычага колодки ручного тормоза | |
| 18 | 292830-П8 | Гайка 1М12х1,25 стяжки рычага ручного тормоза | |
| 19 | 51-3507048 | Пружина замка багажника | |
| 20 | 252045-П8 | Шайба 12 верхняя | |
| 21 | 51-3507026 | Рычаг колодки ручного тормоза передний в сборе | |
| 22 | 51-3507043 | Пружина стяжки рычагов колодок ручного тормоза | |
| 23 | 51-3507040 | Стяжка рычагов колодок ручного тормоза | |
| 24 | 63-3507045 | Рычаг стяжки колодок ручного тормоза | |
| 25 | 060-142642 | Вилка привода ручного тормоза регулировочная | |
| 26 | 51-3507045 | Рычаг стяжки колодок ручного тормоза | |
| 27 | 63-3508043 | Тяга привода ручного тормоза | |
| 28 | 51-3508030 | Собачка рычага центрального тормоза | |
| 29 | 51-3508043 | Тяга привода ручного тормоза | |
| 30 | 51-3508048 | Сектор рычага центрального тормоза | |
| 31 | 201540-П8 | Болт М12х1,75х30 | |
| 32 | 205442-П8 | Болт 1М10Х1Х40 крепления рычага ручного тормоза к сектору | |
| 33 | 205424-П8 | Болт М8х1х35 | |
| 34 | 51-3507015 | Колодка ручного тормоза в сборе | |
| 35 | 255872-П | Заклепка | |
| 36 | 51-3507020 | Накладка колодки ручного тормоза | |
| 37 | 51-3508015 | Рычаг центрального тормоза в сборе |
Содержащиеся в справочниках-каталогах запасные части и детали не предлагаются к продаже, а носят исключительно информационный характер