Каталог запасных частей к технике: ГАЗ-51 (63, 63А). Реле-регулятор
1
2
3
3
3
4
5
6
7
8
8
9
10
11
12
13
14
15
16
17
18
19
20
21
22
23
24
25
26
27
28
29
30
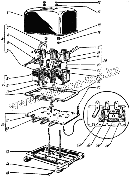
| Позиция на иллюстрации | Заводской номер детали | Название детали | |
|---|---|---|---|
| 8Х-1497 | 8Х-1497 | Шайба 5 | |
| 1 | РР12-3702003 | Крышка реле-регулятора в сборе | |
| 2 | РР12-3702200 | Реле обратного тока в сборе | |
| 3 | РР11-3702418 | Пружина якоря регулятора напряжения ограничителя тока и реле обратного тока | |
| 4 | РР11-3702205 | Якорь реле в сборе | |
| 5 | РР11-3702217 | Держатель контактов в сборе | |
| 6 | РР15-3702201 | Катушка реле в сборе | |
| 7 | РР12-3702300 | Ограничитель тока в сборе | |
| 8 | РР11-3702319 | Ограничитель хода контактов регулятора напряжения и ограничителя тока в сборе | |
| 9 | РР11-3702305 | Якорь ограничителя тока в сборе | |
| 10 | РР12-3702510 | Панель с клеммами в сборе | |
| 11 | МХ-0098 | Винт контактный | |
| 12 | МХ-0246 | Шайба 8 пружинная | |
| 13 | РР15-3702100 | Основание реле-регулятора в сборе | |
| 14 | Х-4001 | Шайба 5Т пружинная | |
| 15 | 7Х-1548 | Винт крепления провода «на массу» | |
| 16 | 8Х-1533 | Гайка М6-6Н | |
| 17 | Х-1482 | Шайба 6Т пружинная | |
| 18 | РР11-3702006 | Втулка шпильки крышки | |
| 19 | МХ-0094 | Шайба плоская | |
| 20 | РР12-3702400 | Регулятор напряжения в сборе | |
| 21 | РР12-3702420-А | Якорь регулятора напряжения в сборе | |
| 22 | РР11-3702215 | Штифт регулировочный для натяжения пружины якоря | |
| 23 | РР11-3702214 | Гайка фасонная специальная | |
| 24 | РР12-3702401 | Катушка магнитная регулятора напряжения в сборе | |
| 25 | РР15-3702008 | Прокладка крышки реле-регулятора | |
| 26 | МХ-0097 | Винт М5-8gх12 | |
| 27 | РР12-3702547 | Сопротивление 15 ом | |
| 28 | РР12-3702541 | Сопротивление 30 ом | |
| 29 | РР12-3702550 | Сопротивление 1 ом | |
| 30 | РР12-3702542 | Сопротивление 80 ом |
Содержащиеся в справочниках-каталогах запасные части и детали не предлагаются к продаже, а носят исключительно информационный характер