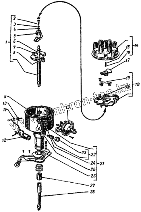
Каталог запасных частей к технике: ГАЗ-51 (63, 63А). Распределитель
1
2
3
4
5
6
7
8
9
10
11
12
13
14
15
16
17
18
19
20
21
22
23
24
25
26
27
28
| Позиция на иллюстрации | Заводской номер детали | Название детали | |
|---|---|---|---|
| Н-1387 | Н-1387 | Шайба 5,4 пружинная | |
| Н-1318 | Н-1318 | Винт М4х6 | |
| 298492-П | 298492-П | Штуцер угловой трубки вакуумного регулятора распределителя | |
| 280020-П8 | 280020-П8 | Штуцер трубки вакуумного регулятора распределителя прямой (к карбюратору) | |
| Н-1395 | Н-1395 | Шайба рычага прерывателя замковая | |
| Н-1387 | Н-1387 | Шайба 5,4 пружинная | |
| Н-1360 | Н-1360 | Шайба 5,3 плоская | |
| Н-1386 | Н-1386 | Шайба 4 пружинная | |
| Н-1350 | Н-1350 | Шайба 4 | |
| 51-3706315 | 51-3706315 | Трубка вакуумного регулятора распределителя в сборе | |
| 11-12211-М | 11-12211-М | Скоба крепления трубки вакуумного регулятора распределителя к двигателю | |
| Р20-3706611 | Р20-3706611 | Пружина вакуумного регулятора | |
| Р-20-3706360 | Р-20-3706360 | Провод соединения рычага прерывателя с клеммой вывода низкого напряжения | |
| НМВ-10-3854 | НМВ-10-3854 | Пробка вакуумного регулятора | |
| Н-1314 | Н-1314 | Винт М5х12 | |
| Н-1313 | Н-1313 | Винт М5х10 | |
| 1 | Р20-3706200 | Валик распределителя с центробежным автоматом в сборе | |
| 2 | Н-1309 | Винт М4х10 | |
| 3 | Н-1382 | Шайба пружинная диаметром 4,5 мм | |
| 4 | Н-1351 | Шайба плоская | |
| 5 | Р20-3706230 | Кулачок прерывателя в сборе | |
| 6 | Р20-3706240 | Груз центробежного автомата в сборе | |
| 7 | СТ-7302 | Пружина груза толстая | |
| 8 | СТ-7303 | Пружина груза тонкая | |
| 9 | Р-10-7064 | Втулка изоляционная клеммы | |
| 10 | Р-10-7061 | Клемма вывода низкого напряжения | |
| 11 | Р-10-7063 | Скоба клеммы | |
| 12 | Р20-3706400 | Конденсатор в сборе | |
| 13 | Р20-3706600-А | Регулятор вакуумный с кронштейном в сборе | |
| 14 | Р20-3706500 | Крышка распределителя в сборе | |
| 15 | 1-ИГ-515 | Пружина контактного уголька | |
| 16 | 1-ИГ-514 | Уголек контактный | |
| 17 | Р20-3706020 | Бегунок распределителя в сборе | |
| 18 | Р20-3706300 | Прерыватель в сборе | |
| 19 | Р-7969 | Рычаг прерывателя в сборе (молоточек) | |
| 20 | Р10-7144 | Стойка прерывателя контактная в сборе (наковальня) | |
| 21 | Р20-3706100 | Корпус крепления крышки распределителя | |
| 22 | Р34-3706110 | Масленка распределителя в сборе | |
| 23 | Р-8050-А | Крышка масленки | |
| 24 | 1-ИГ-352 | Ось пружины крышки распределителя | |
| 25 | 1-ИГ-694 | Пружина крепления крышки распределителя | |
| 26 | 1-ИГ-579-А | Втулка валика распределителя | |
| 27 | Р23-3706011 | Муфта промежуточного валика распределителя | |
| 28 | Р20-3706012 | Валик распределителя промежуточный |
Содержащиеся в справочниках-каталогах запасные части и детали не предлагаются к продаже, а носят исключительно информационный характер