Каталог запасных частей к технике: ГАЗ-51 (63, 63А). Коробка передач
1
2
3
4
5
6
7
8
9
10
11
12
13
14
15
16
17
18
19
20
21
22
23
24
25
26
27
28
29
30
31
32
33
34
35
36
37
38
39
40
41
42
43
44
45
46
47
48
49
50
51
52
53
54
55
56
57
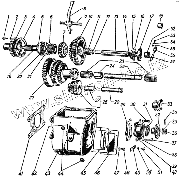
| Позиция на иллюстрации | Заводской номер детали | Название детали | |
|---|---|---|---|
| 63-1700010 | 63-1700010 | Коробка передач в сборе | |
| 51-1700010 | 51-1700010 | Коробка передач в сборе | |
| 1 | 201458-П8 | Болт М8х1,25х25 | |
| 2 | 252155-П2 | Шайба 8Л ОСТ 37.001.115-75 | |
| 3 | 51-7050-Б | Крышка подшипника | |
| 4 | 51-7051 | Прокладка крышки подшипника | |
| 5 | АА-7045 | Кольцо упорное подшипника ведущего вала | |
| 6 | АА-7043 | Маслоотражатель подшипника ведущего вала | |
| 7 | 51-1701114 | Шестерня третьей и четвертой передач | |
| 8 | АА-7243 | Вилка переключения заднего хода | |
| 9 | АА-7244 | Ось вилки | |
| 10 | 51-1701112 | Блок шестерен первой и второй передач | |
| 11 | АА-7120-А2 | Подшипник переднего конца вторичного вала коробки передач роликовый | |
| 12 | АА-7063 | Кольцо установочное роликового подшипника | |
| 13 | 51-7061-Б | Вторичный вал | |
| 14 | АА-7062 | Кольцо упорное | |
| 15 | АА-7080 | Маслоотражатель подшипника | |
| 16 | АА-7070 | Кольцо стопорное шайбы приставной | |
| 17 | АА-7065 | Подшипник вторичного вала коробки передач шариковый задний | |
| 18 | 63-1701076-Б | Кольцо подшипника вторичного вала коробки передач распорное | |
| 19 | 51-7017 | Вал ведущий | |
| 20 | АА-7025 | Подшипник ведущего вала коробки передач шариковый | |
| 21 | АА-7030 | Кольцо стопорное | |
| 22 | 51-1701050 | Блок шестерен промежуточного вала | |
| 23 | АА-7118-А2 | Подшипник промежуточного вала коробки передач роликовый | |
| 24 | АА-7115-А2 | Втулка распорная | |
| 25 | 51-7111-А | Ось блока шестерен промежуточного вала | |
| 26 | АА-7141 | Блок шестерен заднего хода коробки передач в сборе | |
| 27 | АА-7143 | Втулка блока шестерен заднего хода коробки передач | |
| 28 | АА-7140-А | Ось блока | |
| 29 | 63-1701203 | Прокладка крышки заднего подшипника вторичного вала коробки передач | |
| 30 | 201458-П8 | Болт М8х1,25х25 | |
| 31 | 51-1701210-А2 | Сальник крышки заднего подшипника вторичного вала коробки передач | |
| 32 | 51-1701240-В | Фланец вторичного вала коробки передач | |
| 33 | 63-1802043-Б | Муфта фланца вторичного вала коробки передач в сборе | |
| 34 | 258055-П | Шплинт 3,6х36 | |
| 35 | 51-2402064 | Шайба специальная | |
| 36 | 292940-П8 | Гайка 1М22х1,5 крепления фланца вторичного вала коробки передач | |
| 37 | 201466-П8 | Болт М8-6gх45 | |
| 38 | 252135-П2 | Шайба 8Т ОСТ 37.001.115-75 | |
| 39 | 51-1701205 | Крышка заднего подшипника главного вала коробки передач | |
| 40 | 63-1701205-Б | Крышка коробки передач задняя | |
| 41 | 51-7620 | Прокладка между картером коробки передач и картером сцепления | |
| 42 | 258041-П8 | Шплинт оси вилки переключения заднего хода стопорный | |
| 43 | 51-1701015-Б | Картер коробки передач | |
| 44 | 262513-П | Пробка КГ 3/4" | |
| 45 | АА-7166-А | Прокладка крышки люка | |
| 46 | АА-7165 | Крышка люка | |
| 47 | 252136-П2 | Шайба 10 ОТ ОСТ 37.001.115-75 | |
| 48 | 201495-П8 | Болт М10-6gх20 | |
| 49 | АА-7155 | Стопор осей шестерен промежуточного вала и заднего хода | |
| 50 | 252136-П2 | Шайба 10 ОТ ОСТ 37.001.115-75 | |
| 51 | 201495-П8 | Болт М10-6gх20 | |
| 52 | 51-3802033 | Шестерня привода спидометра ведущая | |
| 53 | 290490-П8 | Болт М6-6gх12 | |
| 54 | 252154-П2 | Шайба 6Л ОСТ 37.001.115-75 | |
| 55 | 51-2802031 | Стопор штуцера ведомой шестерни спидометра | |
| 56 | 51-3802030 | Штуцер гибкого вала | |
| 57 | 51-3802034 | Шестерня привода к спидометру ведомая |
Содержащиеся в справочниках-каталогах запасные части и детали не предлагаются к продаже, а носят исключительно информационный характер