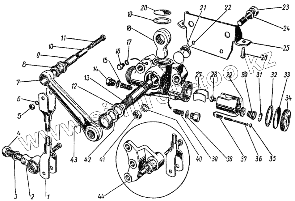
Каталог запасных частей к технике: ГАЗ-51 (63, 63А). Амортизатор передней подвески
1
2
3
4
5
6
7
8
9
10
11
12
13
14
15
16
17
18
19
20
21
22
23
24
25
26
27
28
29
30
31
32
33
34
35
36
37
38
39
40
41
42
43
44
| Позиция на иллюстрации | Заводской номер детали | Название детали | |
|---|---|---|---|
| 51-2905006-Б | 51-2905006-Б | Амортизатор передней, подвески правый в сборе | |
| 51-2905007-Б | 51-2905007-Б | Амортизатор передней подвески левый в сборе | |
| 1 | 51-2905430-В2 | Стойка амортизатора передней подвески | |
| 2 | 51-2905472 | Проушина стойки амортизатора передней подвески | |
| 3 | 252139-П2 | Шайба 16.ОТ ОСТ 37.001.115-75 | |
| 4 | 250561-П8 | Гайка М16х1,5 | |
| 5 | 250789-П8 | Гайка 1М8х1 | |
| 6 | 252155-П2 | Шайба 8Л ОСТ 37.001.115-75 | |
| 7 | 51-2905126 | Рычаг амортизатора передней подвески | |
| 8 | 11-18078 | Втулка рычага и проушины стойки амортизатора задней подвески резиновая | |
| 9 | 11-18080 | Втулка (бронзовая) головки рычага амортизатора | |
| 10 | 11-18079 | Втулка рычага и проушины стойки амортизатора задней подвески стальная | |
| 11 | 20-2915418 | Палец стойки амортизатора задней подвески | |
| 12 | 20-2915150 | Кольцо уплотнительное сальника валика амортизатора (резиновое) | |
| 13 | 11-18062-Б | Валик амортизатора | |
| 14 | 11-2905054 | Пробка рабочего клапана амортизатора | |
| 15 | 51-2905240 | Клапан рабочий хода отдачи амортизатора задней подвески в сборе | |
| 16 | 11-18023 | Пробка наливного отверстия картера амортизатора | |
| 17 | 11-18024 | Прокладка пробки наливного отверстия картера амортизатора | |
| 18 | 11-18065-Б | Кулачок амортизатора | |
| 19 | 11-18026 | Прокладка заглушки верхнего отверстия картера амортизатора | |
| 20 | 296995-П | Заглушка 52 | |
| 21 | 11-18025 | Прокладка заглушки заднего отверстия картера амортизатора | |
| 22 | 296986-П | Заглушка 30 | |
| 23 | 291055-П8 | Болт М14х1,5х75 | |
| 24 | 293391-П2 | Шайба диаметром 14 мм | |
| 25 | 51-2905540 | Кронштейн амортизатора передней подвески | |
| 26 | 252805-П | Заклепка крепления поперечины № 6 к лонжерону | |
| 27 | 11-18035 | Пластина пружинная поршня амортизатора | |
| 28 | 11-18034 | Головка упорная поршня амортизатора | |
| 29 | 11-18038 | Тарелка впускного клапана амортизатора в сборе | |
| 30 | 11-18044 | Пружина впускного клапана амортизатора | |
| 31 | 11-18045 | Кольцо стопорное пружины впускного клапана амортизатора | |
| 32 | 11-18022 | Прокладка крышки днища картера амортизатора | |
| 33 | 11-18021 | Пластина крышки днища картера амортизатора | |
| 34 | 11-18020 | Крышка днища цилиндра картера амортизатора | |
| 35 | 296906-П | Заглушка 9 | |
| 36 | 290325-П | Винт М4х0,7х62 | |
| 37 | 11-18037 | Пружина стяжного винта поршня амортизатора | |
| 38 | 11-2905092 | Прокладка пробки рабочего клапана амортизатора | |
| 39 | 51-2905241 | Клапан хода сжатия амортизатора передней подвески рабочий в сборе | |
| 40 | 252138-П2 | Шайба 14.ОТ ОСТ 37.001.115-75 | |
| 41 | 250559-П8 | Гайка М14х1,5 | |
| 42 | 11-18066-Б | Кольцо уплотнительное сальника валика амортизатора (пробковое) | |
| 43 | 11-18068-Б | Колпачок сальника валика амортизатора | |
| 44 | 63-2905510-Б | Кронштейн стойки амортизатора |
Содержащиеся в справочниках-каталогах запасные части и детали не предлагаются к продаже, а носят исключительно информационный характер