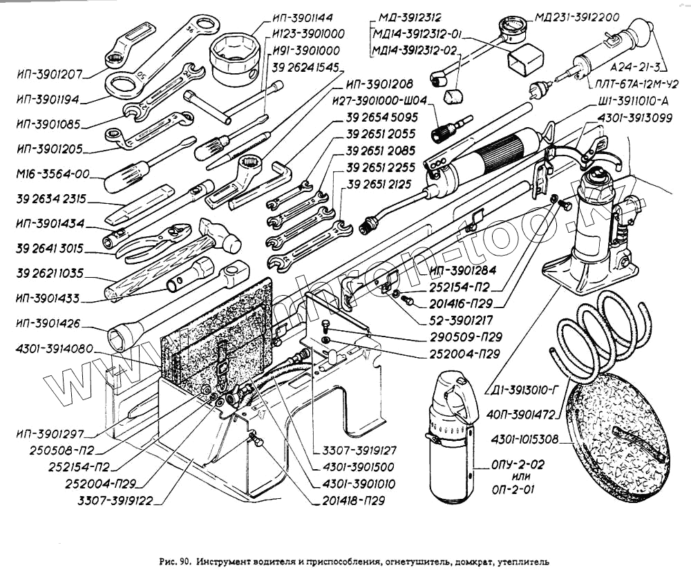
Каталог запасных частей к технике: ГАЗ-4301. Инструмент водителя и приспособления, огнетушитель, домкрат, утеплитель
40П-3901472
И27-3901000-Ш04
ОПУ-2-02
ОП-2-01
М16-3564-00
И91-3901000
ПЛТ-67А-12М-У2
4301-3901010
4301-3914080
МД-3912312
МД-3912312-01
252004-П29
252004-П29
252154-П2
252154-П2
МД231-3912200
4301-3901500
Ш1-3911010-А
39 2621 1035
39 2651 2125
39 2634 2315
ИП-3901426
39 2654 5095
39 2651 2085
39 2651 2255
39 2651 2055
39 2641 3015
39 2624 1545
ИП-3901085
3307-3919122
201416-П29
201418-П29
290509-П29
250508-П29
4301-3913099
Д1-3913010-Г
52-3901217
ИП-3901434
ИП-3901205
ИП-3901207
3307-3919127
ИП-3901208
ИП-3901194
И123-3901000
ИП-3901144
ИП-3901433
МД-3912312-02
4301-1015308
А24-21-3
ИП-3901297
ИП-3901284
| Позиция на иллюстрации | Заводской номер детали | Название детали | |
|---|---|---|---|
| 40П-3901472 | 40П-3901472 | Шланг для прокачивания гидротормозов | |
| И27-3901000-Ш04 | И27-3901000-Ш04 | Накладка к шприцу | |
| ОПУ-2-02 | ОПУ-2-02 | Огнетушитель с кронштейном | |
| ОП-2-01 | ОП-2-01 | Огнетушитель | |
| М16-3564-00 | М16-3564-00 | Отвертка 250х1,4 в сборе | |
| И91-3901000 | И91-3901000 | Отвертка комбинированная | |
| ПЛТ-67А-12М-У2 | ПЛТ-67А-12М-У2 | Светильник | |
| 4301-3901010 | 4301-3901010 | Сумка инструментальная | |
| 4301-3914080 | 4301-3914080 | Утеплитель с пистонами в сборе | |
| МД-3912312 | МД-3912312 | Футляр в сборе | |
| МД-3912312-01 | МД-3912312-01 | Футляр | |
| 252004-П29 | 252004-П29 | Шайба 6 ОСТ 37.001.144-96 | |
| 252154-П2 | 252154-П2 | Шайба 6Л ОСТ 37.001.115-75 | |
| МД231-3912200 | МД231-3912200 | Манометр шинный в сборе | |
| 4301-3901500 | 4301-3901500 | Шланг отбора воздуха | |
| Ш1-3911010-А | Ш1-3911010-А | Шприц рычажно-плунжерный ТУ 37.001.424-82 | |
| 39 2621 1035 | 39 2621 1035 | Молоток (И 108-3901000) | |
| 39 2651 2125 | 39 2651 2125 | Ключ 19х22 (ИП-3901033) | |
| 39 2634 2315 | 39 2634 2315 | Зубило (ИП-3901246) | |
| ИП-3901426 | ИП-3901426 | Ключ | |
| 39 2654 5095 | 39 2654 5095 | Ключ 12 (ИП-3901324) | |
| 39 2651 2085 | 39 2651 2085 | Ключ 12х14 (ИП-3901023) | |
| 39 2651 2255 | 39 2651 2255 | Ключ 13х17 (ИП-3901021) | |
| 39 2651 2055 | 39 2651 2055 | Ключ 8х10 (ИП-3901022) | |
| 39 2641 3015 | 39 2641 3015 | Плоскогубцы (И78-3901000) | |
| 39 2624 1545 | 39 2624 1545 | Бородок | |
| ИП-3901085 | ИП-3901085 | Ключ 24х27 | |
| 3307-3919122 | 3307-3919122 | Боковина правая | |
| 201416-П29 | 201416-П29 | Болт М6-6gх12 ОСТ 37.001.123-96 | |
| 201417-П29 | 201417-П29 | Болт М6-6gх14 ОСТ 37.001.123-96 | |
| 201418-П29 | 201418-П29 | Болт М6-6gх16 ОСТ 37.001.123-96 | |
| 290509-П29 | 290509-П29 | Болт М6-6gх25 | |
| 250508-П29 | 250508-П29 | Гайка М6-6Н ОСТ 37.001.124-93 | |
| 4301-3913099 | 4301-3913099 | Держатель домкрата в сборе | |
| Д1-3913010-Г | Д1-3913010-Г | Домкрат гидравлический в сборе | |
| 52-3901217 | 52-3901217 | Зажим монтажной лопатки | |
| ИП-3901434 | ИП-3901434 | Ключ 13х14 специальный торцевой | |
| ИП-3901205 | ИП-3901205 | Ключ 17х19 накидной | |
| ИП-3901207 | ИП-3901207 | Ключ накидной 24 | |
| 3307-3919127 | 3307-3919127 | Боковина левая | |
| ИП-3901208 | ИП-3901208 | Ключ накидной 30 | |
| ИП-3901194 | ИП-3901194 | Ключ для внутреннего колпака ступицы (51-3901154) | |
| И123-3901000 | И123-3901000 | Ключ 6х10 для прокачки тормозов и воздушного крана | |
| ИП-3901144 | ИП-3901144 | Ключ 82 для регулировки подшипников ступиц задних колес | |
| ИП-3901433 | ИП-3901433 | Ключ свечей подогрева 27 | |
| МД-3912312-02 | МД-3912312-02 | Колпачок | |
| 4301-3900010 | 4301-3900010 | Комплект инструмента и принадлежностей (прилагается к автомобилю) | |
| 4301-1015308 | 4301-1015308 | Крышка с ремнем | |
| А24-21-3 | А24-21-3 | Лампа накаливания (d=15, D=26,5, L=45) ГОСТ 2023.1 -88 | |
| ИП-3901297 | ИП-3901297 | Лопатка монтажная | |
| ИП-3901284 | ИП-3901284 | Лопатка монтажная и вороток гидродомкрата |
Содержащиеся в справочниках-каталогах запасные части и детали не предлагаются к продаже, а носят исключительно информационный характер