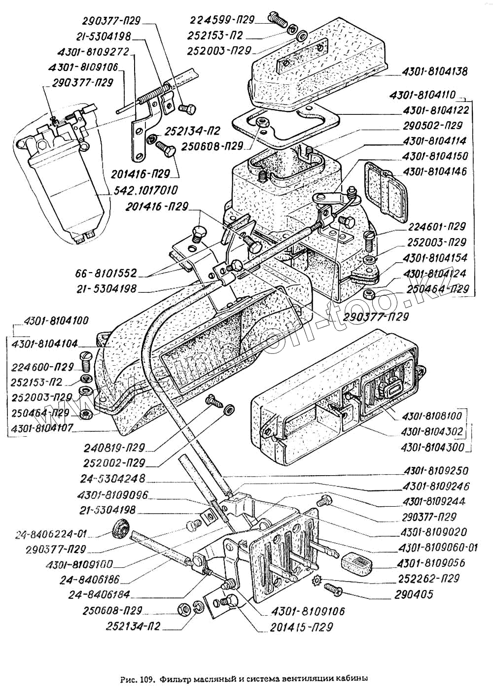
Каталог запасных частей к технике: ГАЗ-4301. Фильтр масляный и система вентиляции кабины
4301-8109100
4301-8109020
4301-8104122
4301-8104154
66-8101552
4301-8109056
4301-8108100
4301-8104104
4301-8104107
4301-8104114
4301-8104124
24-8406186
4301-8109250
4301-8104302
4301-8109244
4301-8109106
4301-8109106
542.1017010
252002-П29
252003-П29
252003-П29
252003-П29
252262-П29
252153-П2
252153-П29
252134-П2
252134-П29
24-5304248
250608-П29
250608-П29
290377-П29
290377-П29
290377-П29
290377-П29
290377-П29
290502-П29
201415-П29
201416-П29
201416-П29
240819-П29
224599-П29
224600-П29
224601-П29
4301-8104100
24-8406224-01
250464-П29
250464-П29
290405-П29
4301-8109272
21-5304198
21-5304198
21-5304198
4301-8104146
4301-8104110
4301-8109060-01
24-8406184
4301-8109096
4301-8109246
4301-8104150
4301-8104138
4301-8104300
| Позиция на иллюстрации | Заводской номер детали | Название детали | |
|---|---|---|---|
| 4301-8109100 | 4301-8109100 | Тяга заслонки воздухопритока | |
| 4301-8109020 | 4301-8109020 | Привод вентиляции и отопления кабины в сборе | |
| 4301-8104122 | 4301-8104122 | Прокладка короба вентиляции | |
| 4301-8104154 | 4301-8104154 | Прокладка стенки короба | |
| 66-8101552 | 66-8101552 | Прокладка кронштейна охладителя воздуха | |
| 4301-8109056 | 4301-8109056 | Ручка привода | |
| 4301-8108100 | 4301-8108100 | Сопло патрубка в сборе | |
| 4301-8104104 | 4301-8104104 | Стенка воздуховода верхняя в сборе | |
| 4301-8104107 | 4301-8104107 | Стенка воздуховода нижняя | |
| 4301-8104114 | 4301-8104114 | Стенка короба вентиляции верхняя в сборе | |
| 4301-8104124 | 4301-8104124 | Стенка короба вентиляции нижняя | |
| 24-8406186 | 24-8406186 | Трубка защитная | |
| 4301-8109250 | 4301-8109250 | Трубка защитная оболочки тяги заслонки вентиляции | |
| 4301-8104302 | 4301-8104302 | Патрубок вентиляции | |
| 4301-8109244 | 4301-8109244 | Тяга заслонки вентиляции | |
| 4301-8109106 | 4301-8109106 | Тяга крана отопителя | |
| 542.1017010 | 542.1017010 | Фильтр масляный | |
| 252002-П29 | 252002-П29 | Шайба 4 ОСТ 37.001.144-96 | |
| 252003-П29 | 252003-П29 | Шайба 5 ОСТ 37.001.144-96 | |
| 252262-П29 | 252262-П29 | Шайба 2-5 ОСТ 37.001.147-75 | |
| 252153-П2 | 252153-П2 | Шайба 5Л ОСТ 37.001.115-75 | |
| 252153-П29 | 252153-П29 | Шайба 5 | |
| 252134-П2 | 252134-П2 | Шайба 6Т ОСТ 37.001.115-75 | |
| 252134-П29 | 252134-П29 | Шайба 6 | |
| 24-5304248 | 24-5304248 | Трубка защитная оболочки тяги заслонки воздухопритока | |
| 250608-П29 | 250608-П29 | Гайка М6-6Н ОСТ 37.001.124-93 | |
| 290377-П29 | 290377-П29 | Болт М5-6gх9 | |
| 290502-П29 | 290502-П29 | Болт М6-6gх14 | |
| 201415-П29 | 201415-П29 | Болт М6-6gх10 ОСТ 37.001.123-96 | |
| 201416-П29 | 201416-П29 | Болт М6-6gх12 ОСТ 37.001.123-96 | |
| 240819-П29 | 240819-П29 | Винт М4х16 ОСТ 37.001.188-81 | |
| 224599-П29 | 224599-П29 | Винт М5-6gх14 | |
| 224600-П29 | 224600-П29 | Винт М5-6gх16 | |
| 224601-П29 | 224601-П29 | Винт М5-6gх18 | |
| 4301-8104100 | 4301-8104100 | Воздуховод вентиляции кабины | |
| 24-8406224-01 | 24-8406224-01 | Втулка оболочки тяги привода замка капота | |
| 250464-П29 | 250464-П29 | Гайка М5-6Н ОСТ 37.001.124-93 | |
| 290405-П29 | 290405-П29 | Болт М5-6gх20 | |
| 4301-8109272 | 4301-8109272 | Держатель | |
| 21-5304198 | 21-5304198 | Зажим оболочки | |
| 4301-8104146 | 4301-8104146 | Заслонка короба вентиляции | |
| 4301-8104110 | 4301-8104110 | Короб вентиляции кабины в сборе | |
| 4301-8109060-01 | 4301-8109060-01 | Облицовка привода | |
| 24-8406184 | 24-8406184 | Оболочка тяги в сборе | |
| 4301-8109096 | 4301-8109096 | Оболочка тяги заслонки воздухопритока | |
| 4301-8109246 | 4301-8109246 | Оболочка тяги | |
| 4301-8104150 | 4301-8104150 | Ось заслонки короба вентиляции в сборе | |
| 4301-8104138 | 4301-8104138 | Отражатель короба вентиляции | |
| 4301-8104300 | 4301-8104300 | Патрубок вентиляции в сборе |
Содержащиеся в справочниках-каталогах запасные части и детали не предлагаются к продаже, а носят исключительно информационный характер