Вернуться на главную
Поиск
Каталоги запчастей к технике
Грузовые автомобили и прицепы
ГАЗ
ГАЗ-4301
Датчики на двигателе
Каталог запасных частей к технике: ГАЗ-4301. Датчики на двигателе
zoom-in
zoom-out
enlarge
shrink
circle-right
circle-left
file-text2
info
cart
Тип техники
Не выбрано
Легковые автомобили
Грузовые автомобили и прицепы
Автобусы
Сельхозтехника
Спецтехника
Двигатели
Мототехника
Марка
Не выбрано
BAW
DAF
DongFeng
FAW
Foton
HOWO
Hyundai
IVECO
JAC Motors
LGMG
MAN
Shaanxi
SITRAK
Studebaker
Tata
Volvo
Автокомпонент Плюс
БелАЗ
Брянский Арсенал
ГАЗ
ЗИЛ
КАЗ
Камский автозавод
КрАЗ
Мадара
МАЗ
МЗКТ
МоАЗ
Нефтекамский автозавод
Ставропольский Завод АвтоПрицепов
ТАТРА
Тонар
УралАЗ
ЧМЗАП
Модель
Не выбрано
ГАЗ-3306 (1994)
ГАЗ-3307 (2000)
ГАЗ-3307 (доп. с дв. ЗМЗ Е 3) (2009)
ГАЗ-3308 (2000)
ГАЗ-3308 (2002)
ГАЗ-3308 (доп. с дв. ЗМЗ Е 3) (2009)
ГАЗ-33081 (2008)
ГАЗ-3309
ГАЗ-3309 (доп. с дв. ЗМЗ Е 3) (2009)
ГАЗ-3309 (Евро 2) (2008)
ГАЗ-33104 Валдай (2006)
ГАЗ-33104 Валдай Евро 3 (2008)
ГАЗ-33106 Евро 3 (2015)
ГАЗ-4301
ГАЗ-51 (63, 63А) (1956)
ГАЗ-51 (63, 93) (1960)
ГАЗ-52-01
ГАЗ-52-02
ГАЗ-53 А (1989)
ГАЗ-5312 (2002)
ГАЗ-66 (Каталог 1983 г.) (1983)
ГАЗ-66 (Каталог 1996 г.) (1996)
ГАЗ-ММ "Полуторка" (1949)
ГАЗон NEXT C41R13-60 (2021)
Схема
>
Не выбрано
Кабина, подвеска кабины, крышка люка пола, крышка люка под тяги
Панель передка, коврики пола, стекла ветрового окна, крышка монтажного люка
Обивки и прокладки термошумоизоляционные кабины
Стеклоочиститель и привод
Омыватель
Панель приборов
Дверь, обивка, навеска, уплотнитель, подлокотник двери
Окно двери и механизм перемещения стекла двери
Замок и ручки двери
Сиденье водителя
Механизм регулирования сиденья водителя
Сиденье переднее
Амортизатор подвески сиденья
Система отопления и вентиляции кабины
Радиаторы отопителя, кожух радиатора с крышками вентилятора, электродвигателя отопителя
Фильтр масляный и система вентиляции кабины
Отопительно-вентиляционная система
Отсек независимого отопителя
Трубопроводы системы отопления
Зеркало заднего вида, держатели, поручни и крючки для одежды, козырек противосолнечный, крепление ремней безопасности
Подушки крепления оперения, облицовка радиатора, капот, подножки
Замок и привод замка капота, навеска капота
Оперение
Подвеска двигателя
Картер двигателя
Картер маховика
Головка цилиндра с втулками, седлами и шпильками, крышка коромысел, коромысла клапанов, клапана, механизм вращения клапанов
Поршни, шатуны и вал коленчатый
Вал распределительный, шестерня и блок промежуточных шестерен привода распределительного вала, толкатели клапанов
Газопровод
Картер масляный, вентиляция картера, указатель уровня масла, маслоприемник, насос масляный, маслоотделитель, фильтр масляный, труба сливная
Насос масляный, маслоотделитель и фильтр масляный
Радиатор масляный, плунжер термоклапана, привод топливного насоса высокого давления и вентилятора, вентилятор и привод, термосиловой элемент
Подогреватель пусковой
Теплообменник с горелкой
Бачок топливный и шланги системы предпускового подогревателя двигателя
Насос топливный пускового подогревателя
Устройство электрофакельное
Корпус привода топливного насоса высокого давления и вентилятора, привод вентилятора и муфта опережения впрыска топлива
Бак топливный
Фланец приемной трубки с фильтром, фильтр грубой очистки топлива, фильтр воздушный, трубопроводы топливные
Трубопроводы топливные, трубки высокого давления двигателя и форсунки
Насос топливный низкого давления (подкачивающий)
Акселератор (управления подачей топлива)
Акселератор (управления подачей топлива)
Фильтр воздушный
Крышка регулятора
Корпус регулятора числа оборотов двигателя, корпус и вал кулачковый топливного насоса высокого давления
Корпус топливного насоса с кулачковым валом, крышка регулятора в сборе, муфта и державка грузов, крышка смотрового люка
Насос топливный высокого давления, муфта соединительная с пластинами, трубки подвода и отвода масла
Секции топливного насоса и толкатели
Фильтр тонкой очистки топлива, насос топливоподкачивающий ручной и клапан фильтра
Муфта опережения впрыска топлива
Глушитель выхлопа, трубы и подвеска глушителя
Вентилятор, гидромуфта привода вентилятора
Кожухи вентилятора, радиатора
Терморегулятор, трубы подвода масла к терморегулятору, гидромуфте и труба подвода воздуха к терморегулятору
Сцепление
Привод сцепления
Главный цилиндр привода сцепления и рабочий цилиндр сцепления
Коробка передач
Первичный, вторичный, промежуточный валы и ось заднего хода коробки передач
Картер и крышки коробки передач, ведомая и ведущая шестерни привода спидометра
Механизм переключения передач коробки передач
Передача карданная трансмиссии
Валы карданные
Опора промежуточного карданного вала
Мост задний
Картер, редуктор, полуось заднего моста и крепление ступиц, тормозных барабанов задних колес
Редуктор заднего моста
Дифференциал заднего моста
Привод управления блокировкой моста
Рама, брызговики, бампер передний, устройство буксирное переднее
Крюк буксирный
Подвеска передняя
Подвеска задняя
Крепление переднего и заднего амортизаторов
Передний и задний амортизаторы
Ось передняя с тормозами, кулаки поворотные, балка передней оси с кронштейном и рычаги рулевой трапеции
Продольная и поперечная рулевые тяги
Колеса, держатель запасного колеса, шины
Управление рулевое
Механизм рулевого управления
Цилиндр силовой гидроусилителя руля
Насос гидроусилителя руля
Трубопроводы и клапан гидроусилителя руля
Тормоза задние
Ступицы, тормозные барабаны передних колес и детали передних тормозов
Детали задних тормозов и привода стояночного тормоза
Цилиндр главный тормозов, усилитель тормозов, выключатель сигнализатора раздельного привода тормозов
Бачок главного цилиндра тормозов, трубопроводы, фильтр воздушный гидровакуумного усилителя тормоза
Педаль и привод механизма управления тормозами, кран тормозной двухсекционный с рычагом и выключатель сигнала торможения
Трубопроводы
Рычаг стояночного тормоза в сборе и привод стояночного тормоза
Рычаг стояночного тормоза
Компрессор
Усилитель пневматический с главным цилиндром тормозов, регулятор давления, клапан контрольного вывода
Крепление воздушных баллонов, клапаны обратные, краники сливные и датчики низкого давления воздуха в баллонах
Клапан защитный, кран разобщительный
Клапан гидропневматический управления тормозами прицепа
Крепление генератора
Генератор
Батарея аккумуляторная
Стартер
Фары, фонари передние
Фонари задние
Фара-прожектор, фонарь освещения под капотом, повторитель боковой указателя поворота, плафон кабины и фонарь знака "Автопоезд"
Установка звуковых сигналов, пульта управления пусковым подогревателем прерывателя указателя поворота, розетки прицепа, штепсельной розетки, резистора, сопротивления независимого отопителя
Скобы и втулки электропроводов
Электропровода
Электрооборудование щитка, панели приборов
Щиток приборов
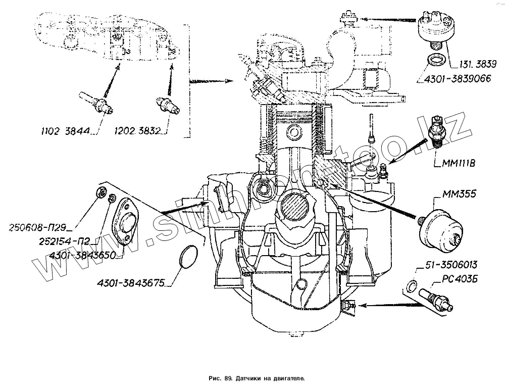
Датчики на двигателе
Коробка отбора мощности с маслонасосом, рычагом и патрубками
Коробка отбора мощности
Инструмент водителя и приспособления, огнетушитель, домкрат, утеплитель
250608-П29
ММ111В
1102.3844000
131.3839
ММ355-3829010
1202.3832000
4301-3843650
4301-3839066
4301-3843675
51-3506013
РС403Б-3729010
252154-П2
Позиция на иллюстрации
Заводской номер детали
Название детали
250608-П29
250608-П29
Гайка М6-6Н ОСТ 37.001.124-93
ММ111В
ММ111В
Датчик аварийного давления масла
1102.3844000
1102.3844000
Датчик аварийной температуры головки цилиндров 1102.3844
131.3839
131.3839
Датчик засоренности воздушного фильтра (131.3839600)
ММ355-3829010
ММ355-3829010
Датчик указателя давления масла ММ355
1202.3832000
1202.3832000
Датчик указателя температуры головки цилиндра 1202.3832
4301-3843650
4301-3843650
Заглушка
4301-3839066
4301-3839066
Прокладка уплотнительная датчика
4301-3843675
4301-3843675
Прокладка
51-3506013
51-3506013
Прокладка
РС403Б-3729010
РС403Б-3729010
Сигнализатор перегрева масла в двигателе РС403Б
252154-П2
252154-П2
Шайба 6Л ОСТ 37.001.115-75
Содержащиеся в справочниках-каталогах запасные части и детали не предлагаются к продаже, а носят исключительно информационный характер
Дополнительная информация
×
Название:
Номер:
Примечание: