Вернуться на главную
Поиск
Каталоги запчастей к технике
Грузовые автомобили и прицепы
ГАЗ
ГАЗ-33104 Валдай Евро 3
Установка системы охлаждения
Каталог запасных частей к технике: ГАЗ-33104 Валдай Евро 3. Установка системы охлаждения
zoom-in
zoom-out
enlarge
shrink
circle-right
circle-left
file-text2
info
cart
Тип техники
Не выбрано
Легковые автомобили
Грузовые автомобили и прицепы
Автобусы
Сельхозтехника
Спецтехника
Двигатели
Мототехника
Марка
Не выбрано
BAW
DAF
DongFeng
FAW
Foton
HOWO
Hyundai
IVECO
JAC Motors
LGMG
MAN
Shaanxi
SITRAK
Studebaker
Tata
Volvo
Автокомпонент Плюс
БелАЗ
Брянский Арсенал
ГАЗ
ЗИЛ
КАЗ
Камский автозавод
КрАЗ
Мадара
МАЗ
МЗКТ
МоАЗ
Нефтекамский автозавод
Ставропольский Завод АвтоПрицепов
ТАТРА
Тонар
УралАЗ
ЧМЗАП
Модель
Не выбрано
ГАЗ-3306 (1994)
ГАЗ-3307 (2000)
ГАЗ-3307 (доп. с дв. ЗМЗ Е 3) (2009)
ГАЗ-3308 (2000)
ГАЗ-3308 (2002)
ГАЗ-3308 (доп. с дв. ЗМЗ Е 3) (2009)
ГАЗ-33081 (2008)
ГАЗ-3309
ГАЗ-3309 (доп. с дв. ЗМЗ Е 3) (2009)
ГАЗ-3309 (Евро 2) (2008)
ГАЗ-33104 Валдай (2006)
ГАЗ-33104 Валдай Евро 3 (2008)
ГАЗ-33106 Евро 3 (2015)
ГАЗ-4301
ГАЗ-51 (63, 63А) (1956)
ГАЗ-51 (63, 93) (1960)
ГАЗ-52-01
ГАЗ-52-02
ГАЗ-53 А (1989)
ГАЗ-5312 (2002)
ГАЗ-66 (Каталог 1983 г.) (1983)
ГАЗ-66 (Каталог 1996 г.) (1996)
ГАЗ-ММ "Полуторка" (1949)
ГАЗон NEXT C41R13-60 (2021)
Схема
>
Не выбрано
Установка деталей кабины
Кабина (нерихтованная)
Кронштейн крепления кабины передний
Кронштейн крепления кабины задний
Кожух пола
Крышка люка пола
Установка накладок ковриков пола
Установка ковриков пола
Установка стеклоочистителя
Стекло ветрового окна
Облицовка наружной панели передка нижняя
Установка обивки передка
Установка дверцы вещевого ящика
Установка деталей термошумоизоляции передка
Установка панели приборов
Панель приборов
Установка обивки задка
Стекло окна задка
Установка обивки крыши
Установка обивки двери
Обивка двери правая в сборе
Обивка двери левая в сборе
Установка деталей двери
Стекло опускное двери правое
Стекло опускное двери левое
Установка стеклоподъемников
Установка замков и приводов замков передних дверей
Выключатель замка двери с ключами
Привод замка внутренний с тягой правый
Привод замка внутренний с тягой левый
Ручка двери наружная правая
Ручка двери наружная левая
Установка навески дверей
Установка сиденья водителя
Сиденье
Механизм регулирования сиденья водителя
Рама верхняя
Установка двухместного сиденья
Сиденье двухместное
Облицовка панели приборов центральная
Установка отопителя
Отопитель
Радиатор отопителя с прокладкой
Электродвигатель с фланцем
Корпус отопителя
Патрубок обогрева ветрового стекла правый
Патрубок обогрева ветрового стекла левый
Воздуховод правый
Воздуховод левый
Дефлектор правый
Короб воздухозаборника
Установка трубопроводов
Установка зеркал заднего вида
Установка зеркал заднего вида
Стойка наружного зеркала с опорой
Стойка наружного зеркала с опорой
Установка поручня и крючков для одежды
Установка передней пепельницы
Установка противосолнечных козырьков
Установка боковых габаритных фонарей
Установка орнаментов
Установка ремней безопасности
Установка деталей оперения
Решетка облицовки радиатора
Установка внутреннего капота
Установка дополнительной подножки
Установка привода замка капота
Привод замка капота
Установка упора капота
Установка термошумоизоляции капота
Установка термошумоизоляции капота
Платформа с бортами
Тент с деталями крепления
Брызговик заднего колеса
Установка деталей крепления платформы и брызговиков
Двигатель полностью укомплектованный
Установка подушек подвески двигателя
Установка опор двигателя
Установка шлангов
Установка шланга вентиляции картера
Установка топливного бака
Установка топливопроводов
Трубка подачи топлива со шлангами
Трубка подачи топлива со шлангами
Трубка сливная от двигателя со шлангами
Установка деталей акселератора
Педаль акселератора
Установка воздушного фильтра
Установка кронштейна воздушного фильтра
Фильтр воздушный
Установка охладителя наддува
Установка системы выпуска газов
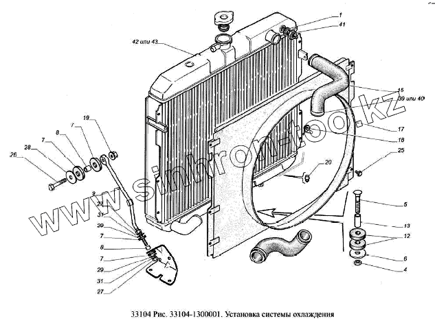
Установка системы охлаждения
Установка соединительной трубки
Установка расширительного бачка
Пробка
Муфта с вилкой
Установка привода управления сцеплением
Установка привода сцепления и тормоза
Цилиндр главный привода сцепления
Кронштейн с педалями
Цилиндр привода сцепления
Установка рычага коробки передач
Коробка передач с картером и механизмом управления сцеплением
Установка коробки передач на двигатель
Коробка передач
Коробка передач
Коробка передач
Вал первичный с крышкой
Вал первичный коробки передач
Крышка первичного вала коробки передач
Вал промежуточный коробки передач с подшипниками
Вал вторичный
Синхронизатор 2 и 3 передачи
Муфта синхронизатора 2 и 3 передачи со ступицей
Муфта 1 передачи и заднего хода со ступицей
Шток переключения 1-й передачи и заднего хода с головкой
Шток переключения 2-й и 3-й передач с головкой
Картер рычага переключения передач
Установка карданной передачи
Передача карданная трансмиссии
Вал карданный
Крестовина с масленкой
Вал карданный промежуточный
Опора промежуточного вала
Мост задний с тормозами и ступицами
Редуктор заднего моста
Шестерня ведущая главной передачи с подшипниками
Шестерня ведущая главной передачи с подшипником
Крышка передняя с манжетой
Дифференциал
Рама
Установка брызговиков двигателя
Установка переднего буфера
Панель переднего буфера
Панель переднего буфера
Панель переднего буфера
Установка устройства буксирного заднего
Установка устройства буксирного переднего
Установка противоподкатного бруса
Брус противоподкатный с боковинами
Установка бокового ограждения
Установка передней подвески
Рессора передняя
Лист № 1 с шарнирами
Серьга с шарниром
Установка задней подвески
Рессора задняя
Лист № 5 с хомутами
Лист № 1рессоры с шарнирами
Кронштейн рессоры с шарниром
Ось передняя с тормозами
Ось передняя с тормозами
Подшипник упорный с защитным колпаком
Установка колес
Колесо с шиной
Ступица переднего колеса с тормозным диском и подшипниками
Ступица переднего колеса с тормозным диском
Ступица и тормозной диск заднего колеса с подшипниками
Установка держателя запасного колеса
Поперечина держателя запасного колеса
Установка рулевого управления
Установка рулевого управления
Установка колонки рулевого управления
Колонка рулевого управления с карданным валом
Колонка рулевого управления
Вал карданный
Шарнир карданный рулевого управления
Установка трубок гидроусилителя руля
Тяга продольная рулевая
Тяга поперечная рулевая
Наконечник рулевой тяги правый
Наконечник рулевой тяги левый
Установка привода тормозной системы
Установка привода тормозной системы
Установка тормозного крана с ручным приводом
Установка кронштейна тормозного крана
Установка шланга и штуцера отбора воздуха компрессора
Фильтр воздушный гидровакуумного усилителя тормозов
Установка генератора
Установка аккумуляторных батарей
Установка выключателей
Установка фар
Установка передних контурных фонарей
Установка подкапотной лампы и плафона
Установка задних фонарей
Установка регулятора освещенности приборов и переключателя корректора фар
Установка звуковых сигналов
Установка проводов
Установка проводов
Жгуты с блоками предохранителей
Установка светосигнальной аппаратуры
Установка реле
Установка блока управления двигателем
Установка элементов системы управления двигателем
Установка приборов
Установка датчика указателя уровня топлива
Установка датчиков давления и температуры
Установка манометров
Установка датчика скорости
Установка жгутов и датчиков АБС
Установка блока управления АБС
Установка громкоговорителей
1
4
5
6
7
7
7
7
8
8
9
12
13
15
17
18
19
20
25
26
27
27
28
29
29
31
31
39
39
40
40
41
42
42
43
43
Позиция на иллюстрации
Заводской номер детали
Название детали
1
297282-П
Прокладка диаметром 22 пробки в сборе
4
250613-П29
Гайка 10х1-6Н
5
290789-П29
Болт М10х1х42 крепления радиатора
6
293350-П29
Шайба 12
7
51А-1001094
Прокладка тяги соединения двигателя с рамой
8
20Ю-1001095
Втулка прокладки
9
33104-1302035
Тяга
12
21-1302045
Подушка подвески радиатора
13
20Ю-1302048
Втулка
15
33104-1303010
Шланг
17
33104-1309011
Кожух вентилятора
18
45 9953 1818
Гайка М6
19
45 9953 1819
Гайка М8
20
4301-6804580
Буфер подвески сиденья водителя
25
45 9376 1101
Болт М6-6gх14
26
200263-П29
Болт М8-6gх35 ОСТ 37.001.122-96
27
250512-П29
Гайка М10-6Н ОСТ 37.001.124-93
28
252038-П29
Шайба 8 ОСТ 37.001.144-96
29
252039-П29
Шайба 10 ОСТ 37.001.144-96
31
252156-П2
Шайба 10Л ОСТ 37.001.115-75
39
45 3114 9911
Хомут 40-56
39
45 3114 9912
Хомут 40-60
40
45 3114 9911
Хомут 40-56
40
45 3114 9912
Хомут 40-60
41
661.3710
Термореле включения электровентилятора
42
33104-1301010-30
Радиатор
42
ЛР33104.1301010-33
Радиатор
43
33104-1301010-30
Радиатор
43
ЛР33104.1301010-33
Радиатор
Содержащиеся в справочниках-каталогах запасные части и детали не предлагаются к продаже, а носят исключительно информационный характер
Дополнительная информация
×
Название:
Номер:
Примечание: