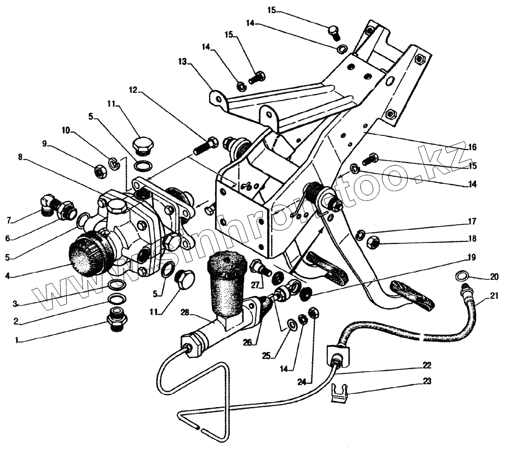
Каталог запасных частей к технике: ГАЗ-33104 Валдай. Установка привода сцепления и тормоза
1
2
3
4
5
5
5
6
7
8
9
10
11
11
12
13
14
14
14
14
15
15
15
16
17
18
19
20
21
22
23
24
25
26
27
28
| Позиция на иллюстрации | Заводской номер детали | Название детали | |
|---|---|---|---|
| 1 | 853977 | Штуцер | |
| 2 | 861024 | Шайба | |
| 3 | 740 1003439 | Кольцо уплотнительное | |
| 4 | SIL68A | Шумоглушитель | |
| 5 | 52-04-3505024 | Прокладка штуцера главного цилиндра тормозов | |
| 6 | 4301-3506070 | Штуцер | |
| 7 | 864823 | Угольник ввертный | |
| 8 | 100-3514208-20 | Кран тормозной | |
| 9 | 250512-П29 | Гайка М10-6Н ОСТ 37.001.124-93 | |
| 10 | 252136-П2 | Шайба 10 ОТ ОСТ 37.001.115-75 | |
| 11 | 296507П29 | Пробка М22х1,5x10 | |
| 12 | 296501-П29 | БолтМ10х35 | |
| 13 | 3302-1602618 | Распорка кронштейна педалей | |
| 14 | 252135-П2 | Шайба 8Т ОСТ 37.001.115-75 | |
| 15 | 201456-П29 | Болт М8-6gх20 ОСТ 37.001.123-96 | |
| 16 | 3310-1602408 | Кронштейне педалями | |
| 17 | 252156-П2 | Шайба 10Л ОСТ 37.001.115-75 | |
| 18 | 250613-П29 | Гайка 10х1-6Н | |
| 19 | 21-3504039 | Втулка оси толкателя | |
| 20 | 51-3506013 | Прокладка | |
| 21 | 3302-1602590 | Шланг | |
| 22 | 3310-1602580 | Трубка от главного цилиндра к гибкому шлангу | |
| 23 | 24-3506042 | Скоба крепления шланга | |
| 24 | 250511-П29 | Гайка М8х1-6Н ОСТ 37.001.124-93 | |
| 25 | 293282-П29 | Шайба 8,4 | |
| 26 | 24-1602294 | Прокладка главного цилиндра выключения сцепления | |
| 27 | 24-3504038 | Ось толкателя педали | |
| 28 | 3302-1602290 | Главный цилиндр привода сцепления |
Содержащиеся в справочниках-каталогах запасные части и детали не предлагаются к продаже, а носят исключительно информационный характер