Каталог запасных частей к технике: ГАЗ-33104 Валдай. Установка отопителя
1
1
2
2
3
4
5
5
5
6
6
6
7
7
7
8
9
10
11
12
12
13
14
15
16
16
17
18
18
19
20
20
20
21
22
23
24
25
26
27
28
29
30
30
31
32
33
34
35
36
37
38
39
40
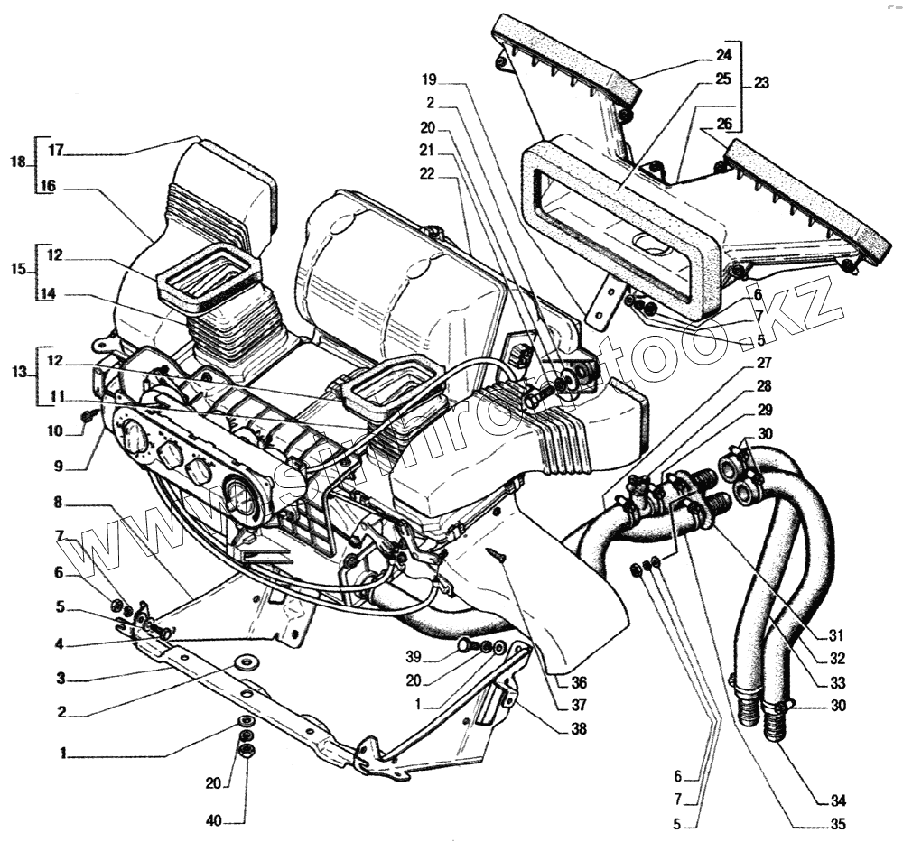
| Позиция на иллюстрации | Заводской номер детали | Название детали | |
|---|---|---|---|
| ТВОС-049.001-03 | ТВОС-049.001-03 | Хомут 20-32 ТУ 4599-003-03966022-00 | |
| 1 | 252005-П29 | Шайба 8 ОСТ 37.001.144-96 | |
| 2 | 252038-П29 | Шайба 8 ОСТ 37.001.144-96 | |
| 3 | 3310-8101572 | Поперечина | |
| 4 | 201418-П29 | Болт М6-6gх16 ОСТ 37.001.123-96 | |
| 5 | 252004-П29 | Шайба 6 ОСТ 37.001.144-96 | |
| 6 | 250608-П29 | Гайка М6-6Н ОСТ 37.001.124-93 | |
| 7 | 252154-П2 | Шайба 6Л ОСТ 37.001.115-75 | |
| 8 | 3310-8101545 | Кронштейн отопителя левый | |
| 9 | 3310-8103105 | Воздуховод левый | |
| 10 | 3302-5325400 | Винт самонарезающий для металла и пластмассы | |
| 11 | 3310-8104328 | Воздуховод правый | |
| 12 | 3310-8104212-01 | Уплотнитель воздуховода верхний | |
| 13 | 2310-8104182 | Воздуховод правый | |
| 14 | 3310-8104329 | Воздуховод левый | |
| 15 | 3310-8104183 | Воздуховод левый | |
| 16 | 3310-8102055 | Патрубок верхний левый | |
| 16 | 3310-8102054 | Патрубок верхний правый | |
| 17 | 3310-8102070-01 | Уплотнитель патрубка | |
| 18 | 3310-8102041 | Патрубок обогрева ветрового стекла левый | |
| 18 | 3310-8102040 | Патрубок обогрева ветрового стекла правый | |
| 19 | 3316-8119130 | Кронштейн воздухозаборника | |
| 20 | 252155-П2 | Шайба 8Л ОСТ 37.001.115-75 | |
| 21 | 201460-П29 | Болт М8-6gх30 ОСТ 37.001.123-96 | |
| 22 | 3310-8101010-10 | Отопитель | |
| 23 | 3310-8119020 | Короб воздухозаборника | |
| 24 | 3302-8119134 | Прокладка воздухозаборника правая | |
| 25 | 3302-8119132 | Прокладка фланца воздухозаборника | |
| 26 | 3302-8119135 | Прокладка воздухозаборника левая | |
| 27 | 33104-8120030 | Шланг отводящий | |
| 28 | 3310-8120380 | Тройник выпускной | |
| 29 | 3310-8120034 | Шланг | |
| 30 | 00.10.00-02 | Хомут 20-32 ТО17-9-20-98 | |
| 31 | 3310-8120170 | Соединитель | |
| 32 | 3111-8120034 | Шланг отопителя | |
| 33 | 33023-8120038 | Шланг | |
| 34 | 3302-8120040 | Штуцер | |
| 35 | 3110-8120034-10 | Шланг отопителя подводящий | |
| 36 | 3310-8103104 | Воздуховод правый | |
| 37 | 4596221516 | Винт 4x12 | |
| 38 | 3310-8101544 | Кронштейн отопителя правый | |
| 39 | 201454-П29 | Болт М8-6gх16 ОСТ 37.001.123-96 | |
| 40 | 250610-П29 | Гайка М8-6Н ОСТ 37.001.124-93 |
Содержащиеся в справочниках-каталогах запасные части и детали не предлагаются к продаже, а носят исключительно информационный характер