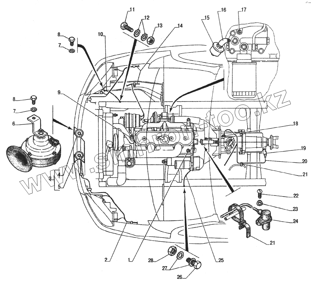
Каталог запасных частей к технике: ГАЗ-33104 Валдай. Установка датчиков и звуковых сигналов
33104-3724176
1
2
3
4
5
6
7
7
8
8
9
10
11
12
13
14
15
16
17
18
18
19
19
19
19
20
21
21
22
23
24
24
25
26
27
28
| Позиция на иллюстрации | Заводской номер детали | Название детали | |
|---|---|---|---|
| 33104-3724176 | 33104-3724176 | Жгут 176 по двигателю | |
| 1 | ТМ106-3808000-11 | Датчик температуры охлаждающей жидкости ТМ106-11 | |
| 2 | 33104-3724025 | Жгут 25 | |
| 3 | 22.3721/221.3721 | Комплект звуковых сигнальных приборов | |
| 4 | 22.3721 | Звуковой сигнальный прибор низкого тона | |
| 5 | 221.3721 | Звуковой сигнальный прибор высокого тона | |
| 6 | 33104-3721055 | Кронштейн сигнала | |
| 7 | 45 9952 6092 | Шайба 6 | |
| 8 | 201416-П29 | Болт М6-6gх12 ОСТ 37.001.123-96 | |
| 9 | ТМ111-3808000-02 | Датчик сигнализатора перегрева охлаждающей жидкости ТМ111 | |
| 10 | 3310-3724044 | Провод 44 «массы» | |
| 11 | 201457-П29 | Болт М8-6gх22 ОСТ 37.001.123-96 | |
| 12 | 45 99526205 | Шайба 8 | |
| 13 | 250510-П29 | Гайка М8-6Н ОСТ 37.001.124-93 | |
| 14 | 33104-3724015 | Жгут 15 | |
| 15 | 3902.3829010 | Датчик давления масла 3902.3829 | |
| 16 | 298328-П29 | Штуцер угловой | |
| 17 | 2602.3829010 | Датчик аварийного давления масла 2602.3829 | |
| 18 | ЫШ3.609.016 | Выключатель света заднего хода (В14.3710) | |
| 18 | 642.247 | Выключатель света заднего хода | |
| 19 | АР62.3843000 | Датчик скорости АР62.3843 | |
| 19 | 342.3843 | Датчик скорости | |
| 19 | ДС-6 | Датчик скорости | |
| 19 | ЯМ2.553.005 | Датчик скорости | |
| 20 | 33104-3724168 | Жгут 168 | |
| 21 | 3105-3724527 | Поясок | |
| 22 | 220105-П29 | Винт М6-6gх16 | |
| 23 | 252269-П29 | Шайба 6 ОСТ 37.001.145-75 | |
| 24 | 23.3847000 | Датчик синхронизации 23.3847 | |
| 24 | 406.3847060-01 | Датчик синхронизации и скорости вращения (0261 210 113 ВОSН) | |
| 25 | 33104-3724164 | Провод 164 «массы» | |
| 26 | 201497-П29 | Болт М10-6gх25 ОСТ 37.001.123-96 | |
| 27 | 45 9952 6311 | Шайба 10 | |
| 28 | 250512-П29 | Гайка М10-6Н ОСТ 37.001.124-93 |
Содержащиеся в справочниках-каталогах запасные части и детали не предлагаются к продаже, а носят исключительно информационный характер