Вернуться на главную
Поиск
Каталоги запчастей к технике
Грузовые автомобили и прицепы
ГАЗ
ГАЗ-3309 (Евро 2)
Установка радиатора
Каталог запасных частей к технике: ГАЗ-3309 (Евро 2). Установка радиатора
zoom-in
zoom-out
enlarge
shrink
circle-right
circle-left
file-text2
info
cart
Тип техники
Не выбрано
Легковые автомобили
Грузовые автомобили и прицепы
Автобусы
Сельхозтехника
Спецтехника
Двигатели
Мототехника
Марка
Не выбрано
BAW
DAF
DongFeng
FAW
Foton
HOWO
Hyundai
IVECO
JAC Motors
LGMG
MAN
Shaanxi
SITRAK
Studebaker
Tata
Volvo
Автокомпонент Плюс
БелАЗ
Брянский Арсенал
ГАЗ
ЗИЛ
КАЗ
Камский автозавод
КрАЗ
Мадара
МАЗ
МЗКТ
МоАЗ
Нефтекамский автозавод
Ставропольский Завод АвтоПрицепов
ТАТРА
Тонар
УралАЗ
ЧМЗАП
Модель
Не выбрано
ГАЗ-3306 (1994)
ГАЗ-3307 (2000)
ГАЗ-3307 (доп. с дв. ЗМЗ Е 3) (2009)
ГАЗ-3308 (2000)
ГАЗ-3308 (2002)
ГАЗ-3308 (доп. с дв. ЗМЗ Е 3) (2009)
ГАЗ-33081 (2008)
ГАЗ-3309
ГАЗ-3309 (доп. с дв. ЗМЗ Е 3) (2009)
ГАЗ-3309 (Евро 2) (2008)
ГАЗ-33104 Валдай (2006)
ГАЗ-33104 Валдай Евро 3 (2008)
ГАЗ-33106 Евро 3 (2015)
ГАЗ-4301
ГАЗ-51 (63, 63А) (1956)
ГАЗ-51 (63, 93) (1960)
ГАЗ-52-01
ГАЗ-52-02
ГАЗ-53 А (1989)
ГАЗ-5312 (2002)
ГАЗ-66 (Каталог 1983 г.) (1983)
ГАЗ-66 (Каталог 1996 г.) (1996)
ГАЗ-ММ "Полуторка" (1949)
ГАЗон NEXT C41R13-60 (2021)
Схема
>
Не выбрано
Установка деталей кабины
Установка деталей кабины
Установка обивки
Установка стеклоочистителя
Стекло ветрового окна
Установка стеклоомывателя
Установка деталей передка
Установка вещевого ящика
Панель с приборами
Стекло окна задка
Дверь с петлями правая
Дверь с петлями левая
Установка обивки двери
Установка деталей двери
Вентиляция двери правая
Вентиляция двери левая
Стекло вентиляции двери правое
Стекло вентиляции двери левое
Стекло опускное двери правое
Стекло опускное двери левое
Стойка опускного стекла правая
Стойка опускного стекла левая
Установка стеклоподъемников
Ручка стеклоподъемника с наконечником
Установка замков и приводов замков двери
Установка замков и приводов замков двери
Привод с тягой правый
Привод с тягой левый
Привод замка двери внутренний правый
Привод замка двери внутренний левый
Выключатель замка двери
Ручка двери наружная
Ограничитель двери
Сиденье водителя
Установка кронштейнов
Механизм регулирования
Салазки правые
Салазки левые
Сиденье переднее
Установка отопителя
Установка отопителя
Отопитель
Радиатор отопителя с прокладками
Кожух радиатора с крышками вентилятора
Электродвигатель отопителя с ротором
Корпус вентилятора правый
Корпус вентилятора левый
Патрубок воздухопровода
Сопло патрубка
Короб воздухозаборника
Установка трубопроводов отопителя
Установка крана отопителя на оперении
Кран отопителя
Установка зеркал заднего вида
Опора стойки нижняя
Стойка с опорой правая
Стойка с опорой левая
Установка поручня и крючков для одежды
Установка противосолнечных козырьков
Кронштейн противосолнечного козырька
Фиксатор противосолнечного козырька
Установка боковых габаритных огней
Установка ремней безопасности
Установка оперения на автомобиле
Оперение
Капот с арматурой
Установка подножек
Установка деталей замка капота
Установка привода замка капота
Установка деталей замка капота
Установка петель капота
Платформа с бортами
Установка платформы и брызговиков
Двигатель полностью укомплектованный
Установка подушек подвески двигателя
Установка опор двигателя
Установка топливного бака
Бак топливный
Установка топливопроводов
Фланец забора и слива топлива с фильтром
Установка фильтра грубой очистки топлива
Установка деталей акселератора
Установка деталей акселератора
Установка тяги ручного управления
Педаль акселератора
Установка воздуховодов воздушного фильтра
Установка резонатора воздушного фильтра
Установка воздушного фильтра
Фильтр воздушный
Установка трубопроводов системы наддува
Установка охладителя воздуха
Установка системы выпуска газов
Оперение с радиатором
Установка шлангов
Установка радиатора
Установка буферов отдачи
Установка рамки с радиатором
Установка расширительного бачка
Муфта с вилкой
Установка привода управления сцеплением
Установка привода сцепления
Цилиндр главный привода сцепления
Кронштейн с педалью сцепления
Цилиндр привода сцепления
Шланг гибкий сцепления
Установка рычага коробки передач
Коробка передач с картером и механизмом управления сцеплением
Установка коробки передач на двигатель
Коробка передач
Коробка передач
Коробка передач
Вал первичный с крышкой
Вал первичный коробки передач
Вал промежуточный коробки передач
Вал вторичный коробки передач
Синхронизатор 4-й и 5-й передач
Синхронизатор 2 и 3 передачи
Установка карданных валов
Передача карданная трансмиссии
Вал карданный
Вал карданный промежуточный
Опора промежуточного вала
Мост задний с тормозами и ступицами
Редуктор заднего моста
Шестерня ведущая главной передачи с подшипниками
Дифференциал
Рама
Установка брызговиков двигателя
Установка переднего бампера
Установка устройства буксирного заднего
Установка противоподкатного бруса
Установка бокового ограждения
Установка передней подвески
Установка передней подвески
Рессора передняя
Установка задней подвески
Рессора задняя
Рессора задняя
Рессора задняя дополнительная
Рессора дополнительная
Ось передняя с тормозами
Ось передняя
Кулак поворотный левый (правый)
Установка колес на автомобиле
Колесо с шиной в сборе
Ступица переднего колеса с барабаном и подшипниками правая
Ступица переднего колеса с барабаном и подшипниками левая
Ступица переднего колеса
Ступица переднего колеса с барабаном правая.
Ступица переднего колеса с барабаном левая
Ступица заднего колеса с барабаном и подшипниками правая
Ступица заднего колеса с барабаном и подшипниками левая
Ступица заднего колеса с барабаном правая
Ступица заднего колеса с барабаном левая
Установка держателя запасного колеса
Установка рулевого управления
Установка рулевого управления
Установка рулевого управления
Установка колонки рулевого управления
Механизм рулевого управления
Колонка рулевого управления с карданным валом
Колонка рулевого управления
Вал рулевого управления
Винт рулевого механизма с гайкой-рейкой
Вал карданный
Подшипник с уплотнителем
Вал карданный средний
Цилиндр силовой гидроусилителя руля
Установка клапанной коробки насоса ГУР
Тяга продольная рулевого управления
Тяга поперечная рулевая
Клапан управления гидроусилителя руля
Установка привода тормозной системы
Установка привода тормозной системы
Установка привода тормозной системы
Установка привода тормозной системы
Установка привода тормозной системы
Установка привода тормозной системы
Тормоз передний правый
Тормоз передний левый
Цилиндр колесный
Тормоз задний с тросом правый
Тормоз задний с тросом левый
Цилиндр колесный
Установка привода тормозного крана
Установка привода тормозов
Тяга верхняя с уплотнителем
Кронштейн промежуточного рычага
Цилиндр главный тормозов
Поршень первичный
Бачок главного цилиндра
Установка стояночного тормоза
Рычаг стояночного тормоза
Кронштейн с рычагом и уравнителем
Установка шланга и штуцера отбора воздуха компрессора
Усилитель пневматический с главным цилиндром
Усилитель пневматический тормозов
Фильтр воздушный пневмоусилителя тормозов
Фильтр воздушный гидровакуумного усилителя тормозов
Клапан обратный
Установка генератора
Установка аккумуляторной батареи
Установка выключателя зажигания
Установка электрооборудования
Установка передних фонарей
Установка передних габаритных фонарей
Установка внутреннего освещения
Установка задних фонарей
Установка корректора света фар
Установка звуковых сигналов
Установка проводов
Установка проводов
Установка проводов
Установка выключателя батареи
Установка реле свечей
Щиток приборов
Установка гибкого вала спидометра
Установка датчика уровня топлива
Установка датчиков
Установка датчика засоренности воздушного фильтра
Установка датчиков АБС
Установка блока управления и предохранителей АБС
Установка жгута АБС 130
Установка ящика аптечки
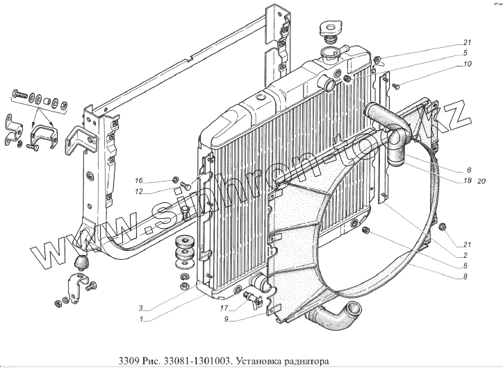
1
2
3
5
5
6
8
9
10
12
16
17
18
18
20
20
21
21
Позиция на иллюстрации
Заводской номер детали
Название детали
1
3307-1301010-31
Радиатор водяной
2
33081-1309032
Пластина правая
3
33081-1309033
Пластина левая
5
296563-П29
Пробка КГ3/8"
6
33081-1303010
Шланг
8
33081-1309011
Кожух вентилятора
9
33081-1309222
Уплотнитель
10
201417-П29
Болт М6-6gх14 ОСТ 37.001.123-96
12
201456-П29
Болт М8-6gх20 ОСТ 37.001.123-96
16
252135-П2
Шайба 8Т ОСТ 37.001.115-75
17
Г-21Ю-1305010-А
Краник
18
00.78.00-02
Хомут 44-56 ТУ 4599-001-21511064-94
18
00.10.00-04
Хомут 40-56 ТО17-9-20-98
20
00.78.00-02
Хомут 44-56 ТУ 4599-001-21511064-94
20
00.10.00-04
Хомут 40-56 ТО17-9-20-98
21
45 9953 1818
Гайка М6
Содержащиеся в справочниках-каталогах запасные части и детали не предлагаются к продаже, а носят исключительно информационный характер
Дополнительная информация
×
Название:
Номер:
Примечание: