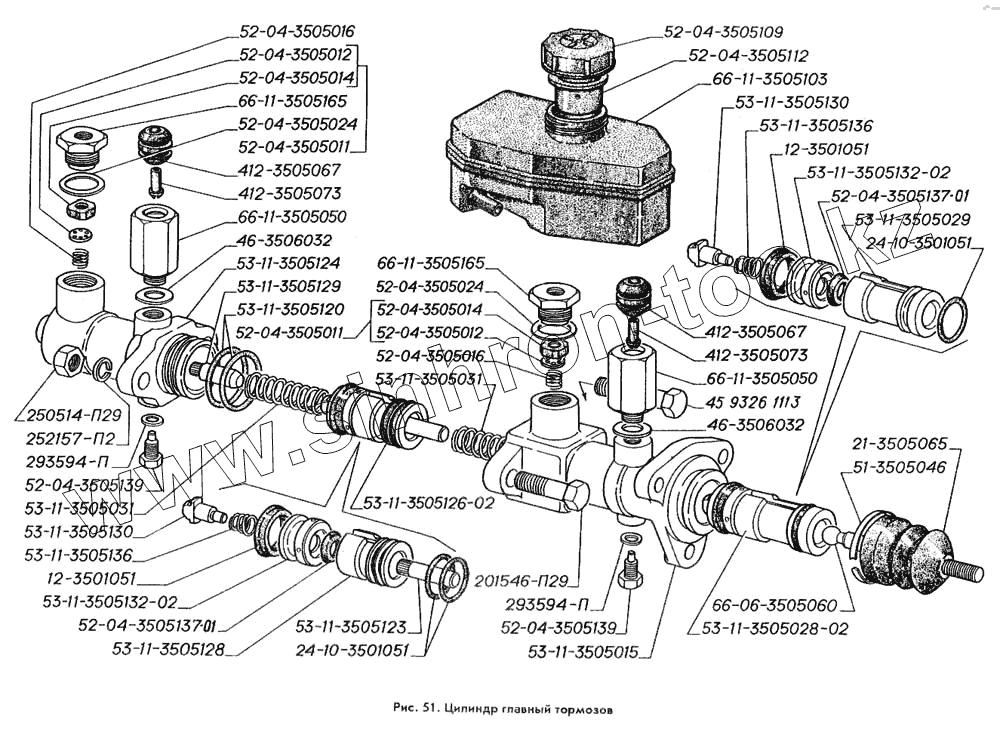
Каталог запасных частей к технике: ГАЗ-3309. Цилиндр главный тормозов
21-3505065
53-11-3505028-02
46-3506032
46-3506032
52-04-3505024
52-04-3505024
53-11-3505031
53-11-3505031
52-04-3505016
52-04-3505016
53-11-3505136
53-11-3505136
53-11-3505130
53-11-3505130
66-06-3505060
412-3505073
412-3505073
53-11-3505029
53-11-3505129
53-11-3505123
52-04-3505112
252157-П2
293594-П
293594-П
66-11-3505050
66-11-3505050
66-11-3505165
66-11-3505165
45 9326 1113
52-04-3505014
52-04-3505014
412-3505067
412-3505067
250514-П29
53-11-3505124
53-11-3505015
51-3505046
52-04-3505137-01
52-04-3505137-01
53-11-3505120
24-10-3501051
24-10-3501051
66-11-3505103
201546-П29
52-04-3505011
52-04-3505011
53-11-3505132-02
53-11-3505132-02
52-04-3505109
52-04-3505109
12-3501051
12-3501051
52-04-3505139
52-04-3505012
52-04-3505012
53-11-3505128
53-11-3505126-02
| Позиция на иллюстрации | Заводской номер детали | Название детали | |
|---|---|---|---|
| 21-3505065 | 21-3505065 | Колпак защитный | |
| 53-11-3505028-02 | 53-11-3505028-02 | Поршень первичный в сборе | |
| 46-3506032 | 46-3506032 | Прокладка уплотнительная | |
| 52-04-3505024 | 52-04-3505024 | Прокладка штуцера главного цилиндра тормозов | |
| 53-11-3505031 | 53-11-3505031 | Пружина возвратная поршней | |
| 52-04-3505016 | 52-04-3505016 | Пружина клапана избыточного давления | |
| 53-11-3505136 | 53-11-3505136 | Пружина клапана поршня | |
| 53-11-3505130 | 53-11-3505130 | Стержень упорный поршня главного цилиндра тормозов | |
| 66-06-3505060 | 66-06-3505060 | Толкатель поршня главного цилиндра тормозов | |
| 412-3505073 | 412-3505073 | Трубка соединительной втулки бачка главного цилиндра тормоза | |
| 53-11-3505029 | 53-11-3505029 | Поршень главного цилиндра тормоза первичный | |
| 53-11-3505129 | 53-11-3505129 | Упор вторичного поршня главного цилиндра тормозов | |
| 53-11-3505123 | 53-11-3505123 | Упор первичного поршня | |
| 66-11-3505211-01 | 66-11-3505211-01 | Цилиндр главный тормозов (для запасных частей) | |
| 52-04-3505112 | 52-04-3505112 | Чехол защитный | |
| 252157-П2 | 252157-П2 | Шайба 12Л ОСТ 37.001.115-75 | |
| 293594-П | 293594-П | Шайба 8 ГОСТ 10450-78 | |
| 66-11-3505050 | 66-11-3505050 | Штуцер | |
| 66-11-3505165 | 66-11-3505165 | Штуцер | |
| 45 9326 1113 | 45 9326 1113 | Болт М12-6gх60 | |
| 52-04-3505014 | 52-04-3505014 | Корпус клапана | |
| 412-3505067 | 412-3505067 | Втулка соединительная бачка главного цилиндра тормоза | |
| 250514-П29 | 250514-П29 | Гайка М12-6Н ОСТ 37.001.124-93 | |
| 53-11-3505124 | 53-11-3505124 | Картер главного цилиндра тормозов вторичный | |
| 53-11-3505015 | 53-11-3505015 | Картер главного цилиндра тормозов первичный | |
| 51-3505046 | 51-3505046 | Кольцо стяжное защитного колпака главного цилиндра тормоза | |
| 52-04-3505137-01 | 52-04-3505137-01 | Кольцо уплотнительное головки поршня | |
| 53-11-3505120 | 53-11-3505120 | Кольцо уплотнительное картера главного цилиндра тормозов | |
| 24-10-3501051 | 24-10-3501051 | Кольцо уплотнительное поршня колесного цилиндра тормоза | |
| 66-11-3505103 | 66-11-3505103 | Корпус бачка главного цилиндра тормозов и сцепления в сборе | |
| 201546-П29 | 201546-П29 | Болт М12-6gх45 ОСТ 37.001.123-96 | |
| 52-04-3505011 | 52-04-3505011 | Корпус клапана в сборе | |
| 53-11-3505132-02 | 53-11-3505132-02 | Корпус уплотнителя поршня | |
| 52-04-3505109 | 52-04-3505109 | Крышка бачка главного цилиндра тормозов | |
| 12-3501051 | 12-3501051 | Манжета уплотнительная | |
| 52-04-3505139 | 52-04-3505139 | Ограничитель хода поршня главного цилиндра тормозов | |
| 52-04-3505012 | 52-04-3505012 | Пластина обратного клапана | |
| 53-11-3505128 | 53-11-3505128 | Поршень главного цилиндра тормозов вторичный | |
| 53-11-3505126-02 | 53-11-3505126-02 | Поршень вторичный в сборе |
Содержащиеся в справочниках-каталогах запасные части и детали не предлагаются к продаже, а носят исключительно информационный характер