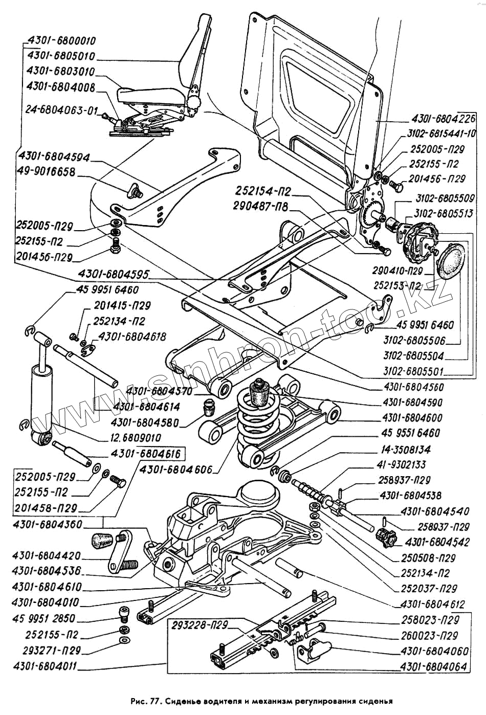
Каталог запасных частей к технике: ГАЗ-3309. Сиденье водителя и механизм регулирования сиденья
293228-П29
4301-6804542
3102-6805501
4301-6804536
4301-6804600
4301-6804570
4301-6804011
4301-6804010
4301-6800010
4301-6805010
4301-6804420
49-9016658
3102-6805504
252153-П2
252037-П29
24-6804063-01
252154-П2
252134-П2
252134-П2
252005-П29
252005-П29
252005-П29
293271-П29
252155-П2
252155-П2
252155-П2
252155-П2
3102-6805513
4301-6804618
3102-6815441-10
260023-П29
45 9951 6460
45 9951 6460
45 9951 6460
45 9951 6460
45 9951 2850
258023-П29
258937-П29
258937-П29
4301-6804595
290410-П29
201415-П29
290487-П8
201456-П29
201456-П29
201458-П29
4301-6804580
4301-6804590
14-3508134
250508-П29
4301-6804226
3102-6805506
4301-6804060
3102-6805509
4301-6804560
12-6809010
4301-6804594
4301-6804538
4301-6804008
4301-6804360
4301-6804614
4301-6804616
4301-6804540
4301-6804610
4301-6804612
4301-6803010
41-9302133
4301-6804606
4301-6804064
| Позиция на иллюстрации | Заводской номер детали | Название детали | |
|---|---|---|---|
| 293228-П29 | 293228-П29 | Шайба б | |
| 4301-6804542 | 4301-6804542 | Ручка регулирования жесткости подвески сиденья | |
| 3102-6805501 | 3102-6805501 | Ручка шарнира | |
| 4301-6804536 | 4301-6804536 | Рычаг механизма регулирования по высоте | |
| 4301-6804600 | 4301-6804600 | Рычаг подвески задний в сборе | |
| 4301-6804570 | 4301-6804570 | Рычаг подвески передний в сборе | |
| 4301-6804011 | 4301-6804011 | Салазки сиденья водителя левые в сборе | |
| 4301-6804010 | 4301-6804010 | Салазки сиденья водителя правые в сборе | |
| 4301-6800010 | 4301-6800010 | Сиденье водителя в сборе | |
| 4301-6805010 | 4301-6805010 | Спинка сиденья водителя и переднего сиденья в сборе | |
| 4301-6804420 | 4301-6804420 | Стержень с ручкой | |
| 49-9016658 | 49-9016658 | Стопор | |
| 3102-6805504 | 3102-6805504 | Усилитель ручки шарнира | |
| 252153-П2 | 252153-П2 | Шайба 5Л ОСТ 37.001.115-75 | |
| 252037-П29 | 252037-П29 | Шайба 6 ОСТ 37.001.144-96 | |
| 24-6804063-01 | 24-6804063-01 | Рукоятка фиксатора | |
| 252154-П2 | 252154-П2 | Шайба 6Л ОСТ 37.001.115-75 | |
| 252134-П2 | 252134-П2 | Шайба 6Т ОСТ 37.001.115-75 | |
| 252005-П29 | 252005-П29 | Шайба 8 ОСТ 37.001.144-96 | |
| 293271-П29 | 293271-П29 | Шайба 8 | |
| 252155-П2 | 252155-П2 | Шайба 8Л ОСТ 37.001.115-75 | |
| 3102-6805513 | 3102-6805513 | Шайба стопорная | |
| 4301-6804618 | 4301-6804618 | Шайба фиксационная | |
| 3102-6815441-10 | 3102-6815441-10 | Шарнир спинки сиденья водителя в сборе | |
| 260023-П29 | 260023-П29 | Палец 6х48 | |
| 45 9951 6460 | 45 9951 6460 | Шайба 7 | |
| 45 9951 2850 | 45 9951 2850 | Винт М8-6gх16 | |
| 258023-П29 | 258023-П29 | Шплинт 2,5х12 ОСТ 37.001.171-93 | |
| 258937-П29 | 258937-П29 | Штифт 4х22 | |
| 4301-6804595 | 4301-6804595 | Кронштейн угловой регулировки подушки левый | |
| 290410-П29 | 290410-П29 | Болт М5-6gх20 | |
| 201415-П29 | 201415-П29 | Болт М6-6gх10 ОСТ 37.001.123-96 | |
| 290487-П8 | 290487-П8 | Болт М6-6gх12 | |
| 201456-П29 | 201456-П29 | Болт М8-6gх20 ОСТ 37.001.123-96 | |
| 201458-П29 | 201458-П29 | Болт М8-6gх25 ОСТ 37.001.123-96 | |
| 4301-6804580 | 4301-6804580 | Буфер подвески сиденья водителя | |
| 4301-6804590 | 4301-6804590 | Буфер пружины подвески сиденья водителя | |
| 14-3508134 | 14-3508134 | Втулка | |
| 250508-П29 | 250508-П29 | Гайка М6-6Н ОСТ 37.001.124-93 | |
| 4301-6804226 | 4301-6804226 | Держатель спинки в сборе | |
| 3102-6805506 | 3102-6805506 | Заглушка ручки | |
| 4301-6804060 | 4301-6804060 | Защелка салазок сиденья водителя | |
| 3102-6805509 | 3102-6805509 | Кольцо тормозное | |
| 4301-6804560 | 4301-6804560 | Кронштейн рычагов подвески в сборе | |
| 12-6809010 | 12-6809010 | Амортизатор сиденья в сборе | |
| 4301-6804594 | 4301-6804594 | Кронштейн правый | |
| 4301-6804538 | 4301-6804538 | Кулачок регулирования жесткости | |
| 4301-6804008 | 4301-6804008 | Механизм регулирования сиденья водителя в сборе | |
| 4301-6804360 | 4301-6804360 | Основание механизма регулирования в сборе | |
| 4301-6804614 | 4301-6804614 | Ось амортизатора верхняя | |
| 4301-6804616 | 4301-6804616 | Ось амортизатора нижняя | |
| 4301-6804540 | 4301-6804540 | Ось кулачка регулирования жесткости | |
| 4301-6804610 | 4301-6804610 | Ось шарнира подвески длинная | |
| 4301-6804612 | 4301-6804612 | Ось шарнира подвески короткая | |
| 4301-6803010 | 4301-6803010 | Подушка сиденья водителя и переднего сиденья в сборе | |
| 41-9302133 | 41-9302133 | Пружина | |
| 4301-6804606 | 4301-6804606 | Пружина подвески сиденья водителя | |
| 4301-6804064 | 4301-6804064 | Пружина защелки |
Содержащиеся в справочниках-каталогах запасные части и детали не предлагаются к продаже, а носят исключительно информационный характер