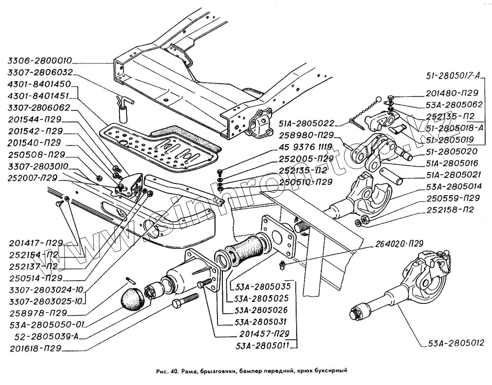
Каталог запасных частей к технике: ГАЗ-3309. Рама, брызговики, бампер передний, крюк буксирный
252137-П2
3307-2803024-10
53А-2805014
53А-2805012
51-2805020
51А-2805021
51-2805019
3306-2800010
51-2805018-А
51-2805017-А
51А-2805022
252007-П29
3307-2803025-10
252158-П2
252154-П2
252005-П29
252135-П2
252135-П2
53А-2805026
3307-2806032
258978-П29
258980-П29
264020-П29
45 9376 1119
3307-2806062
3307-2803010
201618-П29
201540-П29
201542-П29
201544-П29
201417-П29
201457-П29
201480-П29
4301-8401451
4301-8401450
53А-2805011
53А-2805025
250514-П29
250559-П29
250508-П29
250510-П29
52-2805039-А
51А-2805016
53А-2805062
53А-2805050-01
53А-2805031
53А-2805035
| Позиция на иллюстрации | Заводской номер детали | Название детали | |
|---|---|---|---|
| 252137-П2 | 252137-П2 | Шайба 12.ОТ ОСТ 37.001.115-75 | |
| 3307-2803024-10 | 3307-2803024-10 | Кронштейн правый | |
| 53А-2805014 | 53А-2805014 | Крюк буксирный | |
| 53А-2805012 | 53А-2805012 | Крюк буксирный в сборе | |
| 51-2805020 | 51-2805020 | Ось собачки буксирного крюка | |
| 51А-2805021 | 51А-2805021 | Палец защелки | |
| 51-2805019 | 51-2805019 | Пружина собачки буксирного крюка | |
| 3306-2800010 | 3306-2800010 | Рама | |
| 51-2805018-А | 51-2805018-А | Собачка защелки буксирного крюка | |
| 51-2805017-А | 51-2805017-А | Собачка защелки в сборе | |
| 51А-2805022 | 51А-2805022 | Цепь тягового крюка в сборе | |
| 252007-П29 | 252007-П29 | Шайба 12 ОСТ 37.001.144-96 | |
| 3307-2803025-10 | 3307-2803025-10 | Кронштейн левый | |
| 252158-П2 | 252158-П2 | Шайба 14Л ОСТ 37.001.115-75 | |
| 252154-П2 | 252154-П2 | Шайба 6Л ОСТ 37.001.115-75 | |
| 252005-П29 | 252005-П29 | Шайба 8 ОСТ 37.001.144-96 | |
| 252135-П2 | 252135-П2 | Шайба 8Т ОСТ 37.001.115-75 | |
| 53А-2805026 | 53А-2805026 | Шайба амортизатора | |
| 3307-2806032 | 3307-2806032 | Шкворень буксирный в сборе | |
| 258978-П29 | 258978-П29 | Штифт 8х40 ОСТ 37.001.116-97 | |
| 258980-П29 | 258980-П29 | Штифт 8х50 ОСТ 37.001.116-75 | |
| 264020-П29 | 264020-П29 | Масленка 1.3 Ц6.хр ГОСТ 19853-74 | |
| 45 9376 1119 | 45 9376 1119 | Болт М8х20 | |
| 3307-2806062 | 3307-2806062 | Вилка буксирная | |
| 3307-2803010 | 3307-2803010 | Бампер передний | |
| 201618-П29 | 201618-П29 | Болт М14х1,5-6gх50 ОСТ 37.001.123-96 | |
| 201540-П29 | 201540-П29 | Болт М12-6gх30 ОСТ 37.001.123-96 | |
| 201542-П29 | 201542-П29 | Болт М12-6gх35 ОСТ 37.001.123-96 | |
| 201544-П29 | 201544-П29 | Болт М12-6gх40 ОСТ 37.001.123-96 | |
| 201417-П29 | 201417-П29 | Болт М6-6gх14 ОСТ 37.001.123-96 | |
| 201457-П29 | 201457-П29 | Болт М8-6gх22 ОСТ 37.001.123-96 | |
| 201480-П29 | 201480-П29 | Болт М8х1-6gх30 ОСТ 37.001.123-96 | |
| 4301-8401451 | 4301-8401451 | Брызговик облицовки боковой левый в сборе | |
| 4301-8401450 | 4301-8401450 | Брызговик облицовки боковой правый в сборе | |
| 53А-2805011 | 53А-2805011 | Устройство буферное в сборе | |
| 53А-2805025 | 53А-2805025 | Буфер резиновый буксирного прибора | |
| 250514-П29 | 250514-П29 | Гайка М12-6Н ОСТ 37.001.124-93 | |
| 250559-П29 | 250559-П29 | Гайка М14х1,5-6Н ОСТ 37.001.124-93 | |
| 250508-П29 | 250508-П29 | Гайка М6-6Н ОСТ 37.001.124-93 | |
| 250510-П29 | 250510-П29 | Гайка М8-6Н ОСТ 37.001.124-93 | |
| 52-2805039-А | 52-2805039-А | Гайка упорная | |
| 51А-2805016 | 51А-2805016 | Защелка буксирного крюка | |
| 53А-2805062 | 53А-2805062 | Звено цепи | |
| 53А-2805050-01 | 53А-2805050-01 | Колпак | |
| 53А-2805031 | 53А-2805031 | Корпус буксирного прибора | |
| 53А-2805035 | 53А-2805035 | Кронштейн корпуса буксирного прибора |
Содержащиеся в справочниках-каталогах запасные части и детали не предлагаются к продаже, а носят исключительно информационный характер