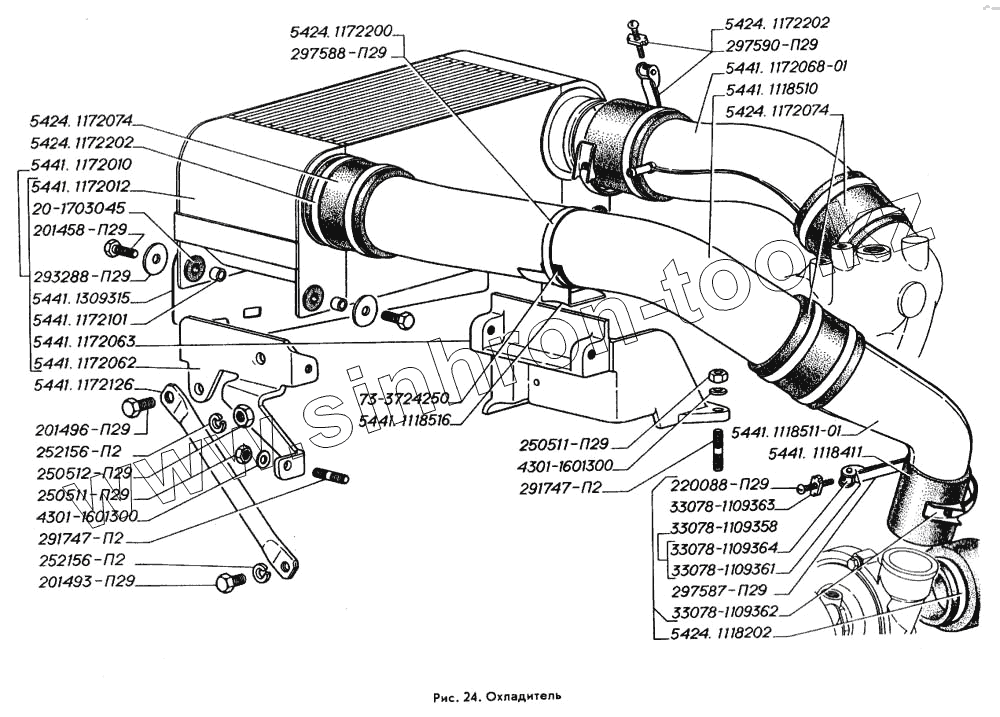
Каталог запасных частей к технике: ГАЗ-3309. Охладитель
5424.1172202
5424.1172202
33078-1109361
33078-1109358
73-3724250
5441-1172126
5441-1118510
33078-1109362
33078-1109364
5424.1172200
20-1703045
252156-П2
252156-П2
293288-П29
4301-1601300
4301-1601300
5424.1172074
5424.1172074
5441-1118411
291747-П2
291747-П2
5441-1309315
5424.1118202
5441-1172063
201496-П29
201458-П29
220088-П29
5441-1172101
250512-П29
250511-П29
250511-П29
33078-1109363
5441-1118516
201493-П29
5441-1172062
297588-П29
297587-П29
297590-П29
5441.1172012
5441-1172010
5441-1172068-01
5441-1118511-01
| Позиция на иллюстрации | Заводской номер детали | Название детали | |
|---|---|---|---|
| 5424.1172202 | 5424.1172202 | Хомутик 81 | |
| 33078-1109361 | 33078-1109361 | Ползунок | |
| 33078-1109358 | 33078-1109358 | Ползунок в сборе | |
| 73-3724250 | 73-3724250 | Прокладка | |
| 5441-1172126 | 5441-1172126 | Распорка | |
| 5441-1118510 | 5441-1118510 | Труба нагнетательная | |
| 33078-1109362 | 33078-1109362 | Упор | |
| 33078-1109364 | 33078-1109364 | Фиксатор | |
| 5424.1172200 | 5424.1172200 | Хомутик 70 | |
| 20-1703045 | 20-1703045 | Подушка | |
| 252156-П2 | 252156-П2 | Шайба 10Л ОСТ 37.001.115-75 | |
| 293288-П29 | 293288-П29 | Шайба 8,5 | |
| 4301-1601300 | 4301-1601300 | Шайба пружинная коническая | |
| 5424.1172074 | 5424.1172074 | Шланг соединительный | |
| 5441-1118411 | 5441-1118411 | Шланг соединительный | |
| 291747-П2 | 291747-П2 | Шпилька М8х1-4hх22 | |
| 5441-1309315 | 5441-1309315 | Экран охладителя | |
| 5424.1118202 | 5424.1118202 | Хомутик 61 | |
| 5441-1172063 | 5441-1172063 | Кронштейн задний | |
| 201496-П29 | 201496-П29 | Болт М10-6gх22 ОСТ 37.001.123-96 | |
| 201458-П29 | 201458-П29 | Болт М8-6gх25 ОСТ 37.001.123-96 | |
| 220088-П29 | 220088-П29 | Винт М5-6gх35 | |
| 5441-1172101 | 5441-1172101 | Втулка | |
| 250512-П29 | 250512-П29 | Гайка М10-6Н ОСТ 37.001.124-93 | |
| 250511-П29 | 250511-П29 | Гайка М8х1-6Н ОСТ 37.001.124-93 | |
| 33078-1109363 | 33078-1109363 | Держатель | |
| 5441-1118516 | 5441-1118516 | Держатель | |
| 201493-П29 | 201493-П29 | Болт М10-6gх16 ОСТ 37.001.123-96 | |
| 5441-1172062 | 5441-1172062 | Кронштейн передний | |
| 297588-П29 | 297588-П29 | Лента стяжная 10х380 | |
| 297587-П29 | 297587-П29 | Лента 10х320 | |
| 297590-П29 | 297590-П29 | Лента стяжная 10х445 | |
| 5441.1172012 | 5441.1172012 | Охладитель | |
| 5441-1172010 | 5441-1172010 | Охладитель с кронштейнами | |
| 5441-1172068-01 | 5441-1172068-01 | Патрубок выходной | |
| 5441-1118511-01 | 5441-1118511-01 | Патрубок нагнетательный |
Содержащиеся в справочниках-каталогах запасные части и детали не предлагаются к продаже, а носят исключительно информационный характер