Вернуться на главную
Поиск
Каталоги запчастей к технике
Грузовые автомобили и прицепы
ГАЗ
ГАЗ-3309
Коробка передач, цилиндр рабочий привода сцепления
Каталог запасных частей к технике: ГАЗ-3309. Коробка передач, цилиндр рабочий привода сцепления
zoom-in
zoom-out
enlarge
shrink
circle-right
circle-left
file-text2
info
cart
Тип техники
Не выбрано
Легковые автомобили
Грузовые автомобили и прицепы
Автобусы
Сельхозтехника
Спецтехника
Двигатели
Мототехника
Марка
Не выбрано
BAW
DAF
DongFeng
FAW
Foton
HOWO
Hyundai
IVECO
JAC Motors
LGMG
MAN
Shaanxi
SITRAK
Studebaker
Tata
Volvo
Автокомпонент Плюс
БелАЗ
Брянский Арсенал
ГАЗ
ЗИЛ
КАЗ
Камский автозавод
КрАЗ
Мадара
МАЗ
МЗКТ
МоАЗ
Нефтекамский автозавод
Ставропольский Завод АвтоПрицепов
ТАТРА
Тонар
УралАЗ
ЧМЗАП
Модель
Не выбрано
ГАЗ-3306 (1994)
ГАЗ-3307 (2000)
ГАЗ-3307 (доп. с дв. ЗМЗ Е 3) (2009)
ГАЗ-3308 (2000)
ГАЗ-3308 (2002)
ГАЗ-3308 (доп. с дв. ЗМЗ Е 3) (2009)
ГАЗ-33081 (2008)
ГАЗ-3309
ГАЗ-3309 (доп. с дв. ЗМЗ Е 3) (2009)
ГАЗ-3309 (Евро 2) (2008)
ГАЗ-33104 Валдай (2006)
ГАЗ-33104 Валдай Евро 3 (2008)
ГАЗ-33106 Евро 3 (2015)
ГАЗ-4301
ГАЗ-51 (63, 63А) (1956)
ГАЗ-51 (63, 93) (1960)
ГАЗ-52-01
ГАЗ-52-02
ГАЗ-53 А (1989)
ГАЗ-5312 (2002)
ГАЗ-66 (Каталог 1983 г.) (1983)
ГАЗ-66 (Каталог 1996 г.) (1996)
ГАЗ-ММ "Полуторка" (1949)
ГАЗон NEXT C41R13-60 (2021)
Схема
>
Не выбрано
Кабина, подвеска кабины, крышка люка пола
Панель передка, коврики пола, стекла окон кабины, крышка монтажного люка
Термошумоизоляционные обивки и прокладки кабины
Стеклоочиститель и привод, омыватель ветрового стекла
Панель приборов
Двери кабины, обивка, уплотнитель, подлокотник, навеска двери
Уплотнители и механизм перемещения стекла двери
Замок и ручки двери
Сиденье водителя и механизм регулирования сиденья
Сиденье переднее
Амортизатор подвески сиденья
Система отопления и вентиляции кабины
Радиаторы отопителя, кожух радиатора с крышками вентилятора, электродвигатели отопителя
Воздуховод, управление вентиляцией и отоплением кабины
Независимая отопительная установка
Отсек независимого отопителя, отопитель
Трубопроводы системы отопления
Зеркала заднего вида, держатели, поручни, козырьки противосолнечные
Подушки крепления оперения, облицовка радиатора, капот, подножки
Замок и привод замка решетки, замки и навеска капота
Оперение
Платформа, основание платформы и борта
Крепление платформы, брызговики
Подвеска двигателя
Картер двигателя, цилиндры, крышка передняя картера
Картер маховика
Головка цилиндра, крышка коромысел, коромысла клапанов, клапаны, механизм вращения клапана
Поршни, шатуны, вал коленчатый
Вал распределительный, шестерня распределительного вала, блок промежуточных шестерен, толкатели клапанов
Газопровод, турбокомпрессор
Картер масляный, указатель уровня масла, маслоприемник, насос масляный с шестерней, маслоотделитель, фильтр масляный
Насос масляный, маслоотделитель и фильтр масляный
Радиатор масляный, привод топливного насоса высокого давления и вентилятора, термосиловой элемент
Подогреватель пусковой, вентилятор с топливным насосом, коммутатор транзисторный с катушкой зажигания
Бачок топливный и шланги системы предпускового подогрева двигателя
Устройство электрофакельное
Корпус привода топливного насоса высокого давления и вентилятора, привод вентилятора, муфта опережения впрыска топлива с шестерней
Бак топливный, крепление бака
Фланец приемной трубки с фильтром, фильтр грубой очистки топлива, трубопроводы топливные
Трубопроводы топливные, трубки высокого давления и форсунки
Привод управления подачей топлива
Фильтр воздушный двигателя
Насос топливный высокого давления, муфта соединительная с пластинами, трубки подвода и отвода масла
Фильтр тонкой очистки топлива, насос топливоподкачивающий ручной и клапан фильтра
Муфта опережения впрыска топлива
Глушитель
Охладитель
Вентилятор, гидромуфта привода вентилятора, центрифуга
Кожухи вентилятора и масляного радиатора
Терморегулятор, трубы подвода масла к терморегулятору и гидромуфте, труба подвода воздуха к терморегулятору
Сцепление
Кронштейн с педалями сцепления и тормоза, цилиндр главный тормозов
Цилиндр главный привода сцепления
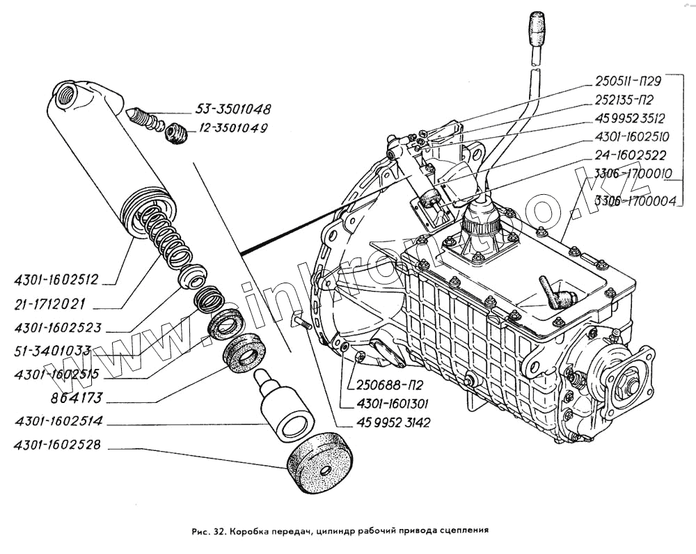
Коробка передач, цилиндр рабочий привода сцепления
Первичный, вторичный, промежуточный валы и ось заднего хода коробки передач
Картер и крышки коробки передач, шестерни привода спидометра
Крышка верхняя коробки передач и механизм переключения передач
Передача карданная трансмиссии
Валы карданные и опора промежуточного карданного вала
Мост задний, картер моста, картер главной передачи, полуоси
Редуктор заднего моста, шестерни главной передачи, дифференциал
Рама, брызговики, бампер передний, крюк буксирный
Подвеска передняя, рессоры
Подвеска задняя, основные и дополнительные рессоры
Амортизаторы передней подвески
Ось передняя, кулаки поворотные и тяги рулевые
Колеса и шины, крепление запасного колеса
Управление рулевое
Вал карданный к рулевому механизму
Механизм рулевого управления
Тормоза передние, тормозные барабаны и ступицы передних колес
Тормоза задние, тормозные барабаны и ступицы задних колес
Цилиндр главный тормозов
Трубопроводы тормозной системы
Рычаг и привод стояночного тормоза
Регулятор давления тормозов
Вакуумный насос и привод
Усилитель гидровакуумный тормозов и клапан управления
Баллоны вакуумные, аварийная сигнализация неисправности тормозов, фильтр воздушный гидровакуумного усилителя
Электрооборудование
Генератор
Батареи аккумуляторные
Стартер
Фары, фонари передние, повторитель боковой указателя поворота, плафон кабины
Фонари задние
Электропровода
Электрооборудование щитка и панели приборов
Щиток приборов
Датчики на двигателе
Инструмент водителя и приспособления, огнетушитель, домкрат утеплитель
4301-1602514
45 9952 3512
45 9952 3142
252135-П2
4301-1601301
4301-1602510
4301-1602528
24-1602522
51-3401033
21-1712021
4301-1602523
864173
4301-1602512
3306-1700004
3306-1700010
12-3501049
53-3501048
250511-П29
250688-П2
4301-1602515
Позиция на иллюстрации
Заводской номер детали
Название детали
4301-1602514
4301-1602514
Поршень цилиндра привода сцепления
45 9952 3512
45 9952 3512
Шпилька М8х1-4hх20
45 9952 3142
45 9952 3142
Шпилька М8х1-4hх60
252135-П2
252135-П2
Шайба 8Т ОСТ 37.001.115-75
4301-1601301
4301-1601301
Шайба 10х20 коническая
4301-1602510
4301-1602510
Цилиндр рабочий привода сцепления
4301-1602528
4301-1602528
Уплотнитель цилиндра
24-1602522
24-1602522
Толкатель
51-3401033
51-3401033
Пружина трубки провода сигнала нижней крышки картера
21-1712021
21-1712021
Пружина регулятора питания гидротрансформатора
4301-1602523
4301-1602523
Втулка
864173
864173
Манжета
4301-1602512
4301-1602512
Корпус цилиндра
3306-1700004
3306-1700004
Коробка передач в сборе
3306-1700010
3306-1700010
Коробка передач
12-3501049
12-3501049
Колпачок перепускного клапана колесного цилиндра тормоза защитный
53-3501048
53-3501048
Клапан прокачки колесного цилиндра
250511-П29
250511-П29
Гайка М8х1-6Н ОСТ 37.001.124-93
250688-П2
250688-П2
Гайка М10х1-6Н
4301-1602515
4301-1602515
Втулка распорная
Содержащиеся в справочниках-каталогах запасные части и детали не предлагаются к продаже, а носят исключительно информационный характер
Дополнительная информация
×
Название:
Номер:
Примечание: