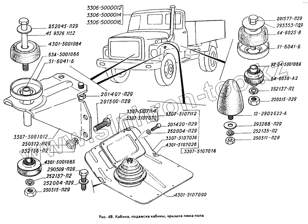
Каталог запасных частей к технике: ГАЗ-3309. Кабина, подвеска кабины, крышка люка пола
4301-5107090
3307-5107036
3307-5107018
4301-5001084
64-6025-В
4301-5001085
64-6039-А2
3307-5107032
4301-5107028
3307-5001012
252136-П2
252045-П29
293353-П29
252137-П2
252137-П2
252004-П29
252004-П29
293288-П29
252135-П2
45 9326 1152
250515-П29
250515-П29
201500-П29
201577-П29
201420-П29
290509-П29
12-2902622-А
52-04-5001086
53А-5001086
250512-П29
201497-П29
250511-П29
51-6041-Б
51-6041-Б
3307-5107114
3307-5107112
3306-5000016
3306-5000012
3306-5000014
| Позиция на иллюстрации | Заводской номер детали | Название детали | |
|---|---|---|---|
| 4301-5107090 | 4301-5107090 | Уплотнитель под рычаг коробки перемены передач | |
| 3307-5107036 | 3307-5107036 | Крышка люка пола в сборе | |
| 3307-5107018 | 3307-5107018 | Крышка люка пола в сборе | |
| 4301-5001084 | 4301-5001084 | Подушка крепления кабины верхняя в сборе | |
| 64-6025-В | 64-6025-В | Подушка крепления кабины верхняя задняя в сборе | |
| 4301-5001085 | 4301-5001085 | Подушка крепления кабины нижняя | |
| 64-6039-А2 | 64-6039-А2 | Подушка крепления кабины нижняя задняя | |
| 3307-5107032 | 3307-5107032 | Прокладка заглушки | |
| 4301-5107028 | 4301-5107028 | Прокладка крышки люка пола | |
| 3307-5001012 | 3307-5001012 | Кронштейн крепления кабины | |
| 252136-П2 | 252136-П2 | Шайба 10 ОТ ОСТ 37.001.115-75 | |
| 252045-П29 | 252045-П29 | Шайба 12 ОСТ 37.001.144-96 | |
| 293353-П29 | 293353-П29 | Шайба 12,5 | |
| 252137-П2 | 252137-П2 | Шайба 12.ОТ ОСТ 37.001.115-75 | |
| 252004-П29 | 252004-П29 | Шайба 6 ОСТ 37.001.144-96 | |
| 293288-П29 | 293288-П29 | Шайба 8,5 | |
| 252135-П2 | 252135-П2 | Шайба 8Т ОСТ 37.001.115-75 | |
| 45 9326 1152 | 45 9326 1152 | Болт М12х1,25-6gх140 ОСТ 37.001.122-96 | |
| 250515-П29 | 250515-П29 | Гайка М12х1,25-6Н ОСТ 37.001.124-93 | |
| 201500-П29 | 201500-П29 | Болт М10-6gх32 ОСТ 37.001.123-96 | |
| 201577-П29 | 201577-П29 | Болт М12х1,25-6gх80 ОСТ 37.001.123-96 | |
| 201420-П29 | 201420-П29 | Болт М6-6gх20 ОСТ 37.001.123-96 | |
| 290509-П29 | 290509-П29 | Болт М6-6gх25 | |
| 12-2902622-А | 12-2902622-А | Буфер в сборе | |
| 52-04-5001086 | 52-04-5001086 | Втулка распорная заднего крепления кабины | |
| 53А-5001086 | 53А-5001086 | Втулка распорная переднего крепления кабины | |
| 250512-П29 | 250512-П29 | Гайка М10-6Н ОСТ 37.001.124-93 | |
| 201497-П29 | 201497-П29 | Болт М10-6gх25 ОСТ 37.001.123-96 | |
| 250511-П29 | 250511-П29 | Гайка М8х1-6Н ОСТ 37.001.124-93 | |
| 51-6041-Б | 51-6041-Б | Гнездо верхней подушки опоры двигателя | |
| 3307-5107114 | 3307-5107114 | Заглушка | |
| 3307-5107112 | 3307-5107112 | Заглушка в сборе | |
| 3306-5000016 | 3306-5000016 | Кабина (бондеризованная, грунтованная с обмазкой) | |
| 3306-5000012 | 3306-5000012 | Кабина (окрашенная и обитая) | |
| 3306-5000014 | 3306-5000014 | Кабина (окрашенная, без обивки) |
Содержащиеся в справочниках-каталогах запасные части и детали не предлагаются к продаже, а носят исключительно информационный характер