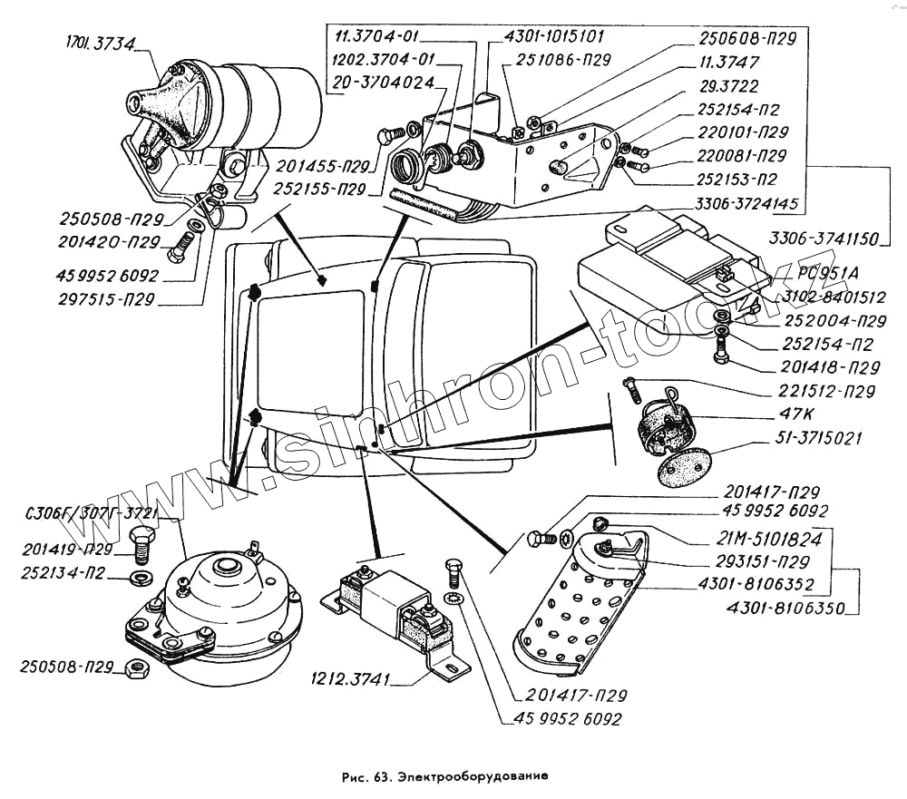
Каталог запасных частей к технике: ГАЗ-3309. Электрооборудование
47К
1701.3734
С306Г/307Г-3721
4301-1015101
29.3722
РС951А-3726010
51-3715021
3306-3741150
1212.3741000
11.3747010
4301-8106352
297515-П29
293151-П29
252153-П2
252004-П29
252154-П2
252154-П2
252134-П2
252155-П29
45 9952 6092
45 9952 6092
45 9952 6092
11.3704-01
201417-П29
201417-П29
201418-П29
201419-П29
201420-П29
201455-П29
221512-П29
220081-П29
220101-П29
4301-8106350
1202.3704-01
20-3704024
251086-П29
250508-П29
250508-П29
250608-П29
3102-8401512
3306-3724145
21М-5101824
| Позиция на иллюстрации | Заводской номер детали | Название детали | |
|---|---|---|---|
| 47К | 47К | Розетка штепсельная | |
| 1701.3734 | 1701.3734 | Коммутатор транзисторный с катушкой зажигания | |
| С306Г/307Г-3721 | С306Г/307Г-3721 | Комплект рупорных звуковых сигналов | |
| 4301-1015101 | 4301-1015101 | Кронштейн | |
| 29.3722 | 29.3722 | Предохранитель | |
| РС951А-3726010 | РС951А-3726010 | Прерыватель указателей поворота РС951А | |
| 51-3715021 | 51-3715021 | Прокладка штепсельной розетки переносной лампы | |
| 3306-3741150 | 3306-3741150 | Пульт управления подогревателем | |
| 1212.3741000 | 1212.3741000 | Резистор добавочный с электротермическим реле 1212.3741 | |
| 11.3747010 | 11.3747010 | Реле 11.3747 | |
| 4301-8106352 | 4301-8106352 | Кожух сопротивления в сборе | |
| 297515-П29 | 297515-П29 | Скоба | |
| 293151-П29 | 293151-П29 | Шайба 4 | |
| 252153-П2 | 252153-П2 | Шайба 5Л ОСТ 37.001.115-75 | |
| 252004-П29 | 252004-П29 | Шайба 6 ОСТ 37.001.144-96 | |
| 252154-П2 | 252154-П2 | Шайба 6Л ОСТ 37.001.115-75 | |
| 252134-П2 | 252134-П2 | Шайба 6Т ОСТ 37.001.115-75 | |
| 252155-П29 | 252155-П29 | Шайба пружинная 8 | |
| 45 9952 6092 | 45 9952 6092 | Шайба 6 | |
| 11.3704-01 | 11.3704-01 | Выключатель кнопочный | |
| 201417-П29 | 201417-П29 | Болт М6-6gх14 ОСТ 37.001.123-96 | |
| 201418-П29 | 201418-П29 | Болт М6-6gх16 ОСТ 37.001.123-96 | |
| 201419-П29 | 201419-П29 | Болт М6-6gх18 ОСТ 37.001.123-96 | |
| 201420-П29 | 201420-П29 | Болт М6-6gх20 ОСТ 37.001.123-96 | |
| 201455-П29 | 201455-П29 | Болт М8-6gх18 ОСТ 37.001.123-96 | |
| 221512-П29 | 221512-П29 | Винт М3-6gх28 ОСТ 37.001.125-81 | |
| 220081-П29 | 220081-П29 | Винт М5-6gх18 ОСТ 37.001.127-81 | |
| 220101-П29 | 220101-П29 | Винт М6-6gх8 ОСТ 37.001.127-81 | |
| 4301-8106350 | 4301-8106350 | Балластное сопротивление в сборе | |
| 1202.3704-01 | 1202.3704-01 | Выключатель | |
| 20-3704024 | 20-3704024 | Гайка | |
| 251086-П29 | 251086-П29 | Гайка М5-6Н ОСТ 37.001.112-91 | |
| 250508-П29 | 250508-П29 | Гайка М6-6Н ОСТ 37.001.124-93 | |
| 250608-П29 | 250608-П29 | Гайка М6-6Н ОСТ 37.001.124-93 | |
| 3102-8401512 | 3102-8401512 | Держатель гайки в сборе | |
| 3306-3724145 | 3306-3724145 | Жгут проводов подогревателя | |
| 21М-5101824 | 21М-5101824 | Заглушка |
Содержащиеся в справочниках-каталогах запасные части и детали не предлагаются к продаже, а носят исключительно информационный характер