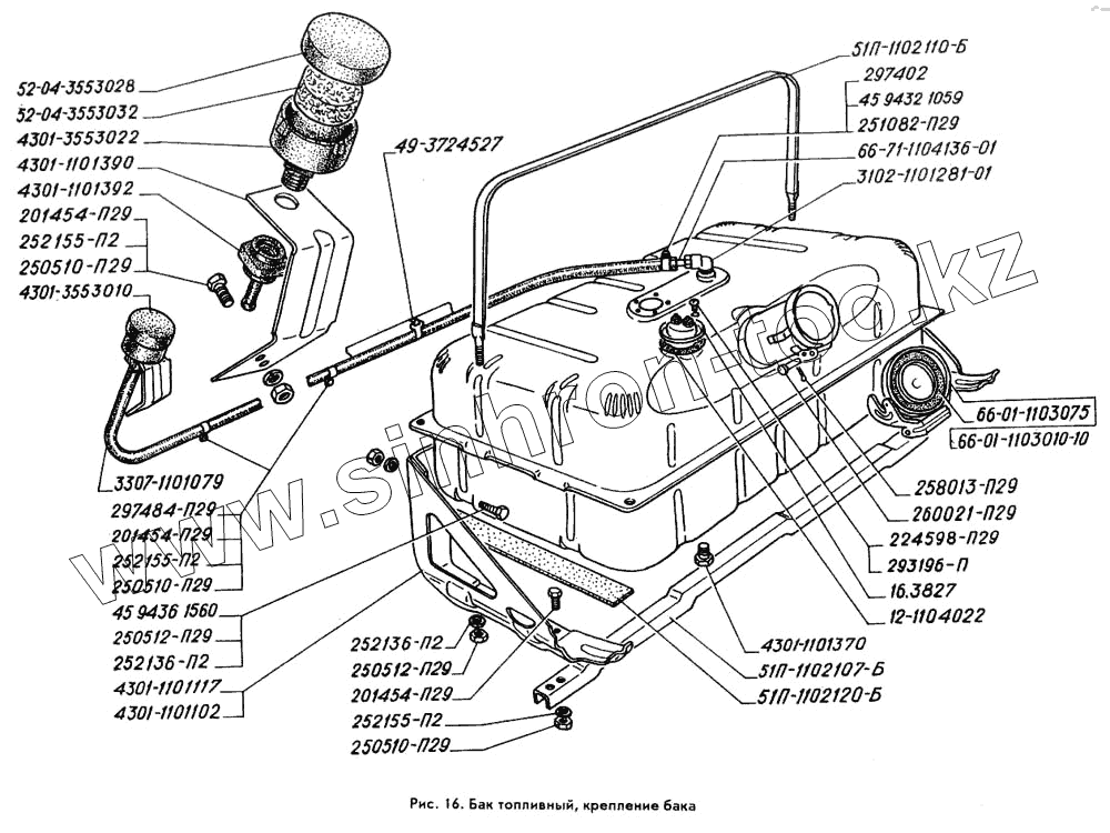
Каталог запасных частей к технике: ГАЗ-3309. Бак топливный, крепление бака
297402
12-1104022
51П-1102120-Б
66-01-1103075
297484-П29
3307-1101079
66-71-1104136-01
4301-3553010
51П-1102110-Б
4301-1101370
252136-П2
252136-П2
293196-П
252155-П2
252155-П2
252155-П2
52-04-3553032
258013-П29
260021-П29
45 9432 1059
45 9346 1560
4301-3553022
224598-П29
4301-1101392
250512-П29
250512-П29
251082-П29
250510-П29
250510-П29
250510-П29
16.3827
3102-1101281-01
201454-П29
201454-П29
201454-П29
4301-1101390
4301-1101102
4301-1101117
52-04-3553028
51П-1102107-Б
49-3724527
66-01-1103010-10
| Позиция на иллюстрации | Заводской номер детали | Название детали | |
|---|---|---|---|
| 297402 | 297402 | Хомут 12 | |
| 12-1104022 | 12-1104022 | Прокладка датчика и фланца | |
| 51П-1102120-Б | 51П-1102120-Б | Прокладка | |
| 66-01-1103075 | 66-01-1103075 | Прокладка пробки бензинового бака | |
| 297484-П29 | 297484-П29 | Скоба | |
| 3307-1101079 | 3307-1101079 | Трубка воздушная | |
| 66-71-1104136-01 | 66-71-1104136-01 | Трубка в сборе | |
| 4301-3553010 | 4301-3553010 | Фильтр воздушный гидровакуумного усилителя тормозов в сборе | |
| 51П-1102110-Б | 51П-1102110-Б | Хомут в сборе | |
| 4301-1101370 | 4301-1101370 | Пробка сливная | |
| 252136-П2 | 252136-П2 | Шайба 10 ОТ ОСТ 37.001.115-75 | |
| 293196-П | 293196-П | Шайба 5,5 ГОСТ 11371-78 | |
| 252155-П2 | 252155-П2 | Шайба 8Л ОСТ 37.001.115-75 | |
| 52-04-3553032 | 52-04-3553032 | Элемент фильтрующий | |
| 258013-П29 | 258013-П29 | Шплинт 2х16 ОСТ 37.001.171-93 | |
| 260021-П29 | 260021-П29 | Палец 6х42 ОСТ 37.001.163-97 | |
| 45 9432 1059 | 45 9432 1059 | Винт М4-6gх22 | |
| 45 9346 1560 | 45 9346 1560 | Болт М10-6gх28 | |
| 4301-3553022 | 4301-3553022 | Корпус фильтра | |
| 224598-П29 | 224598-П29 | Винт М5-6gх12 ОСТ 37.001.130-81 | |
| 4301-1101392 | 4301-1101392 | Гайка крепления фильтра | |
| 250512-П29 | 250512-П29 | Гайка М10-6Н ОСТ 37.001.124-93 | |
| 251082-П29 | 251082-П29 | Гайка М4-6Н ОСТ 37.001.112-91 | |
| 250510-П29 | 250510-П29 | Гайка М8-6Н ОСТ 37.001.124-93 | |
| 16.3827 | 16.3827 | Датчик указателя уровня топлива (16.3827600) | |
| 5421.1104046 | 5421.1104046 | Держатель в сборе | |
| 3102-1101281-01 | 3102-1101281-01 | Клапан | |
| 201454-П29 | 201454-П29 | Болт М8-6gх16 ОСТ 37.001.123-96 | |
| 4301-1101390 | 4301-1101390 | Кронштейн | |
| 4301-1101102 | 4301-1101102 | Кронштейн крепления бака задний | |
| 4301-1101117 | 4301-1101117 | Кронштейн крепления бака передний | |
| 52-04-3553028 | 52-04-3553028 | Крышка воздушного фильтра гидровакуумного усилителя тормозов | |
| 51П-1102107-Б | 51П-1102107-Б | Планка защитная | |
| 49-3724527 | 49-3724527 | Поясок крепления жгута проводов | |
| 66-01-1103010-10 | 66-01-1103010-10 | Пробка бензинового бака в сборе |
Содержащиеся в справочниках-каталогах запасные части и детали не предлагаются к продаже, а носят исключительно информационный характер